GM Service Manual Online
For 1990-2009 cars only

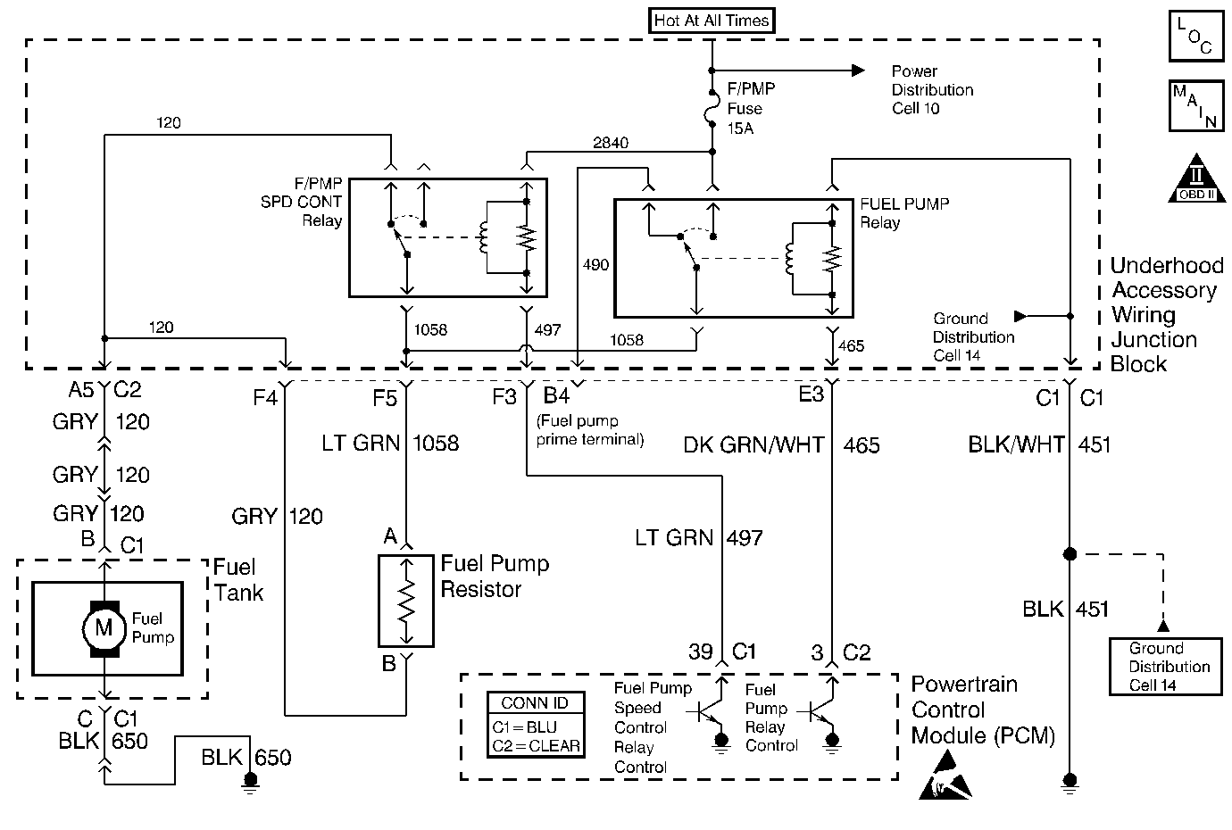
Object Number: 404395  Size: MF
Engine Controls Components
Cell 21: Fuel Controls - VIN 1 (1 of 2)
OBD II Symbol Description Notice
Handling ESD Sensitive Parts Notice

Circuit Description

The PCM provides ignition positive voltage to control the fuel pump relay. The PCM has the ability to detect an electrical malfunction on the relay control circuit. When the ignition switch is first turned ON, the PCM energizes the fuel pump relay which applies power to the fuel pump. The fuel pump relay will remain ON as long as the engine is running or cranking and the PCM is receiving reference pulses. If no reference pulses are present, the PCM de-energizes the fuel pump relay within 2 seconds after the ignition is turned ON or the engine is stopped. With the engine stopped, the fuel pump can be turned ON by using the scan tool output controls function. If an electrical malfunction is detected, the PCM will set DTC P0230.

Conditions for Running the DTC

The ignition is ON.

Conditions for Setting the DTC

    • The PCM detects an electrical malfunction on the fuel pump relay control circuit.
    • The condition is present for 0.5 second.

Diagnostic Aids

An intermittent may be caused by a poor connection, rubbed through the wire insulation or a wire broken inside of the insulation.

Check for the following conditions:

    • Poor connections at the PCM or fuel pump relay.
        Inspect harness connectors for backed out terminals, improper mating, broken locks, improperly formed or damaged terminals, and poor terminal to wire connection.
    • Damaged harness
        Inspect the wiring harness for damage.

Reviewing the Fail Records vehicle mileage since the diagnostic test last failed may help determine how often the condition that caused the DTC to be set occurs. This may assist in diagnosing the condition.

Test Description

Number(s) below refer to the step number(s) on the Diagnostic Table:

  1. Ensures that the fuel pump relay control circuit and the PCM are capable of controlling the fuel pump relay. Using the scan tool to command the fuel pump allows only a 2 second time in the commanded state.

  2. Checks the fuel pump control circuit for a short to ground.

  3. Checks the fuel pump control circuit for an open.

  4. This vehicle is equipped with a PCM which utilizes an Electrically Erasable Programmable Read Only Memory (EEPROM). When the PCM is being replaced, the new PCM must be programmed.

DTC P0230 -- Fuel Pump Relay Control Circuit

Step

Action

Value(s)

Yes

No

1

Was the Powertrain On-Board Diagnostic (OBD) System Check performed?

--

Go to Step 2

Go to Powertrain On Board Diagnostic (OBD) System Check

2

  1. Connect a test lamp between fuel pump relay connector cavities for the fuel pump relay control circuit and the fuel pump relay ground circuit.
  2. Select Fuel Pump output control with the scan tool.
  3. Observe the test lamp while commanding the fuel pump ON.

Does the test lamp turn ON when the fuel pump is commanded ON?

--

Go to Step 7

Go to Step 3

3

  1. Turn OFF the ignition switch.
  2. Disconnect the PCM.
  3. Probe the fuel pump relay control circuit at the PCM connector with a test lamp to B+.

Is the test lamp ON?

--

Go to Step 9

Go to Step 4

4

Probe the fuel pump relay ground circuit with a test lamp connected to B+.

Is the test lamp ON?

--

Go to Step 5

Go to Step 10

5

  1. Check for an open in the fuel pump relay control circuit between the PCM and the fuel pump relay.
  2. If a problem is found, repair as necessary. Refer to Wiring Repairs .

Was a problem found?

--

Go to Step 14

Go to Step 6

6

  1. Check the fuel pump relay control circuit for a poor terminal connection at the PCM.
  2. If a problem is found, repair as necessary. Refer to Repairing Connector Terminals .

Was a problem found?

--

Go to Step 14

Go to Step 12

7

  1. Turn OFF the ignition switch.
  2. Disconnect the PCM.
  3. Turn ON the ignition switch.
  4. Probe the fuel pump relay control circuit at the PCM harness connector with a test lamp connected to ground.

Is the test lamp ON?

--

Go to Step 13

Go to Step 8

8

  1. Check for a poor terminal connection at the fuel pump relay.
  2. If a problem is found, repair as necessary. Refer to Repairing Connector Terminals .

Was a problem found?

--

Go to Step 14

Go to Step 11

9

Locate and repair short to ground in the fuel pump relay control circuit. Refer to Wiring Repairs .

Is action complete?

--

Go to Step 14

--

10

Locate and repair open the fuel pump relay ground circuit. Refer to Wiring Repairs .

Is action complete?

--

Go to Step 14

--

11

Replace the fuel pump relay. Refer to Fuel Pump Relay Replacement .

Is action complete?

--

Go to Step 14

--

12

Important: : The replacement PCM must be programmed.

Replace the PCM.

Refer to Powertrain Control Module Replacement/Programming .

Is action complete?

--

Go to Step 14

--

13

Locate and repair the short to voltage in the fuel pump control circuit. Refer to Wiring Repairs .

Is action complete?

--

Go to Step 14

--

14

  1. Review and record scan tool Fail Records data.
  2. Clear DTCs.
  3. Operate the vehicle within Fail Records conditions.
  4. Using a scan tool, monitor Specific DTC info for DTC P0230.

Does the scan tool indicate DTC P0230 failed this ignition?

--

System OK

Go to Step 2