GM Service Manual Online
For 1990-2009 cars only
Makes
🢒
Buick
🢒
2000
🢒
Regal
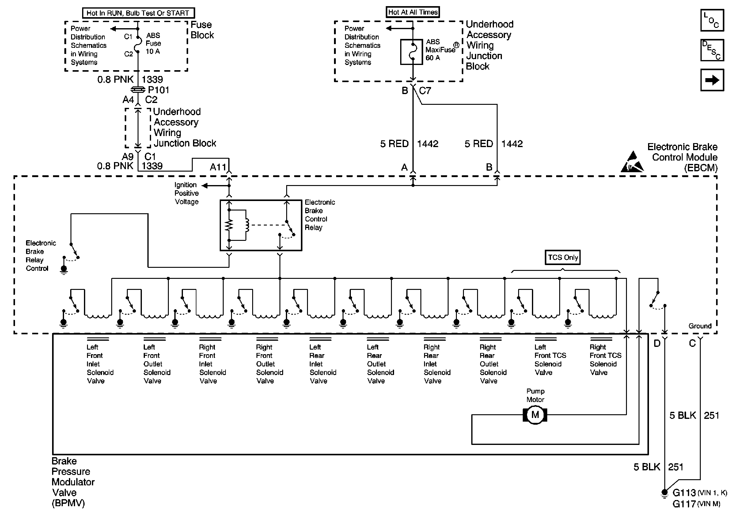
🢒 EBCM Power and Grounds
EBCM Power and Grounds
EBCM Power and Grounds
ABS and BTSI Fuses
UAWJB, Fuse Block, Headlamps, EBCM, and Generator
Handling ESD Sensitive Parts Notice
Antilock Brake System Component Views
ABS Description
IPC Class 2 Serial Data Inputs, EBCM Traction Control Request and Electronic Traction Control Switch