GM Service Manual Online
For 1990-2009 cars only
Makes
🢒
Buick
🢒
2000
🢒
Regal
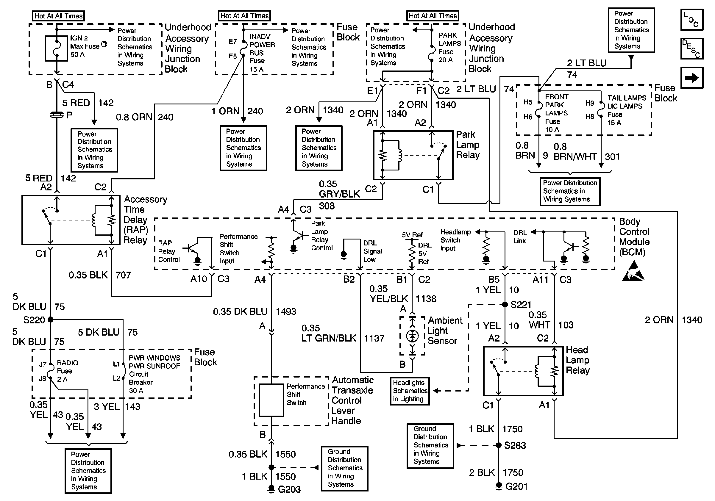
🢒 Power, RAP Relay, Headlamp Relay, Park Lamp Relay and Ambient LiGHT Sensor
Power, RAP Relay, Headlamp Relay, Park Lamp Relay and Ambient LiGHT Sensor
Power, RAP Relay, Headlamp Relay, Park Lamp Relay and Ambient Light Sensor
UAWJB, RAP Relay, Ignition Switch, and Fuse Block
UAWJB, RAP Relay, Ignition Switch, and Fuse Block
Wiper Fuse, BCM ACC, Power Drop, Radio and Steering Wheel Cont Fuses
Radio, HVAC, RFA, Cluster, Cel Tel, BCM Power, INADV Power Bus, Radio PRM Sound, and Cigar Lighter/Data Link Fuses
Battery, UAWJB, Fuse Block, Headlamp Switch, Parklamp and Headlamp Relay
Battery, UAWJB, Fuse Block, Headlamp Switch, Parklamp and Headlamp Relay
Battery, UAWJB, Fuse Block, Headlamp Switch, Parklamp and Headlamp Relay
G203
G201
Headlamp Relay, BCM and Headlamp Switch
Battery, UAWJB, Fuse Block, Headlamp Switch, Parklamp and Headlamp Relay
Front Park Lamps, Tail Lamps, License Lamps, and Panel Dimming Fuses
Handling ESD Sensitive Parts Notice
Body Control Module Components
Body Control System Circuit Description
Serial Data, Steering Column Lock And Ignition Key Cylinder, ElECTRonic Traction Control Switch and Tire Inflation Reset Switch
Power, Fog Lamp Switch, Fog lamp Relay and Horn Relay