GM Service Manual Online
For 1990-2009 cars only
Figure 1:

Module Power, Ground, Serial Data, and MIL


Object Number: 849255  Size: FS
Master Electrical Component List
Powertrain Control Module Description
Engine Data Sensors - 5 Volt and Low Reference
OBD II Symbol Description Notice
Fuse Block-Underhood IGN 1 Fuse
Fuse Block-Underhood IGN 1 Fuse
Fuse Block-I/P CRANK SIGNAL, BCM, CLUSTER, IGN 0:CLUSTER, PCM and BCM, and PARK LOCK Fuses
Fuse Block-Underhood B+ Buss
Fuse Block-I/P Turn Signals,Corn Lps,Air Bag,Cluster,PCM,BCM U/H Relay Fuses,Fuse Block-U/H Crank, IGN Main Relays
G100, G113, and G171
Data Link Connector (DLC) Schematics
Figure 2:

Engine Data Sensors - 5-Volt and Low Reference


Object Number: 789735  Size: FS
Master Electrical Component List
Powertrain Control Module Description
Engine Data Sensors - Pressure and Temperature
Module Power, Ground, Serial Data and MIL
OBD II Symbol Description Notice
Figure 3:

Engine Data Sensors - Pressure and Temperature


Object Number: 1353607  Size: FS
Master Electrical Component List
Powertrain Control Module Description
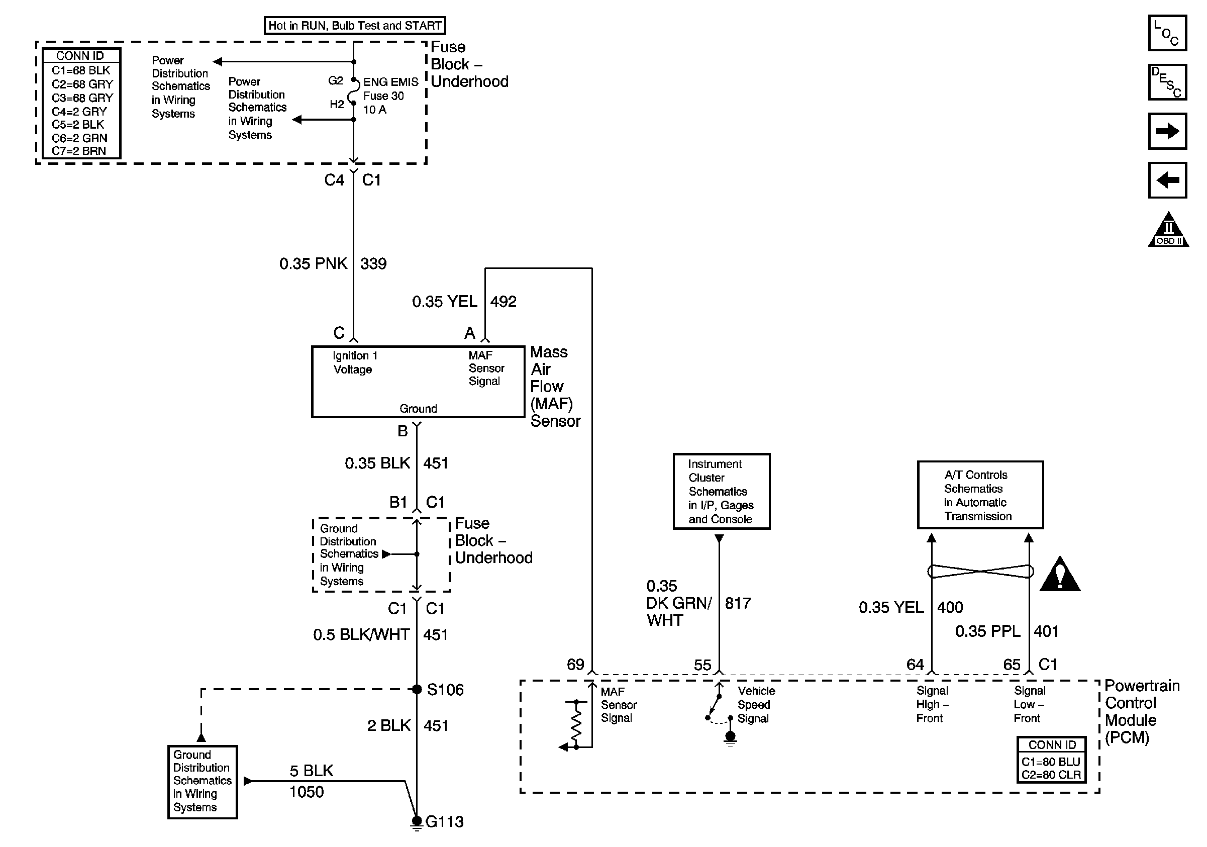
Engine Data Sensors - MAF, VSS
Engine Data Sensors - 5 Volt and Low Reference
OBD II Symbol Description Notice
Figure 4:

Engine Data Sensors - MAF, VSS


Object Number: 789737  Size: FS
Master Electrical Component List
Powertrain Control Module Description
Oxygen Sensors
Engine Data Sensors - Pressure and Temperature
OBD II Symbol Description Notice
Fuse Block-Underhood B+ Buss
Fuse Block-Underhood ENG EMIS Fuse
G100, G113, and G171
G100, G113, and G171
Gages
Fluid Pressure Manual Valve Position Switch, ISS Sensor, and VSS
Engine Controls Schematic Icons
Figure 5:

Oxygen Sensors


Object Number: 853793  Size: FS
Master Electrical Component List
Powertrain Control Module Description
Ignition Control Module
Engine Data Sensors - MAF, VSS
OBD II Symbol Description Notice
Fuse Block-Underhood B+ Buss
G100, G113, and G171
Figure 6:

Ignition Control Module


Object Number: 852257  Size: FS
Master Electrical Component List
Electronic Ignition (EI) System Description
Fuel Pump Controls
Oxygen Sensors
OBD II Symbol Description Notice
Fuse Block-Underhood B+ Buss
Engine Controls Schematic Icons
G101 and G111
Figure 7:

Fuel Pump Controls


Object Number: 789740  Size: FS
Master Electrical Component List
Fuel System Description
Fuel Injectors
Ignition Control Module
OBD II Symbol Description Notice
Fuse Block-Underhood B+ Buss
G100, G113, and G171
G402, Page 1 of 2
Gages
G100, G113, and G171
Figure 8:

Fuel Injectors


Object Number: 789741  Size: FS
Master Electrical Component List
Fuel System Description
EVAP Controls and FTP Sensor
Fuel Pump Controls
OBD II Symbol Description Notice
Fuse Block-Underhood B+ Buss
Figure 9:

EVAP Controls and FTP Sensor


Object Number: 789742  Size: FS
Master Electrical Component List
Evaporative Emission Control System Description
AIR, EGR, IAC Controls
Fuel Injectors
OBD II Symbol Description Notice
Fuse Block-Underhood B+ Buss
Fuse Block-Underhood ENG EMIS Fuse
Gages
Compressor Controls
Engine Electrical System - Starting System LG5
Figure 10:

AIR, EGR, and IAC Controls


Object Number: 789743  Size: FS
Master Electrical Component List
Exhaust Gas Recirculation (EGR) System Description
PCM References - Controlled/Monitored Subsystem
EVAP Controls and FTP Sensor
OBD II Symbol Description Notice
Figure 11:

PCM References - Controlled/Monitored Subsystem


Object Number: 1196009  Size: FS
Master Electrical Component List
Powertrain Control Module Description
PCM References - Transmission Controls
AIR, EGR, IAC Controls
OBD II Symbol Description Notice
Compressor Controls
Compressor Controls
Compressor Controls
Compressor Controls
Compressor Controls
Engine Cooling Schematics
Charging
Stop Lamp and Torque Signals
Indicators, Page 2 of 2
Cruise Control Schematics
Starting
Figure 12:

PCM References - Transmission Controls


Object Number: 852266  Size: FS
Master Electrical Component List
Powertrain Control Module Description
PCM References - Controlled/Monitored Subsystem
OBD II Symbol Description Notice
Solenoid Controls and TFT Sensor
Fluid Pressure Manual Valve Position Switch, ISS Sensor, and VSS
Internal Mode Switch (IMS)
Fluid Pressure Manual Valve Position Switch, ISS Sensor, and VSS