GM Service Manual Online
For 1990-2009 cars only
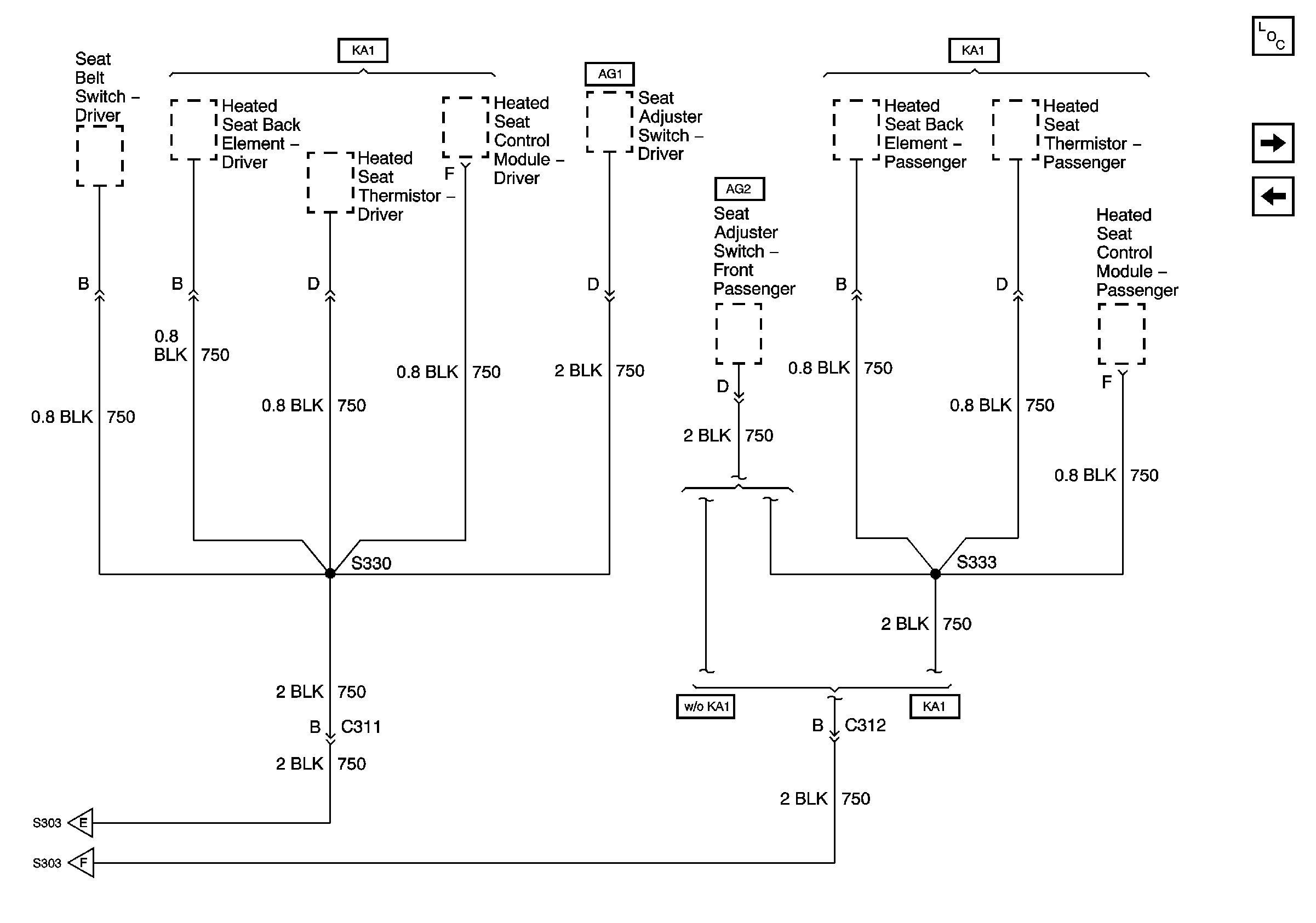
Figure 1:

G100, G113, and G171


Object Number: 853792  Size: FS
Master Electrical Component List
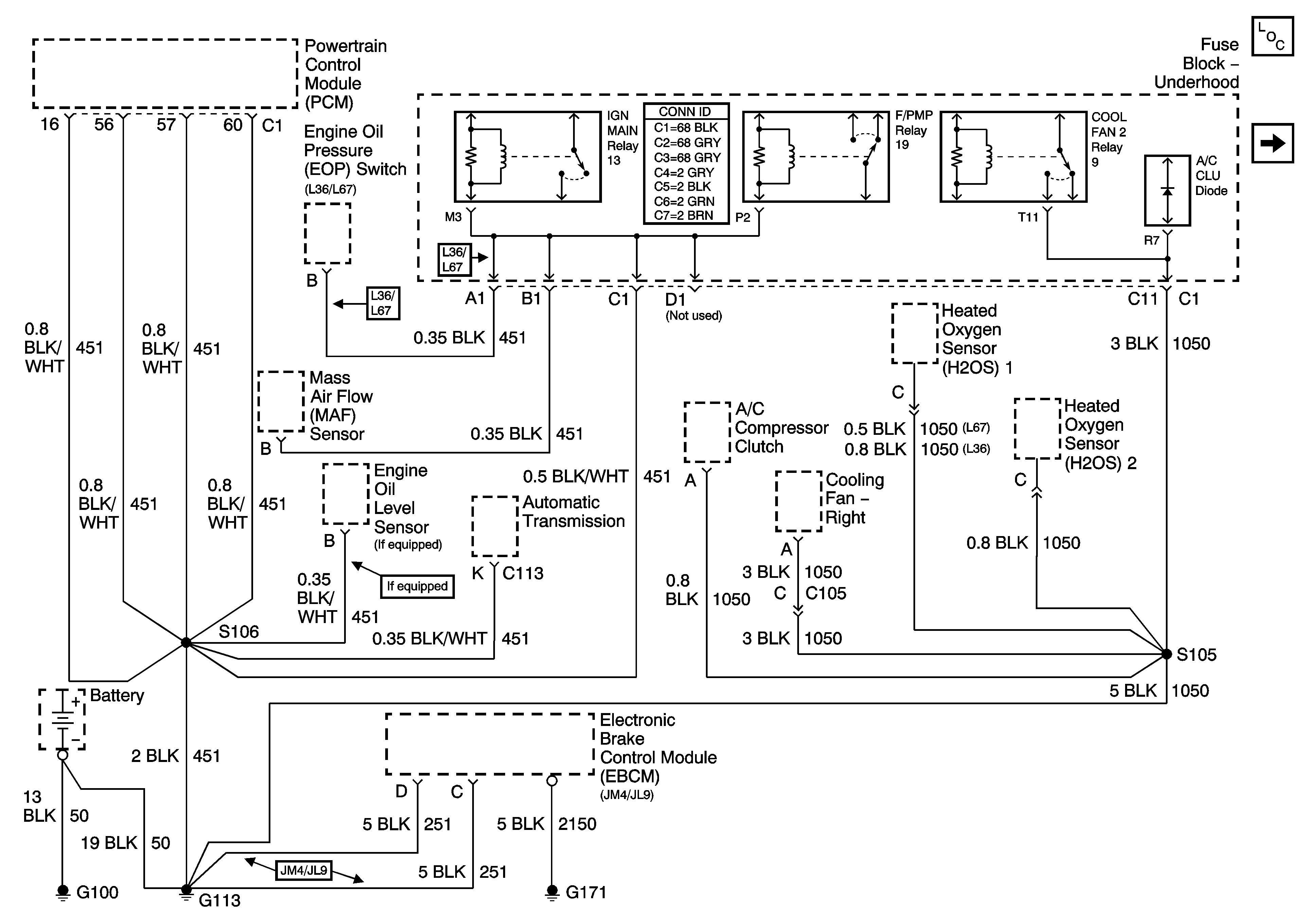
G101 and G111
Figure 2:

G101 and G111


Object Number: 859137  Size: FS
Master Electrical Component List
G200, Page 1 of 2
G100, G113, and G171
Figure 3:

G200, Page 1 of 2


Object Number: 879418  Size: FS
Master Electrical Component List
G200, Page 2 of 2
G101 and G111
SIR Caution for Zoning
G200, Page 2 of 2
G200, Page 2 of 2
G200, Page 2 of 2
G200, Page 2 of 2
Figure 4:

G200, Page 2 of 2


Object Number: 1016457  Size: FS
Master Electrical Component List
G201
G200, Page 1 of 2
G200, Page 1 of 2
G200, Page 1 of 2
G200, Page 1 of 2
G200, Page 1 of 2
Figure 5:

G201


Object Number: 869430  Size: FS
Master Electrical Component List
G203, Page 1 of 2
G200, Page 2 of 2
Figure 6:

G203, Page 1 of 2


Object Number: 856710  Size: FS
Master Electrical Component List
G203, Page 2 of 2
G201
G203, Page 2 of 2
Figure 7:

G203, Page 2 of 2


Object Number: 869432  Size: FS
Master Electrical Component List
G301, Page 1 of 2
G203, Page 1 of 2
G203, Page 1 of 2
Figure 8:

G301, Page 1 of 2


Object Number: 875083  Size: FS
Master Electrical Component List
G301, Page 2 of 2
G203, Page 2 of 2
G301, Page 2 of 2
G301, Page 2 of 2
Figure 9:

G301, Page 2 of 2


Object Number: 812880  Size: FS
Master Electrical Component List
G401
G301, Page 1 of 2
G301, Page 1 of 2
G301, Page 1 of 2
Figure 10:

G401


Object Number: 850394  Size: FS
Master Electrical Component List
G402, Page 1 of 2
G301, Page 2 of 2
Figure 11:

G402, Page 1 of 2


Object Number: 853801  Size: FS
Master Electrical Component List
G402, Page 2 of 2
G401
G402, Page 2 of 2
Figure 12:

G402, Page 2 of 2


Object Number: 812884  Size: FS
Master Electrical Component List
G402, Page 1 of 2
G402, Page 1 of 2