GM Service Manual Online
For 1990-2009 cars only
Makes
🢒
Buick
🢒
2003
🢒
Regal
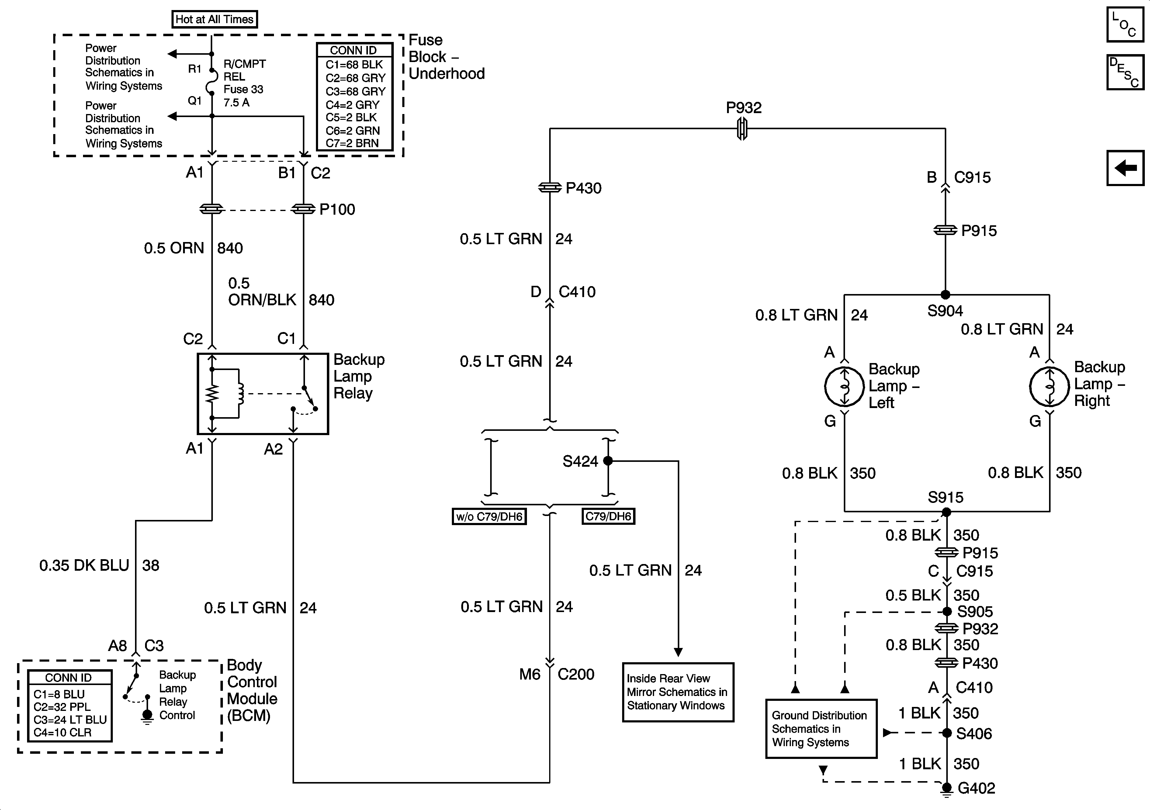
🢒 Back Up Lights
Back Up Lights
Back Up Lamps
Master Electrical Component List
Exterior Lighting Systems Description and Operation
Rear Park Lamps and License Lamps
Fuse Block-Underhood B+ Buss
Fuse Block-Underhood HDLP,GEN,ABS,R/CMPT REL,ECM Fuses
Inside Rearview Mirror Schematics
G402, Page 2 of 2