GM Service Manual Online
For 1990-2009 cars only
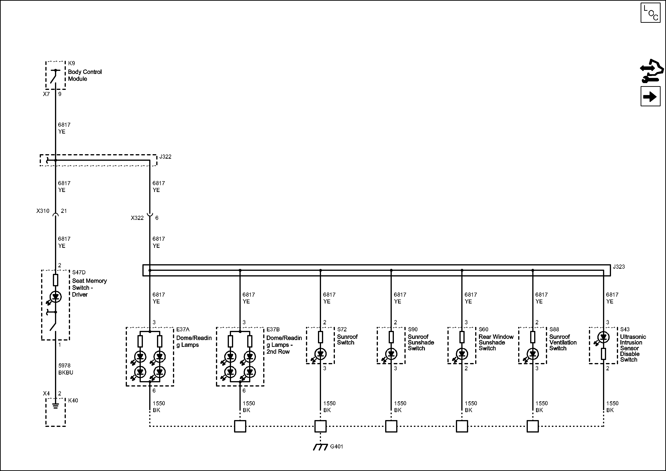
Figure 1:

Dome and Reading, Sunshade and Glovebox Lamps (CF5)


Object Number: 2179829  Size: FS
Figure 2:

Footwell, Doors Exit and Cargo Lamps


Object Number: 2179832  Size: FS
Figure 3:

Doorpockets Lamps


Object Number: 2179834  Size: FS
Figure 4:

Illumination Lights Body (1 of 2)


Object Number: 2179836  Size: FS
Figure 5:

Illumination Lights Body (2 of 2)


Object Number: 2179837  Size: FS
Figure 6:

Illumination Lights Instrument


Object Number: 2179839  Size: FS