GM Service Manual Online
For 1990-2009 cars only
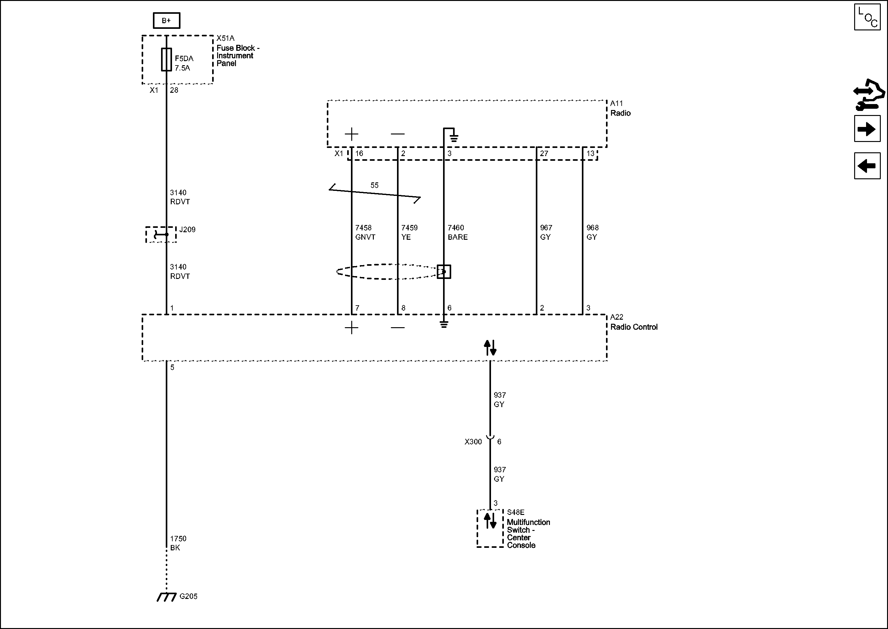
Figure 1:

Power, Ground and Serial Data


Object Number: 2179887  Size: FS
Figure 2:

Radio Faceplate


Object Number: 2179889  Size: FS
Figure 3:

Navigation Faceplate


Object Number: 2179893  Size: FS
Figure 4:

Door Speakers and Center Speaker


Object Number: 2179894  Size: FS
Figure 5:

Amplifier (1 of 2)


Object Number: 2179897  Size: FS
Figure 6:

Amplifier (2 of 2) (UQS)


Object Number: 2179898  Size: FS
Figure 7:

Front Speakers (UQS)


Object Number: 2179899  Size: FS
Figure 8:

Rear Speakers (UQS)


Object Number: 2179901  Size: FS
Figure 9:

Radio Antennas


Object Number: 2179903  Size: FS
Figure 10:

Redundant Radio Controls - Steering Wheel Controls


Object Number: 2179906  Size: FS
Figure 11:

Redundant Radio Controls - Tunnel Module Controls


Object Number: 2179907  Size: FS