GM Service Manual Online
For 1990-2009 cars only
Makes
🢒
Buick
🢒
2009
🢒
Regal
🢒
Driver Information and Entertainment
🢒
Cellular, Entertainment, and Navigation
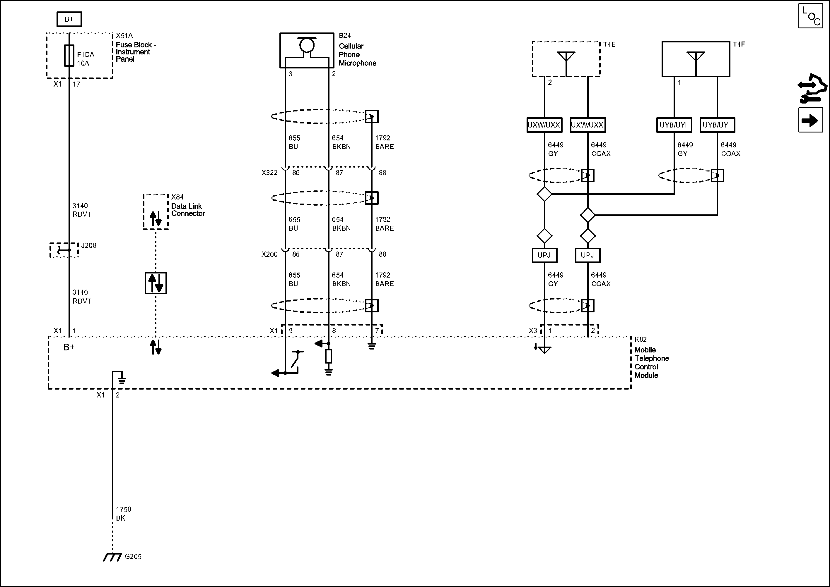
🢒 Cellular Telephone Schematics
Figure
1:
Power, Ground, Serial Data, Antenna, and User Input
Figure
2:
Audio Output and Base Plate