GM Service Manual Online
For 1990-2009 cars only
Makes
🢒
Buick
🢒
2001
🢒
Regal (China)
🢒
Body and Accessories
🢒
Instrument Panel, Gauges, and Console
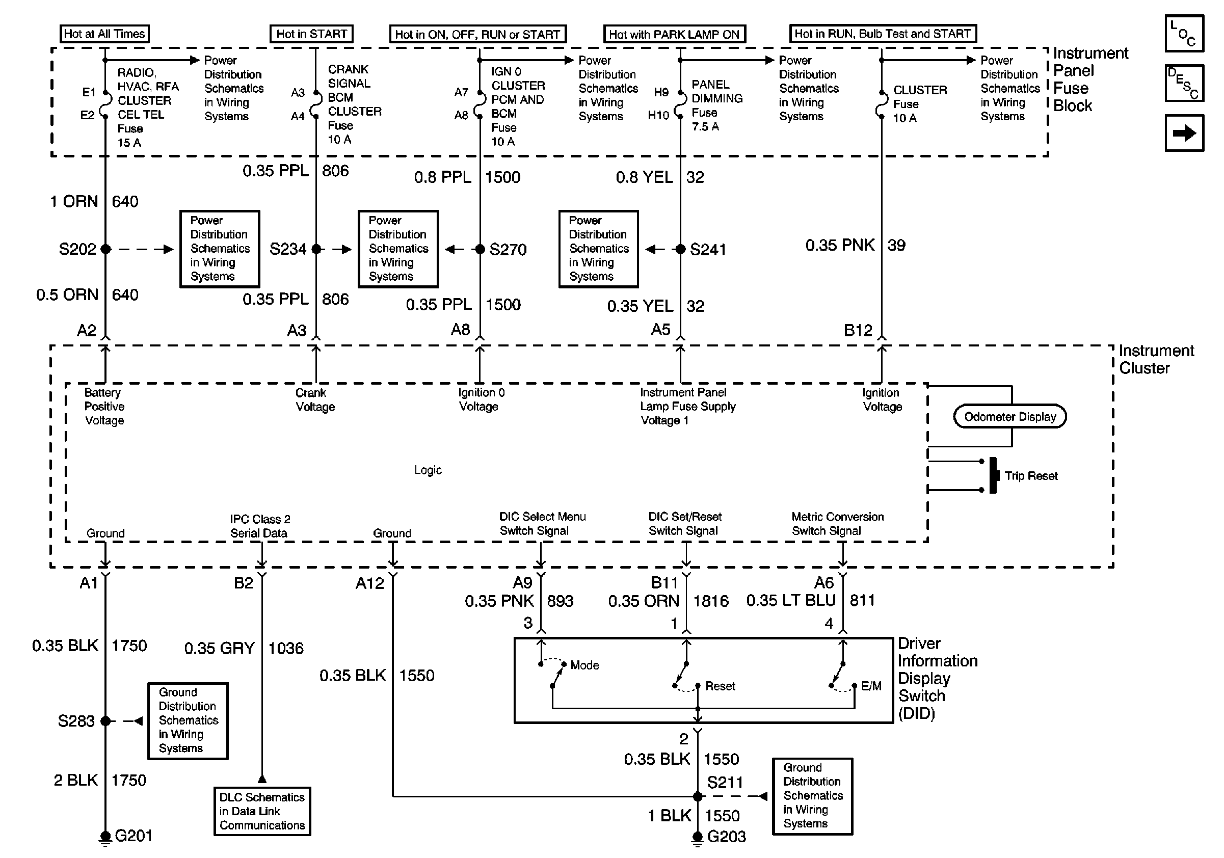
🢒 Instrument Cluster Schematics
Figure
1:
IP Inputs
Figure
2:
IP Inputs / Outputs
Figure
3:
IP Inputs