GM Service Manual Online
For 1990-2009 cars only
Makes
🢒
Buick
🢒
2003
🢒
Rendezvous - AWD
🢒
Body and Accessories
🢒
Wiring Systems
🢒 Door Lock/Indicator Schematics
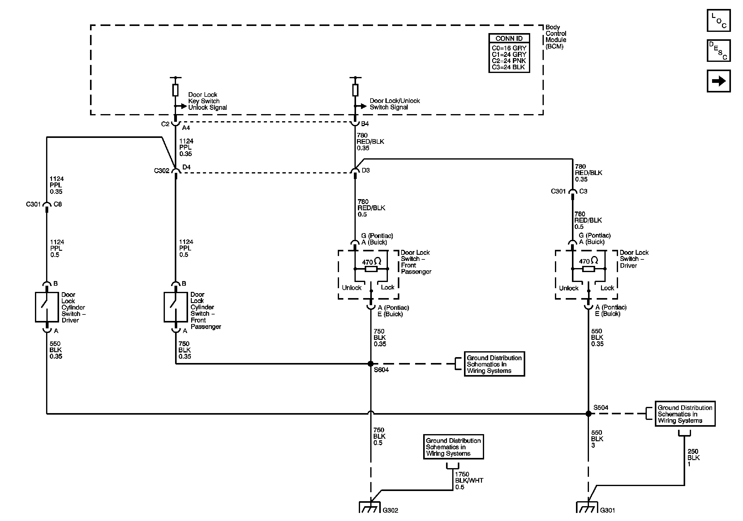
Figure
1:
Door Lock Switches
Master Electrical Component List
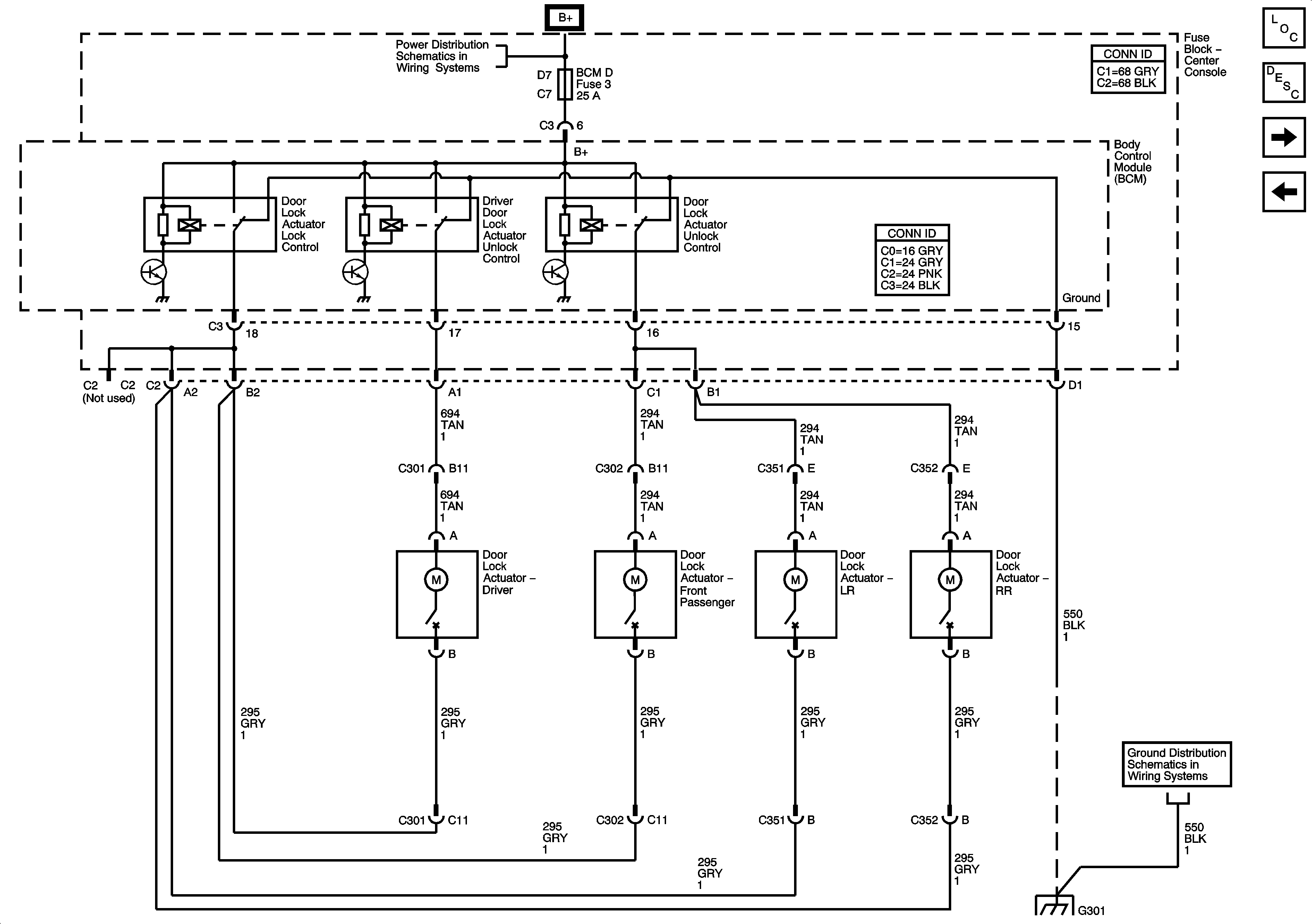
Door Lock Actuators
Ground G302-Buick
Ground G302-Buick
Ground G302-Buick
Ground G301 - Buick
Ground G301 - Buick
Figure
2:
Door Lock Actuators
Master Electrical Component List
Door Ajar Indicators
Door Lock Switches
Fuse Block Underhood Fuse: 45 Fuse Block Center Console
Ground G301 - Buick
Ground G301 - Buick
Figure
3:
Door Ajar Indicator
Master Electrical Component List
Door Lock Actuators
Data Link Connector (DLC) Schematics
Ground G301 - Buick
Door Switches
Door Switches
Ground G301 - Buick
Ground G302-Buick
Ground G302-Buick
Door Switches
Door Switches
Ground G302-Buick