GM Service Manual Online
For 1990-2009 cars only
Figure 1:

B+ Bus 1 of 2


Object Number: 1619412  Size: FS
Master Electrical Component List
Control Module References
B+ Bus 2 of 2
B+ Bus 2 of 2
Figure 2:

B+ Bus 2 of 2


Object Number: 1619418  Size: FS
Master Electrical Component List
Control Module References
BATT 1, HAZRD LAMP, HUD, IPC/HVAC/SEC/RKE, IS LAMP, PK3, RDO and RDO AMP Fuses
B+ Bus 1 of 2
B+ Bus 1 of 2
Figure 3:

BATT 1, HAZRD LAMP, HUD, IPC/HVAC/SEC/RKE, IS LAMP, PK3, RDO and RDO AMP Fuses


Object Number: 1619420  Size: FS
Master Electrical Component List
Control Module References
BATT 2, ELC CMPRSR, LGATE, PWR DR LCK, PWR MIR, PWR SEAT, and RR AUX PWR OUTLET Fuses
B+ Bus 2 of 2
B+ Bus 1 of 2
Ignition Switch-ACCY/RUN/START and RUN and START Bus Bars, HVAC BLWR, IPC/BCM/PK3, PK3, and PRK LCK IGN Fuses
Figure 4:

BATT 2, ELC CMPRSR, LGATE, PWR DR LCK, PWR MIR, PWR SEAT, and RR AUX PWR OUTLET Fuses


Object Number: 1619423  Size: FS
Master Electrical Component List
Control Module References
ABSMTR, ABS SOL, BCM, DVD, ECM, FRT AUX, S BAND, TCM, and VENT SOL Fuses
BATT 1, HAZRD LAMP, HUD, IPC/HVAC/SEC/RKE, IS LAMP, PK3, RDO and RDO AMP Fuses
B+ Bus 1 of 2
Figure 5:

ABSMTR, ABS SOL, BCM, DVD, ECM, FRT AUX, S BAND, TCM, and VENT SOL Fuses


Object Number: 1619425  Size: FS
Master Electrical Component List
Control Module References
Ignition Switch-ACCY/RUN/START and RUN and START Bus Bars, HVAC BLWR, IPC/BCM/PK3, PK3, and PRK LCK IGN Fuses
BATT 2, ELC CMPRSR, LGATE, PWR DR LCK, PWR MIR, PWR SEAT, and RR AUX PWR OUTLET Fuses
B+ Bus 1 of 2
Figure 6:

Ignition Switch-ACCY/RUN/START and RUN and START Bus Bars, HVAC BLWR, IPC/BCM/PK3, PK3, and PRK LCK IGN Fuses


Object Number: 1619426  Size: FS
Master Electrical Component List
Control Module References
HVAC/HUD Fuse
ABSMTR, ABS SOL, BCM, DVD, ECM, FRT AUX, S BAND, TCM, and VENT SOL Fuses
BATT 1, HAZRD LAMP, HUD, IPC/HVAC/SEC/RKE, IS LAMP, PK3, RDO and RDO AMP Fuses
B+ Bus 1 of 2
BATT 1, HAZRD LAMP, HUD, IPC/HVAC/SEC/RKE, IS LAMP, PK3, RDO and RDO AMP Fuses
HVAC/HUD Fuse
Figure 7:

HVAC/HUD Fuse


Object Number: 1619427  Size: FS
Master Electrical Component List
Control Module References
Ignition Switch-ACCY/RUN and RUN/START Bus Bars, AIRBAG MDL, AUTO OCCUPANT SEN, BCM, IGN1/IGN3, IGN MDL, and TCC SWTCH Fuses
Ignition Switch-ACCY/RUN/START and RUN and START Bus Bars, HVAC BLWR, IPC/BCM/PK3, PK3, and PRK LCK IGN Fuses
Ignition Switch-ACCY/RUN/START and RUN and START Bus Bars, HVAC BLWR, IPC/BCM/PK3, PK3, and PRK LCK IGN Fuses
Figure 8:

Ignition Swich-ACCY/RUN and RUN/START Bus Bars, AIRBAG MDL, AUTO OCCUPANT SEN, BCM, IGN1/IGN3, IGN MDL, and TCC SWTCH Fuses


Object Number: 1619429  Size: FS
Master Electrical Component List
Control Module References
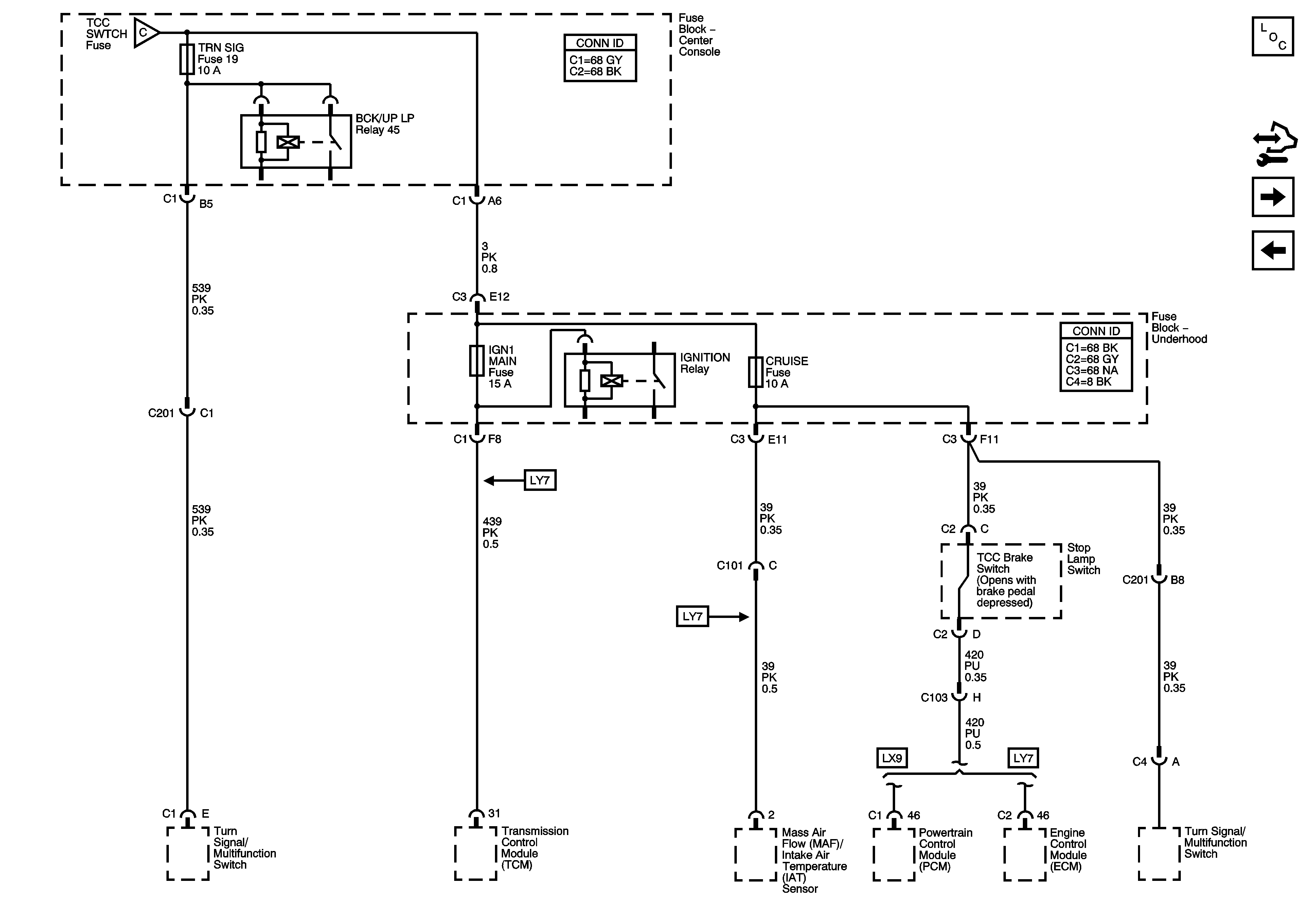
CRUISE, IGN1 MAIN, and TRN SIG Fuses
HVAC/HUD Fuse
B+ Bus 1 of 2
CRUISE, IGN1 MAIN, and TRN SIG Fuses
Figure 9:

CRUISE, IGN1 MAIN, and TRN SIG Fuses


Object Number: 1619430  Size: FS
Master Electrical Component List
Control Module References
ACC PWR, ELC CMPRSR, IGN 1, PWR SROOF, PWR WNDW, RR WPR SW, and WPR/WSW Fuses
Ignition Switch-ACCY/RUN and RUN/START Bus Bars, AIRBAG MDL, AUTO OCCUPANT SEN, BCM, IGN1/IGN3, IGN MDL, and TCC SWTCH Fuses
Ignition Switch-ACCY/RUN and RUN/START Bus Bars, AIRBAG MDL, AUTO OCCUPANT SEN, BCM, IGN1/IGN3, IGN MDL, and TCC SWTCH Fuses
Figure 10:

ACC PWR, ELC CMPRSR, IGN 1, PWR SROOF, PWR WNDW, RR WPR SW, and WPR/WSW Fuses


Object Number: 1619431  Size: FS
Master Electrical Component List
Control Module References
PTRAIN Relay-1 of 2, INJ EVEN, INJ ODD and O2/MAF SENS Fuses-LX9
CRUISE, IGN1 MAIN, and TRN SIG Fuses
B+ Bus 1 of 2
Figure 11:

PTRAIN Relay 1 of 2, INJ EVEN, INJ ODD and O2/MAF SENS Fuses - LX9


Object Number: 1619432  Size: FS
Master Electrical Component List
Control Module References
PTRAIN Relay-2 of 2, BTSI, PT RLY, and PT SENSORS Fuses-LX9
ACC PWR, ELC CMPRSR, IGN 1, PWR SROOF, PWR WNDW, RR WPR SW, and WPR/WSW Fuses
B+ Bus 2 of 2
PTRAIN Relay-2 of 2, BTSI, PT RLY, and PT SENSORS Fuses-LX9
Figure 12:

PTRAIN Relay 2 of 2, BTSI, PT RLY, and PT SENSORS Fuses - LX9


Object Number: 1619433  Size: FS
Master Electrical Component List
Control Module References
PTRAIN Relay-1 of 2, INJ EVEN, INJ ODD and O2/MAF SENS Fuses-LY7
PTRAIN Relay-1 of 2, INJ EVEN, INJ ODD and O2/MAF SENS Fuses-LX9
PTRAIN Relay-1 of 2, INJ EVEN, INJ ODD and O2/MAF SENS Fuses-LX9
Figure 13:

PTRAIN Relay 1 of 2, INJ EVEN, INJ ODD and O2/MAF SENS Fuses - LY7


Object Number: 1619435  Size: FS
Master Electrical Component List
Control Module References
PTRAIN Relay-2 of 2, BTSI, PT RLY, and PT SENSORS Fuses-
PTRAIN Relay-2 of 2, BTSI, PT RLY, and PT SENSORS Fuses-LX9
B+ Bus 2 of 2
PTRAIN Relay-2 of 2, BTSI, PT RLY, and PT SENSORS Fuses-
Figure 14:

PTRAIN Relay 2 of 2, BTSI, PT RLY, and PT SENSORS Fuses - LY7


Object Number: 1619436  Size: FS
Master Electrical Component List
Control Module References
IGNITION Relay, ABS, AWD, ECM IGN1, and TRANS Fuses
PTRAIN Relay-1 of 2, INJ EVEN, INJ ODD and O2/MAF SENS Fuses-LY7
PTRAIN Relay-1 of 2, INJ EVEN, INJ ODD and O2/MAF SENS Fuses-LY7
Figure 15:

IGNITION Relay, ABS, AWD, ECM IGN1, and TRANS Fuses


Object Number: 1619438  Size: FS
Master Electrical Component List
Control Module References
DRL, HI BEAM-LT, HI BEAM-RT, LO BEAM-LT, and LO BEAM-RT Fuses
PTRAIN Relay-2 of 2, BTSI, PT RLY, and PT SENSORS Fuses-
B+ Bus 2 of 2
Figure 16:

DRL, HI BEAM-LT, HI BEAM-RT, LO BEAM-LT, and LO BEAM-RT Fuses


Object Number: 1619440  Size: FS
Master Electrical Component List
Control Module References
BATT 3, HTD MIR, REAR DEFOG, and STR WHL CNTRL Fuses
IGNITION Relay, ABS, AWD, ECM IGN1, and TRANS Fuses
B+ Bus 1 of 2
Figure 17:

BATT 3, HTD MIR, REAR DEFOG, and STR WHL CNTRL Fuses


Object Number: 1619441  Size: FS
Master Electrical Component List
Control Module References
DRL, HI BEAM-LT, HI BEAM-RT, LO BEAM-LT, and LO BEAM-RT Fuses
B+ Bus 1 of 2
Dimming Controls and Door, Roof, and Steering Wheel Lamps
Power and Grounding Schematic Icons