GM Service Manual Online
For 1990-2009 cars only
Figure 1:

Module Power, Ground, Serial Data, and MIL


Object Number: 1619500  Size: FS
Master Electrical Component List
Engine Control Module Description
Control Module References
Engine Data Sensors-5-Volt Reference
Engine Controls Schematic Icons
B+ Bus 2 of 2
PTRAIN Relay-2 of 2, BTSI, PT RLY, and PT SENSORS Fuses-
PTRAIN Relay-1 of 2, INJ EVEN, INJ ODD and O2/MAF SENS Fuses-LY7
CRUISE, IGN1 MAIN, and TRN SIG Fuses
IGNITION Relay, ABS, AWD, ECM IGN1, and TRANS Fuses
G117 and G132
Ignition Switch-ACCY/RUN/START and RUN and START Bus Bars, HVAC BLWR, IPC/BCM/PK3, PK3, and PRK LCK IGN Fuses
Ignition Switch-ACCY/RUN/START and RUN and START Bus Bars, HVAC BLWR, IPC/BCM/PK3, PK3, and PRK LCK IGN Fuses
Engine Controls Schematic Icons
DLC Schematics
G130, G131, and G134-LY7
G117 and G132
Figure 2:

Engine Data Sensors - 5-Volt Reference


Object Number: 1619501  Size: FS
Master Electrical Component List
Engine Control Module Description
Control Module References
Engine Data Sensors-Low Reference
Module Power, Ground, Serial Data, and MIL
Engine Controls Schematic Icons
Figure 3:

Engine Data Sensors - Low Reference


Object Number: 1619502  Size: FS
Master Electrical Component List
Engine Control Module Description
Control Module References
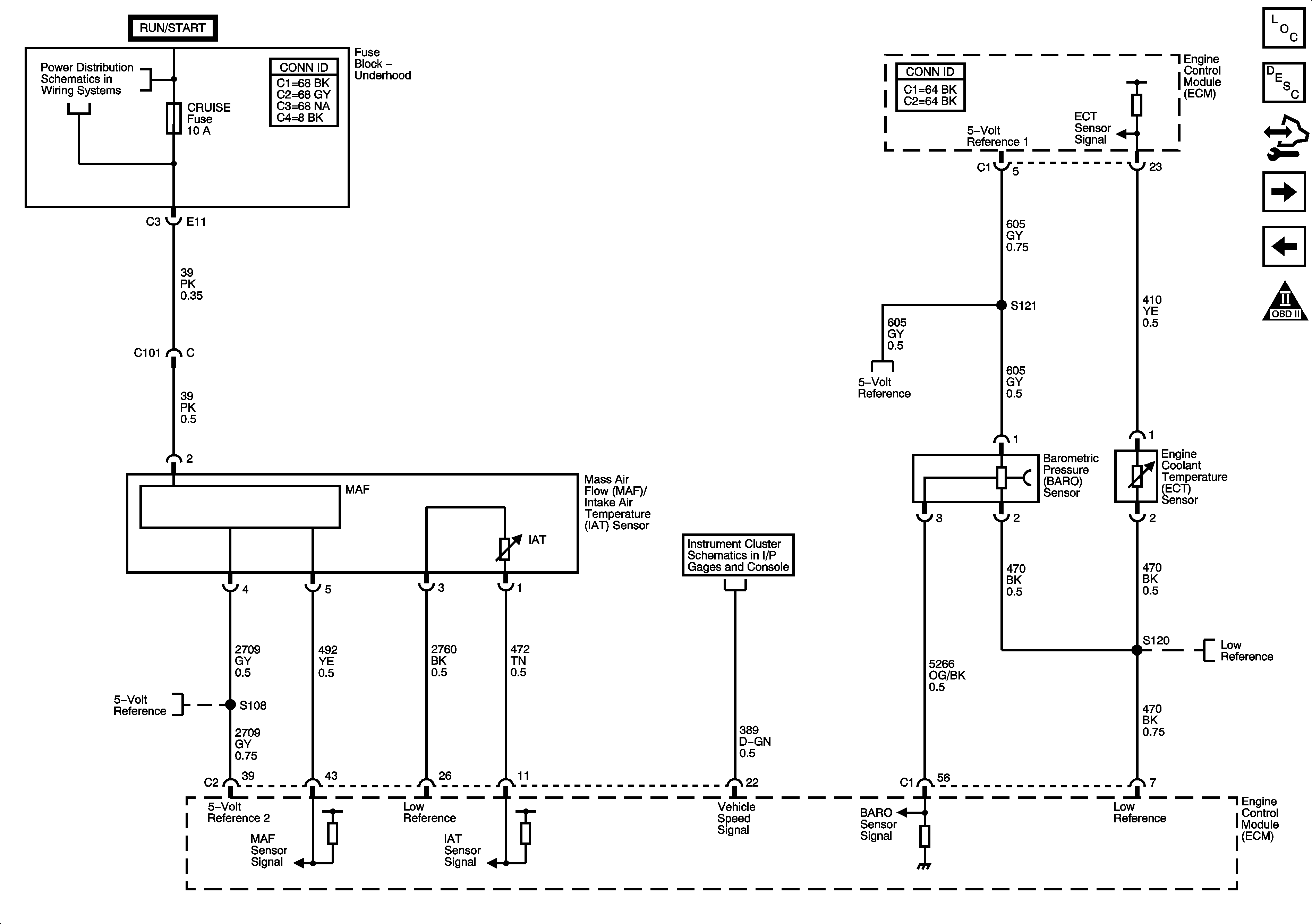
Engine Data Sensors-Pressure and Temperature
Engine Data Sensors-5-Volt Reference
Engine Controls Schematic Icons
Figure 4:

Engine Data Sensors - Pressure and Temperature


Object Number: 1619503  Size: FS
Master Electrical Component List
Air Intake System Description
Control Module References
Engine Data Sensors-Oxygen Sensors
Engine Data Sensors-Low Reference
Engine Controls Schematic Icons
CRUISE, IGN1 MAIN, and TRN SIG Fuses
Engine Data Sensors-5-Volt Reference
Gages-LY7
Engine Data Sensors-5-Volt Reference
Engine Data Sensors-Low Reference
Figure 5:

Engine Data Sensors - Oxygen Sensors


Object Number: 1619505  Size: FS
Master Electrical Component List
Engine Control Module Description
Control Module References
Engine Data Sensors-Throttle Actuator Controls
Engine Data Sensors-Pressure and Temperature
Engine Controls Schematic Icons
Module Power, Ground, Serial Data, and MIL
PTRAIN Relay-1 of 2, INJ EVEN, INJ ODD and O2/MAF SENS Fuses-LY7
PTRAIN Relay-2 of 2, BTSI, PT RLY, and PT SENSORS Fuses-
Engine Controls Schematic Icons
Engine Controls Schematic Icons
Figure 6:

Engine Data Sensors - Throttle Actuator Controls


Object Number: 1619506  Size: FS
Master Electrical Component List
Throttle Actuator Control (TAC) System Description
Control Module References
Ignition Controls-Bank 1 Ignition System
Engine Data Sensors-Oxygen Sensors
Engine Controls Schematic Icons
Engine Controls Schematic Icons
Figure 7:

Ignition Controls - Bank 1 Ignition System


Object Number: 1619507  Size: FS
Master Electrical Component List
Electronic Ignition (EI) System Description
Control Module References
Ignition Controls-Bank 2 Ignition System
Engine Data Sensors-Throttle Actuator Controls
Engine Controls Schematic Icons
PTRAIN Relay-1 of 2, INJ EVEN, INJ ODD and O2/MAF SENS Fuses-LY7
Module Power, Ground, Serial Data, and MIL
PTRAIN Relay-1 of 2, INJ EVEN, INJ ODD and O2/MAF SENS Fuses-LY7
G130, G131, and G134-LY7
Figure 8:

Ignition Controls - Bank 2 Ignition System


Object Number: 1619508  Size: FS
Master Electrical Component List
Electronic Ignition (EI) System Description
Control Module References
Ignition Controls-CMP Sensors and Actuator Solenoids
Ignition Controls-Bank 1 Ignition System
Engine Controls Schematic Icons
Module Power, Ground, Serial Data, and MIL
PTRAIN Relay-1 of 2, INJ EVEN, INJ ODD and O2/MAF SENS Fuses-LY7
PTRAIN Relay-1 of 2, INJ EVEN, INJ ODD and O2/MAF SENS Fuses-LY7
G130, G131, and G134-LY7
Figure 9:

Ignition Controls - CMP Sensors and Actuator Solenoids


Object Number: 1619509  Size: FS
Master Electrical Component List
Camshaft Actuator System Description
Control Module References
Ignition Controls-CKP and KS Sensors
Ignition Controls-Bank 2 Ignition System
Engine Controls Schematic Icons
Module Power, Ground, Serial Data, and MIL
PTRAIN Relay-2 of 2, BTSI, PT RLY, and PT SENSORS Fuses-
PTRAIN Relay-2 of 2, BTSI, PT RLY, and PT SENSORS Fuses-
Engine Data Sensors-Low Reference
Figure 10:

Ignition Controls - CKP and KS Sensors


Object Number: 1619510  Size: FS
Master Electrical Component List
Knock Sensor (KS) System Description
Control Module References
Fuel Controls-Fuel Pump and Fuel Injectors
Ignition Controls-CMP Sensors and Actuator Solenoids
Engine Controls Schematic Icons
DLC, Indicators, and Traction Control Switch-LY7
Engine Controls Schematic Icons
Figure 11:

Fuel Controls - Fuel Pump and Fuel Injectors


Object Number: 1619511  Size: FS
Master Electrical Component List
Fuel System Description
Control Module References
Fuel Controls-EVAP Controls and Intake Controls
Ignition Controls-CKP and KS Sensors
Engine Controls Schematic Icons
Module Power, Ground, Serial Data, and MIL
PTRAIN Relay-1 of 2, INJ EVEN, INJ ODD and O2/MAF SENS Fuses-LY7
PTRAIN Relay-1 of 2, INJ EVEN, INJ ODD and O2/MAF SENS Fuses-LY7
G117 and G132
B+ Bus 1 of 2
G117 and G132
G117 and G132
Gages-LY7
Figure 12:

Fuel Controls - EVAP Controls and Intake Controls


Object Number: 1619512  Size: FS
Master Electrical Component List
Evaporative Emission Control System Description
Control Module References
Controlled/Monitored Subsystem References
Fuel Controls-Fuel Pump and Fuel Injectors
Engine Controls Schematic Icons
Module Power, Ground, Serial Data, and MIL
PTRAIN Relay-2 of 2, BTSI, PT RLY, and PT SENSORS Fuses-
B+ Bus 1 of 2
PTRAIN Relay-2 of 2, BTSI, PT RLY, and PT SENSORS Fuses-
Engine Data Sensors-Low Reference
G117 and G132
Engine Data Sensors-Low Reference
Engine Data Sensors-5-Volt Reference
Figure 13:

Controlled/Monitored Subsystem References


Object Number: 1619513  Size: FS
Master Electrical Component List
Engine Control Module Description
Control Module References
Fuel Controls-EVAP Controls and Intake Controls
Engine Controls Schematic Icons
Cranking
Charging
DLC, Indicators, and Traction Control Switch-LY7
Fans
LY7
Engine Oil Sensors and Switches
Compressor Controls-LY7
Hazard, Stop, and Turn Signal Lamp Control
TCM Ground, Power, Serial Data, and TCC Brake Switch-LY7
Internal Mode Switch-LY7