GM Service Manual Online
For 1990-2009 cars only
Figure 1:

Park Lamps


Object Number: 1619589  Size: FS
Master Electrical Component List
Exterior Lighting Systems Description and Operation
Control Module References
Hazard, Stop, and Turn Signal Lamp Control
B+ Bus 1 of 2
I/P and Console Lamps
Indicator, Lamp Control
G101
G100, G111, and G119
G402
G402
Trailer Harness
G101
G100, G111, and G119
G402
G401
G401
G402
G201
Figure 2:

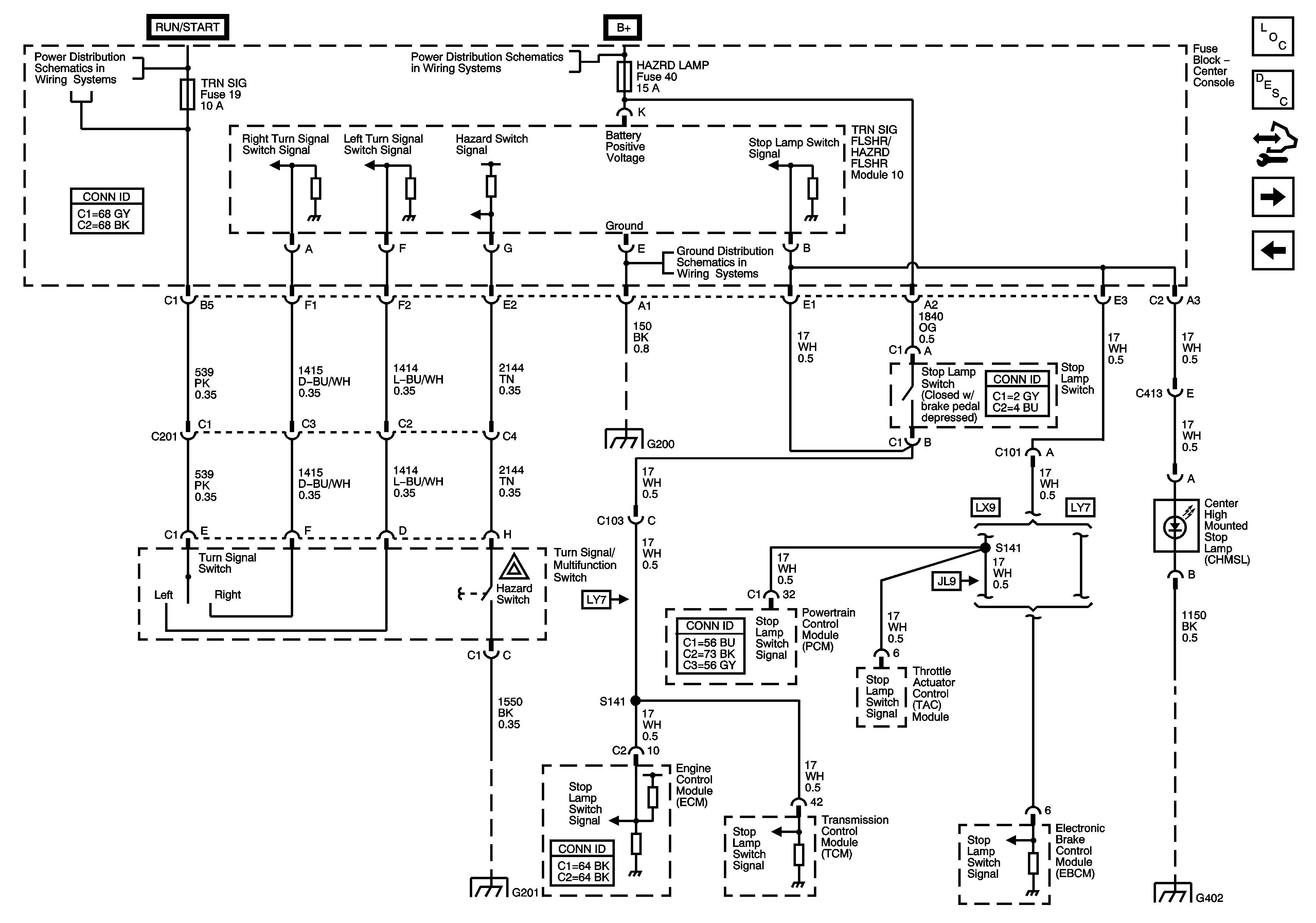
Hazard, Stop, and Turn Signal Lamp Control


Object Number: 1619590  Size: FS
Master Electrical Component List
Exterior Lighting Systems Description and Operation
Control Module References
Turn/Stop Lamps and Indicators
Park Lamps
CRUISE, IGN1 MAIN, and TRN SIG Fuses
BATT 1, HAZRD LAMP, HUD, IPC/HVAC/SEC/RKE, IS LAMP, PK3, RDO and RDO AMP Fuses
G200
G200
G201
G402
Figure 3:

Turn/Stop Lamps and Indicators


Object Number: 1619591  Size: FS
Master Electrical Component List
Exterior Lighting Systems Description and Operation
Control Module References
Trailer Harness
Hazard, Stop, and Turn Signal Lamp Control
Trailer Harness
Trailer Harness
G202
G101
G100, G111, and G119
G401
G402
Figure 4:

Trailer Harness


Object Number: 1619592  Size: FS
Master Electrical Component List
Exterior Lighting Systems Description and Operation
Control Module References
Backup Lamps
Turn/Stop Lamps and Indicators
BATT 2, ELC CMPRSR, LGATE, PWR DR LCK, PWR MIR, PWR SEAT, and RR AUX PWR OUTLET Fuses
BATT 2, ELC CMPRSR, LGATE, PWR DR LCK, PWR MIR, PWR SEAT, and RR AUX PWR OUTLET Fuses
Park Lamps
Turn/Stop Lamps and Indicators
Turn/Stop Lamps and Indicators
G401
Figure 5:

Backup Lamps


Object Number: 1619593  Size: FS
Master Electrical Component List
Exterior Lighting Systems Description and Operation
Control Module References
Trailer Harness
CRUISE, IGN1 MAIN, and TRN SIG Fuses
Enabling, Ground, and Power
G402