| Figure 1: |
G100, G111, and G119
|
| Figure 2: |
G101
|
| Figure 3: |
G117 and G132
|
| Figure 4: |
G130, G131, and G134 - LY7
|
| Figure 5: |
G200
|
| Figure 6: |
G201
|
| Figure 7: |
G202
|
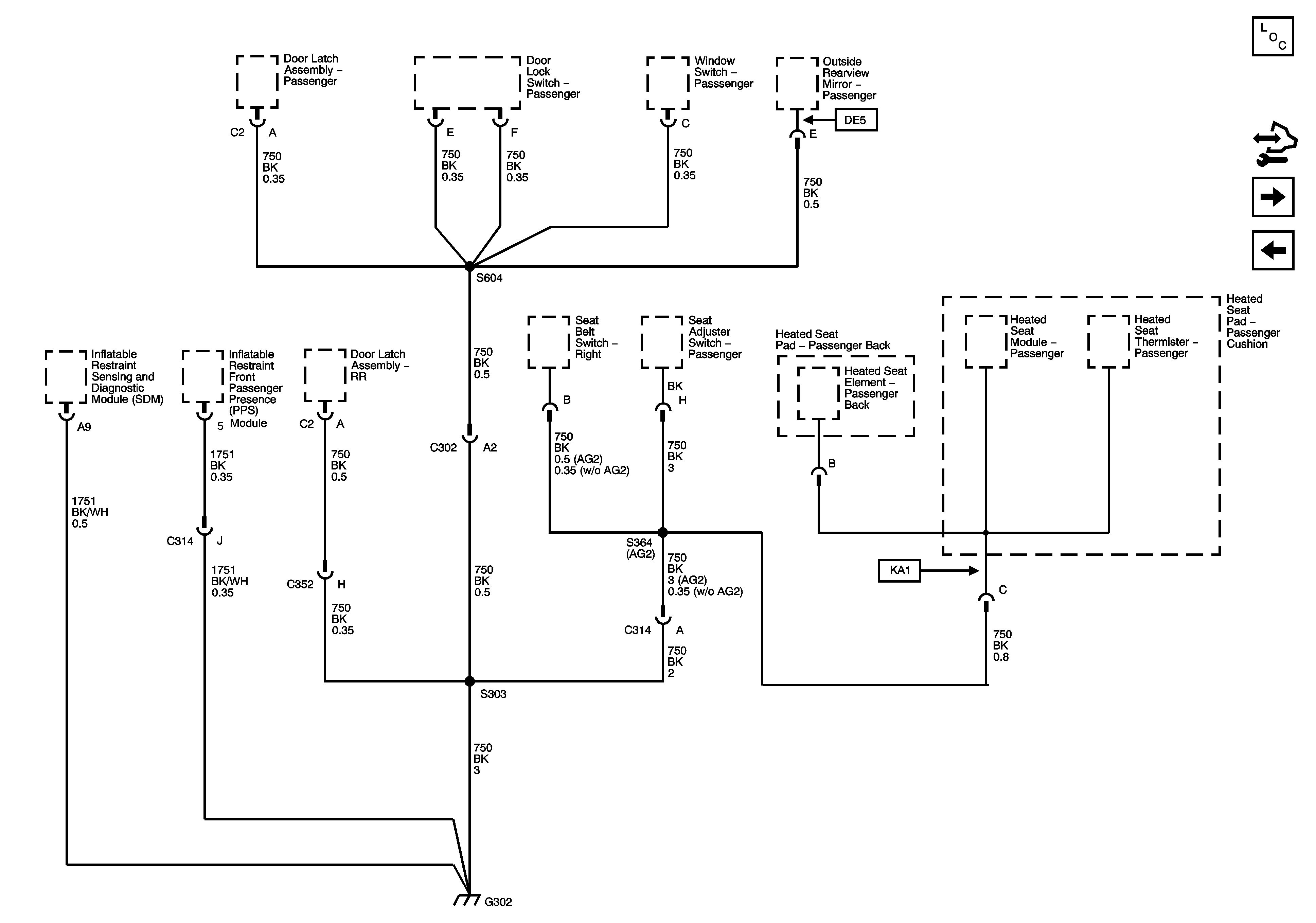
| Figure 8: |
G302
|
| Figure 9: |
G303 1 of 2
|
| Figure 10: |
G303 2 of 2
|
| Figure 11: |
G401
|
| Figure 12: |
G402
|