GM Service Manual Online
For 1990-2009 cars only
Makes
🢒
Buick
🢒
2005
🢒
Rendezvous - FWD
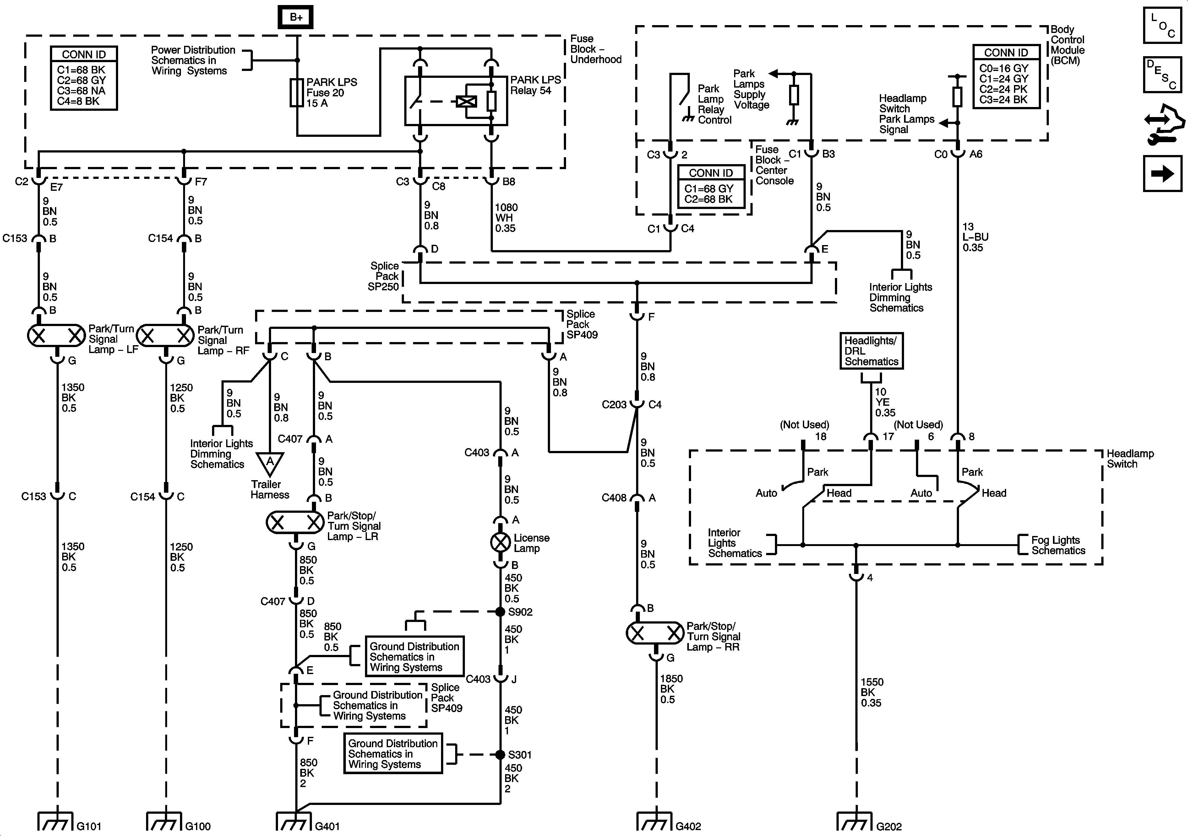
🢒 Park Lamps - Pontiac (Early Production)
Park Lamps - Pontiac (Early Production)
Park Lamps - Pontiac (Early Production)
Master Electrical Component List
Exterior Lighting Systems Description and Operation
Control Module References
Park Lamps - Pontiac (Late Production)
B+ Bus 1 of 2
Panel Lamps - Pontiac, Page 2 of 2
Indicators, Lamp Control)
Panel Lamps - Pontiac, Page 2 of 2
Trailer Harness
Interior Lights Schematics (I/P Lighting, Lamp Control)
Fog Lights Schematics
G101
G100
G401
G401
G401
G401
G402 and G403
G202