- Remove the engine from the engine stand.
- Install the flywheel. Refer to
Engine Flywheel Replacement
.
- Install and mate the engine to the transaxle/frame.
Notice: Refer to Fastener Notice in the Preface section.
- Install the transaxle to engine bolt/stud.
Tighten
Tighten the bolt/stud to 75 N·m (55 lb ft).
- Install the transaxle to engine bolts/stud.
Tighten
Tighten the bolt/stud to 75 N·m (55 lb ft).
- Remove the support from the transaxle.
- Remove the engine hoist from the engine.
- Install the exhaust crossover pipe. Refer to
Exhaust Crossover Pipe Replacement
.
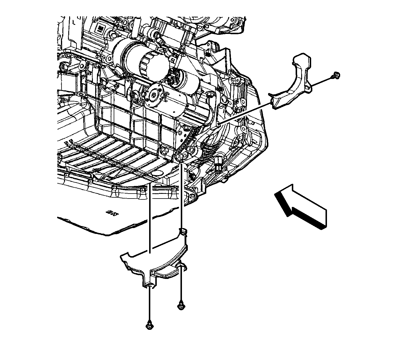
- Install the transaxle brace , if equipped with RPO M76.
- Install the transaxle brace bolts.
Tighten
Tighten the bolts to 43 N·m (32 lb ft).
- Install the transaxle brace, if equipped with RPO M15.
- Install the transaxle brace bolts.
Tighten
Tighten the bolts to 43 N·m (32 lb ft).
- Install the engine mount lower nuts.
Tighten
Tighten the nuts to 47 N·m (35 lb ft).
- Install the torque converter bolts. Refer to
Flywheel to Torque Converter Bolt Replacement
.
- Install the transaxle covers.
- Install the transaxle cover bolts.
Tighten
Tighten the bolts to 10 N·m (89 lb in).
- Install the starter motor. Refer to
Starter Motor Replacement
.
- Lower the vehicle in order to join the powertrain/frame assembly to the vehicle.
- Install the frame bolts. Refer to
Front Frame Replacement
.
- Remove the
J 39580
from below the vehicle.
- Raise and suitably support the vehicle.
- Install the front part of the inner fender liner. Refer to
Engine Splash Shield Replacement
.
- Install the intermediate shaft pinch bolt to the steering gear. Refer to
Intermediate Steering Shaft Replacement
.
- Connect the drive axles to the transaxle. Refer to
Front Wheel Drive Shaft Replacement
.
- Position the A/C compressor and install the A/C compressor bolts.
Tighten
Tighten the bolts to 50 N·m (37 lb ft).
- Connect the transaxle oil cooler line quick connect fittings at the transaxle. Refer to
Transmission Fluid Cooler Hose/Pipe Quick-Connect Fitting Disconnection and Connection
.
- Install the transaxle oil cooler line bracket bolt.
Tighten
Tighten the bolts to 25 N·m (18 lb ft).
- Install the lower ball joints to the knuckles. Refer to
Lower Control Arm Ball Joint Replacement
.
- Install the tie rod ends to the steering knuckles. Refer to
Steering Knuckle Replacement
.
- Install the stabilizer shaft links to the lower control arms. Refer to
Stabilizer Shaft Link Replacement
.
- Install the engine splash shields. Refer to
Engine Splash Shield Replacement
.
- Install the lower radiator air baffle assembly. Refer to
Radiator Air Baffle Assemblies and Deflectors
.
- Install the front tires and wheels. Refer to
Tire and Wheel Removal and Installation
.
- Install the catalytic converter. Refer to
Catalytic Converter Replacement
.
- Lower the vehicle.
- Install the engine mount struts. Refer to
Engine Mount Strut Replacement - Left Side
and
Engine Mount Strut Replacement - Right Side
.
- Gather all branches of the engine harness and position the harness onto the engine.
- Connect the engine harness electrical connectors (2, 4) to the instrument panel electrical connectors (3, 5).
- Install the drive belt. Refer to
Drive Belt Replacement
.
- Raise and support the vehicle.
- Connect the following electrical connectors:
- Connect the engine harness electrical connector (1) to the HO2S.
- Install the CPA retainer (2).
- Install the engine harness clips to the heat shield and underbody.
- Connect the engine harness electrical connector to the left wheel speed sensor.
- Install the engine harness clips to the lower control arm.
- Connect the engine harness electrical connector to the right wheel speed sensor.
- Install the engine harness clips to the lower control arm.
- Connect the engine harness electrical connector (1) to the A/C compressor.
- Connect the engine harness electrical connector to the A/C pressure sensor (1).
- Position the engine harness and the negative battery cable.
- Install the engine harness bolt.
Tighten
Tighten the bolt to 25 N·m (18 lb ft).
- Install the engine harness ground wires (1, 5) to the transaxle studs.
- Install the negative battery cable lead (4) to the stud.
- Install the engine harness nut (2, 3).
Tighten
Tighten the nut to 25 N·m (18 lb ft).
- Install the engine harness clip (1) to the oil pan.
- Install the engine harness lead (2) to the starter.
- Install the starter solenoid "S" terminal nut (3).
Tighten
Tighten the nut to 3 N·m (27 lb in).
- Install the engine harness clip (1) to the oil level indicator tube.
- Connect the following engine harness electrical connectors:
| • | The oil pressure switch (1) |
- Lower the vehicle.
- Connect the engine harness electrical connector (1) to the transaxle.
- Install the engine harness clip (2) to the transaxle stud.
- Connect the VSS electrical connector (2).
- Install the engine harness clip (1) to the transaxle brace.
- Connect the engine harness electrical connector to the HO2S.
- Install the CPA retainer.
- Install the HO2S electrical connector clip to the ignition coil bracket.
- Connect the engine harness electrical connector to the generator.
- Install the engine harness clip (1) to the bracket attached to the engine mount
strut.
- Connect the engine harness electrical connector (1) to the ignition coil.
- Install the engine harness clip (1) to the ignition coil bracket.
- Connect the engine harness electrical connector (2) to the fuel injector electrical connector (1).
- Install the engine harness electrical connector clip to the belt shield.
- Install the engine harness clips to the intake manifold.
- Connect the following electrical connectors:
| • | The EVAP canister purge solenoid |
- Install the engine harness clip (1) to the PCV foul air tube clip.
- Connect the engine harness to the TAC.
- Install the selector cable to the bracket.
- Connect the automatic transaxle range selector cable to the selector lever.
- Install the brake booster vacuum hose to the intake manifold.
- Connect the fuel and EVAP line quick connect fittings at the engine. Refer to
Metal Collar Quick Connect Fitting Service
and
Plastic Collar Quick Connect Fitting Service
.
- Connect the heater inlet (1) and outlet hoses to the engine.
- Install the radiator outlet hose to the engine.
- Position the radiator inlet hose clamp at the engine.
- Install the radiator inlet hose to the engine.
- Position the radiator inlet hose clamp at the engine.
- Fill the cooling system. Refer to
Cooling System Draining and Filling
.
- Install the air cleaner assembly. Refer to
Air Cleaner Assembly Replacement
.
- Fill the engine with oil. Refer to
Engine Oil and Oil Filter Replacement
.
- Install the intake manifold cover. Refer to
Intake Manifold Cover Replacement
.
- Connect the negative battery cable. Refer to
Battery Negative Cable Disconnection and Connection
.
- Perform the CKP system variation learn procedure. Refer to
Crankshaft Position System Variation Learn
.
- Start the vehicle and allow the engine to run.
- Inspect for leaks.
- Road test the vehicle.