GM Service Manual Online
For 1990-2009 cars only
Makes
🢒
Buick
🢒
2007
🢒
Rendezvous - FWD
🢒
Transmission/Transaxle
🢒
Automatic Transaxle - 4T65-E
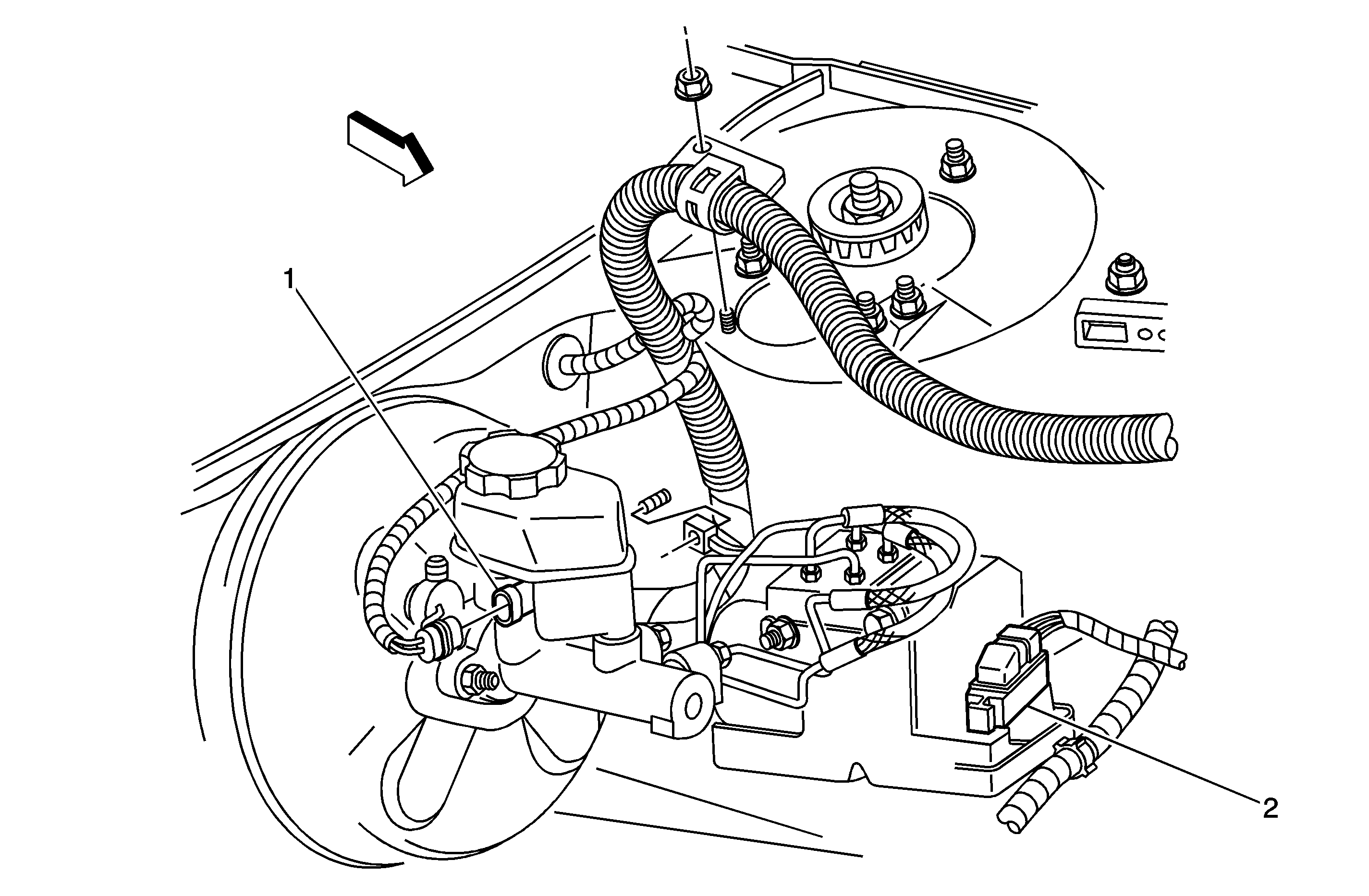
🢒 Hydraulic Brake Component Views
Figure
1:
Left Rear of Engine Compartment
(1)
Brake Fluid Level Switch
(2)
Electronic Brake Control Module (EBCM)
Figure
2:
Lower LF of the Passenger Compartment
(1)
Park Brake Switch
(2)
I/P Wiring Harness
(3)
Park Brake Switch Connector
(4)
Parking Brake