GM Service Manual Online
For 1990-2009 cars only
Makes
🢒
Buick
🢒
2007
🢒
Rendezvous - FWD
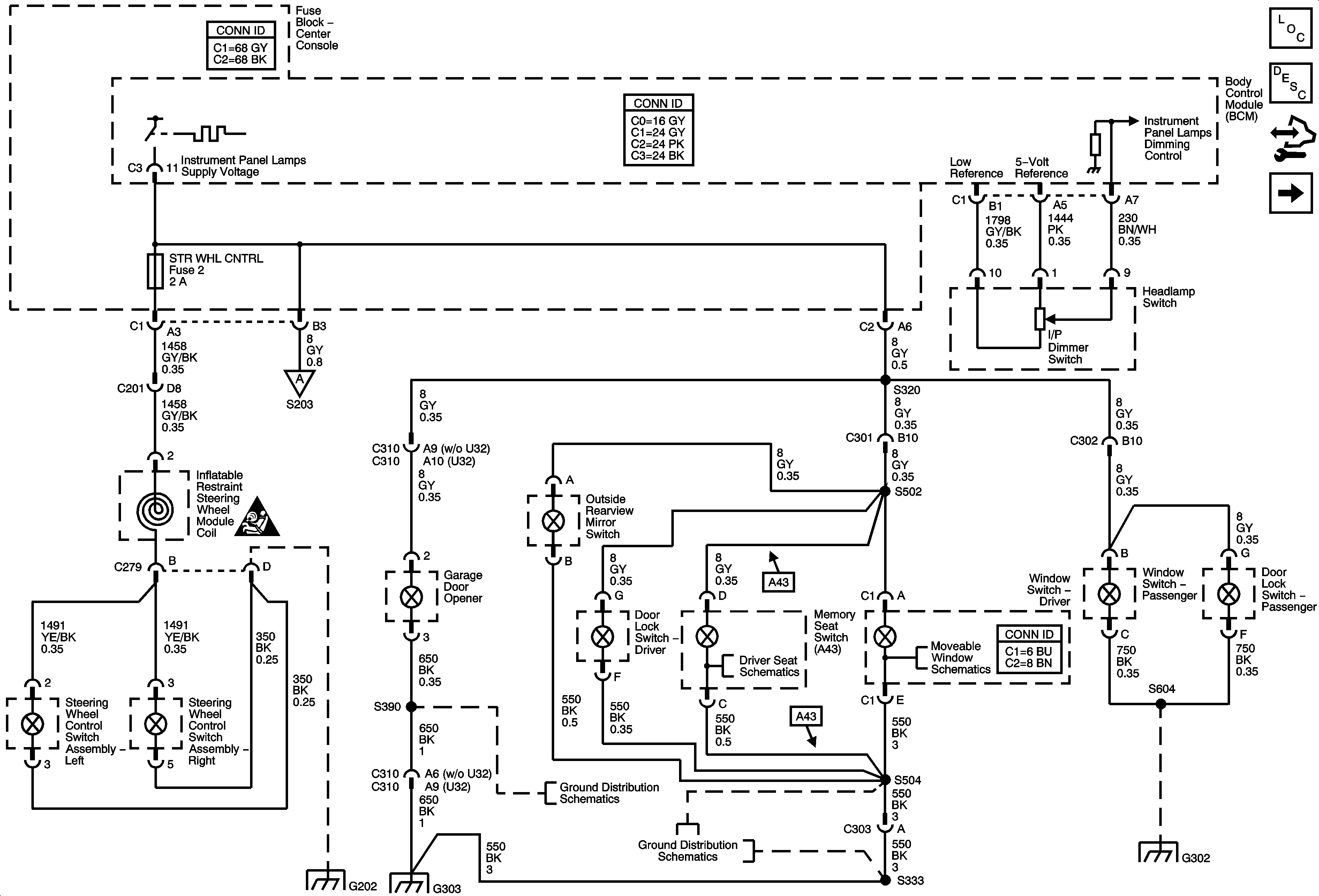
🢒 Dimming Controls and Door, Roof, and Steering Wheel Lamps
Dimming Controls and Door, Roof, and Steering Wheel Lamps
Dimming Controls and Door, Roof, and Steering Wheel Lamps
Master Electrical Component List
Interior Lighting Systems Description and Operation
Control Module References
I/P and Console Lamps
I/P and Console Lamps
Lighting Systems Schematic Icons
G202
G303-1 of 2
G303-2 of 2
G303-1 of 2
Memory Seat
Moveable Window Schematics
G302