GM Service Manual Online
For 1990-2009 cars only
Figure 1:

PCM Battery Feed, Ignition Feed, Grounds


Object Number: 17920  Size: FS
Engine Controls Components
Malfunction Indicator Lamp (MIL) Inoperative
5 Volt Reference A
OBD II Symbol Description Notice
Handling ESD Sensitive Parts Notice
Figure 2:

5 Volt Reference A


Object Number: 12294  Size: FS
Engine Controls Components
Information Sensors
Idle Air Control Valve, MAF Sensor, Knock Sensors
PCM Battery Feed, Ignition Feed, Grounds
OBD II Symbol Description Notice
Handling ESD Sensitive Parts Notice
Handling ESD Sensitive Parts Notice
Figure 3:

Idle Air Control Valve, MAF Sensor, Knock Sensors


Object Number: 17944  Size: FS
Engine Controls Components
Information Sensors
EVAP System, EGR Valve
5 Volt Reference A
OBD II Symbol Description Notice
Handling ESD Sensitive Parts Notice
Figure 4:

EVAP System, EGR Valve


Object Number: 17943  Size: FS
Engine Controls Components
Information Sensors
Idle Air Control Valve, MAF Sensor, Knock Sensors
PCM Sensors
OBD II Symbol Description Notice
Handling ESD Sensitive Parts Notice
Figure 5:

PCM Sensors


Object Number: 17941  Size: FS
Engine Controls Components
Information Sensors
EVAP System, EGR Valve
Cruise Control, VSS Sensor
OBD II Symbol Description Notice
Handling ESD Sensitive Parts Notice
Handling ESD Sensitive Parts Notice
Figure 6:

Cruise Control, VSS Sensor


Object Number: 17945  Size: FS
Engine Controls Components
Information Sensors
Generator, Traction Control
PCM Sensors
OBD II Symbol Description Notice
Handling ESD Sensitive Parts Notice
Handling ESD Sensitive Parts Notice
Figure 7:

Generator, Traction Control


Object Number: 17947  Size: FS
Engine Controls Components
Information Sensors
Fuel Control (Vin 1)
Cruise Control, VSS Sensor
OBD II Symbol Description Notice
Handling ESD Sensitive Parts Notice
Handling ESD Sensitive Parts Notice
Figure 8:

Fuel Control (Vin 1)


Object Number: 17936  Size: FS
Engine Controls Components
Fuel Pump Electrical Circuit Diagnosis VIN 1
Fuel Pump Control (Vin K)
Generator, Traction Control
OBD II Symbol Description Notice
Handling ESD Sensitive Parts Notice
Handling ESD Sensitive Parts Notice
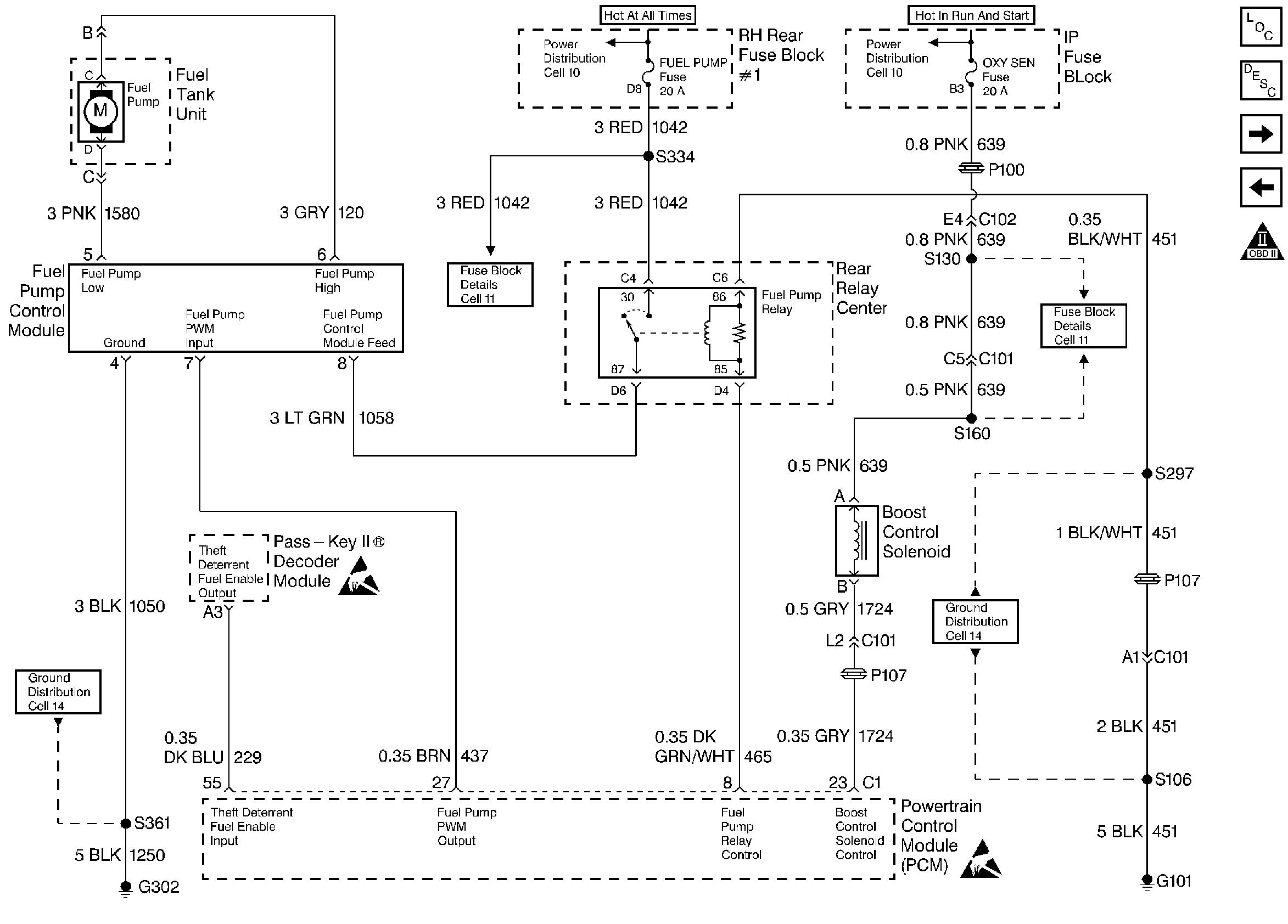
Figure 9:

Fuel Pump Control (Vin K)


Object Number: 17933  Size: FS
Engine Controls Components
Fuel Pump Electrical Circuit Diagnosis VIN K
Ignition Control Module
Fuel Control (Vin 1)
OBD II Symbol Description Notice
Handling ESD Sensitive Parts Notice
Handling ESD Sensitive Parts Notice
Figure 10:

Ignition Control Module


Object Number: 17929  Size: FS
Engine Controls Components
Engine Cranks but Does Not Run
Fuel Injector Control
Fuel Pump Control (Vin K)
OBD II Symbol Description Notice
Handling ESD Sensitive Parts Notice
Handling ESD Sensitive Parts Notice
Figure 11:

Fuel Injector Control


Object Number: 17938  Size: FS
Engine Controls Components
DTC P1200 Injector Control Circuit
HO2S Sensors
Ignition Control Module
OBD II Symbol Description Notice
Handling ESD Sensitive Parts Notice
Figure 12:

HO2S Sensors


Object Number: 17939  Size: FS
Engine Controls Components
Information Sensors
TCC Control, Brake Switch
Fuel Injector Control
OBD II Symbol Description Notice
Handling ESD Sensitive Parts Notice
Figure 13:

TCC Control, Brake Switch


Object Number: 17951  Size: FS
Engine Controls Components
Information Sensors
A/C Control
HO2S Sensors
OBD II Symbol Description Notice
Handling ESD Sensitive Parts Notice
Figure 14:

A/C Control


Object Number: 17950  Size: FS
Engine Controls Components
Powertrain Control Module Controlled Air Conditioning
Trans Range, Engine Oil Level Sensor
TCC Control, Brake Switch
OBD II Symbol Description Notice
Handling ESD Sensitive Parts Notice
Handling ESD Sensitive Parts Notice
Figure 15:

Trans Range, Engine Oil Level Sensor


Object Number: 17949  Size: FS
Engine Controls Components
Information Sensors
Mil Control, Data Link Connector
A/C Control
OBD II Symbol Description Notice
Handling ESD Sensitive Parts Notice
Figure 16:

Mil Control, Data Link Connector


Object Number: 17922  Size: FS
Engine Controls Components
Data Link Connector Diagnosis
Cooling Fans
Trans Range, Engine Oil Level Sensor
OBD II Symbol Description Notice
Handling ESD Sensitive Parts Notice
Handling ESD Sensitive Parts Notice
Figure 17:

Cooling Fans


Object Number: 17952  Size: FS
Engine Controls Components
Electric Cooling Fan
Mil Control, Data Link Connector
OBD II Symbol Description Notice
Handling ESD Sensitive Parts Notice