GM Service Manual Online
For 1990-2009 cars only
Figure 1:

Automatic Transaxle PCM Power and Ground -- VIN 1 and K


Object Number: 51441  Size: FS
Automatic Transmission Components
Powertrain Control Module (PCM)
Automatic Transaxle Brake Switch, TCC, 1-2 Shift, 2-3 Shift, and PC Solenoids VIN 1and K
OBD II Symbol Description Notice
Handling ESD Sensitive Parts Notice
Handling ESD Sensitive Parts Notice
Engine Controls Schematic References
Engine Controls Schematic References
Engine Controls Schematic References
Engine Controls Schematic References
Engine Controls Schematic References
Engine Controls Schematic References
Figure 2:

Automatic Transaxle Brake Switch, TCC, 1-2 Shift, 2-3 Shift, and PC Solenoids VIN 1and K


Object Number: 60273  Size: FS
Engine Controls Components
Information Sensors
Automatic Transaxle TFP Switch, TFT, and A/T ISS Sensors VIN 1 And K
Automatic Transaxle PCM Power and Ground - VIN 1 and K
OBD II Symbol Description Notice
Handling ESD Sensitive Parts Notice
Engine Controls Schematic References
Engine Controls Schematic References
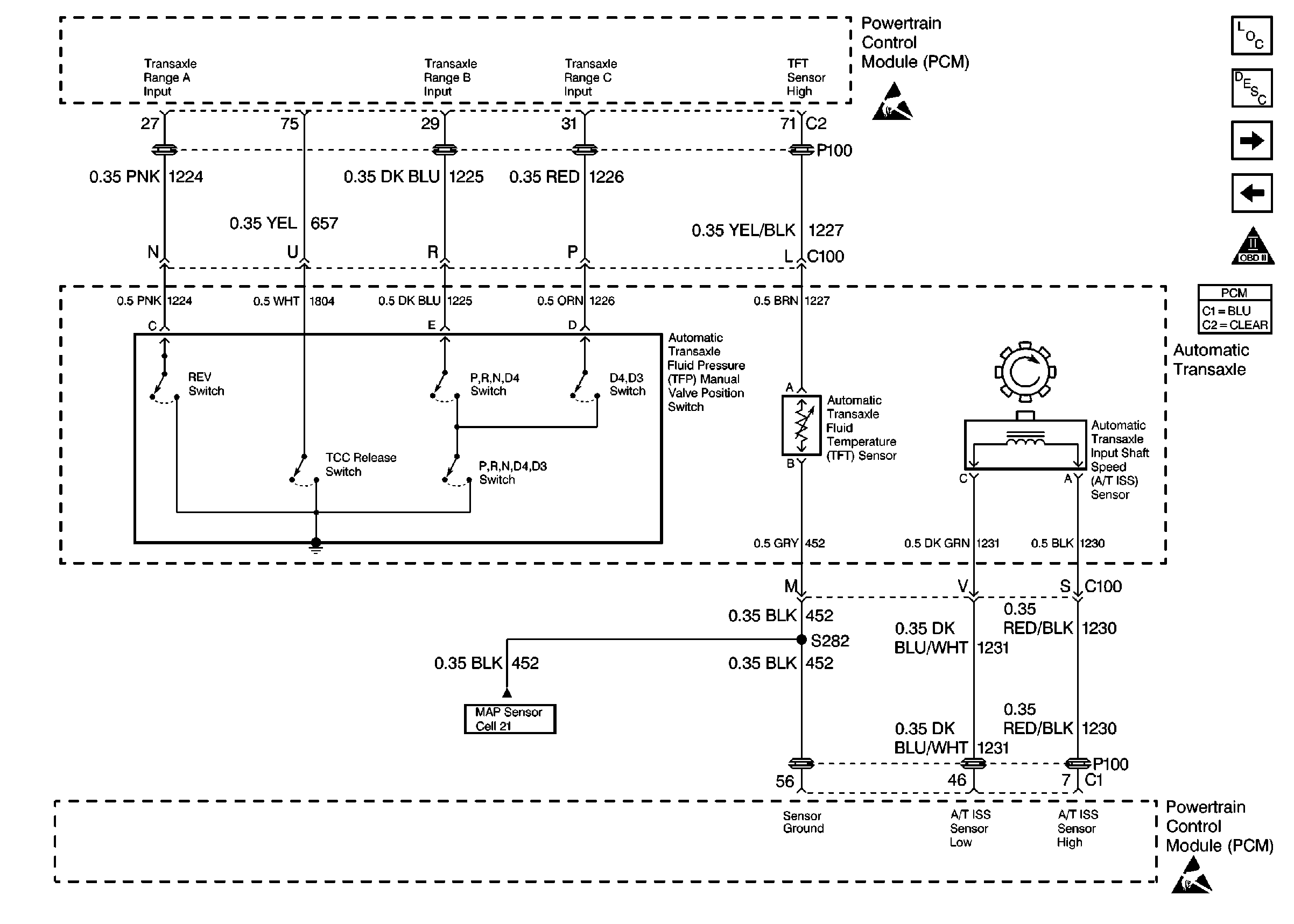
Figure 3:

Automatic Transaxle TFP Switch, TFT, and A/T ISS Sensors VIN 1 and K


Object Number: 60282  Size: FS
Engine Controls Components
Information Sensors
Automatic Transaxle VSS and Transaxle Range Switch VIN 1 and K
Automatic Transaxle Brake Switch, TCC, 1-2 Shift, 2-3 Shift, and PC Solenoids VIN 1and K
OBD II Symbol Description Notice
Handling ESD Sensitive Parts Notice
Handling ESD Sensitive Parts Notice
Figure 4:

Automatic Transaxle VSS and Transaxle Range Switch VIN 1 and K


Object Number: 61074  Size: FS
Engine Controls Components
Information Sensors
Automatic Transaxle TFP Switch, TFT, and A/T ISS Sensors VIN 1 And K
OBD II Symbol Description Notice
Handling ESD Sensitive Parts Notice
Engine Controls Schematic References