GM Service Manual Online
For 1990-2009 cars only
Makes
🢒
Buick
🢒
1997
🢒
Riviera
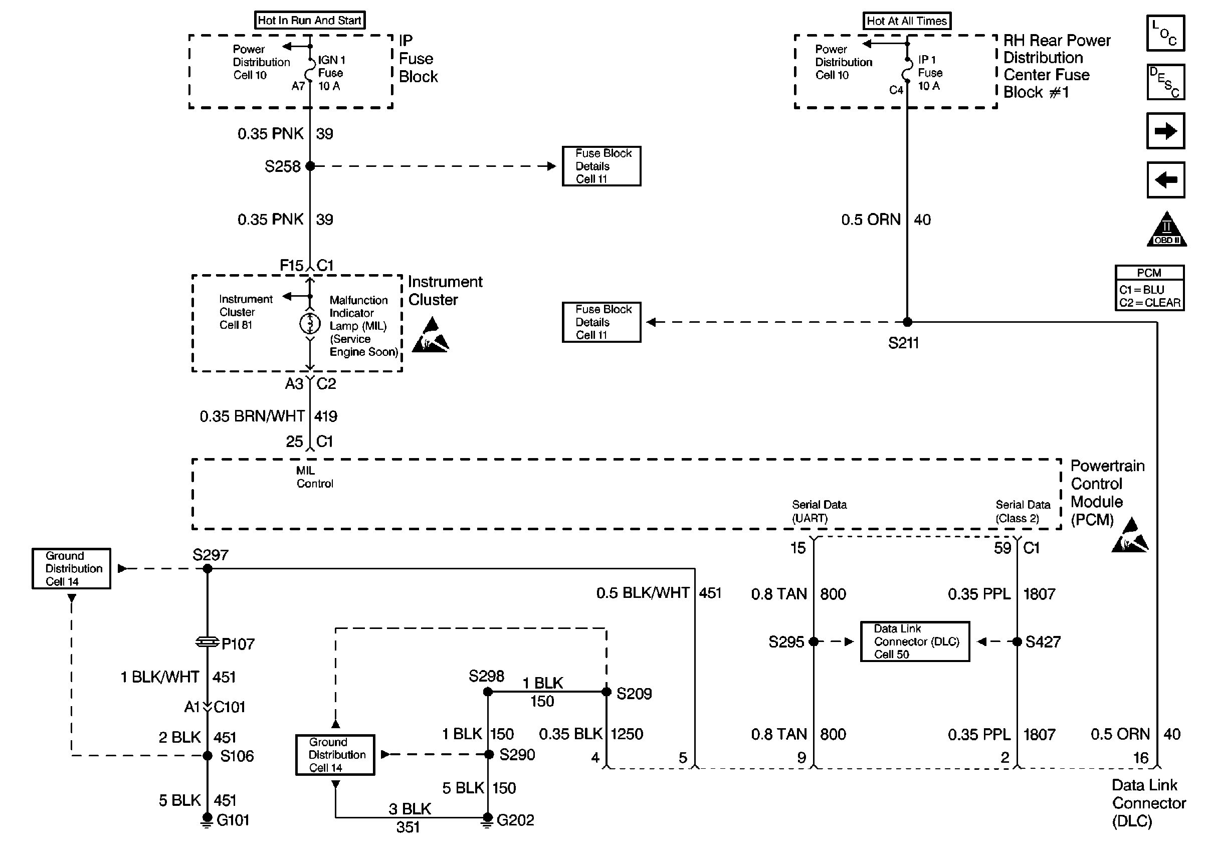
🢒 PCM MIL and DLC - VIN 1 and K
PCM MIL and DLC - VIN 1 and K
PCM MIL and DLC -- VIN 1 and K
Engine Controls Components
Powertrain Control Module (PCM)
PCM Ignition Control VIN 1 and K
PCM Power and Ground - VIN K and 1
OBD II Symbol Description Notice
Handling ESD Sensitive Parts Notice
Handling ESD Sensitive Parts Notice
Engine Controls Schematic References
Engine Controls Schematic References
Engine Controls Schematic References
Engine Controls Schematic References
Engine Controls Schematic References
Engine Controls Schematic References
Engine Controls Schematic References
Engine Controls Schematic References