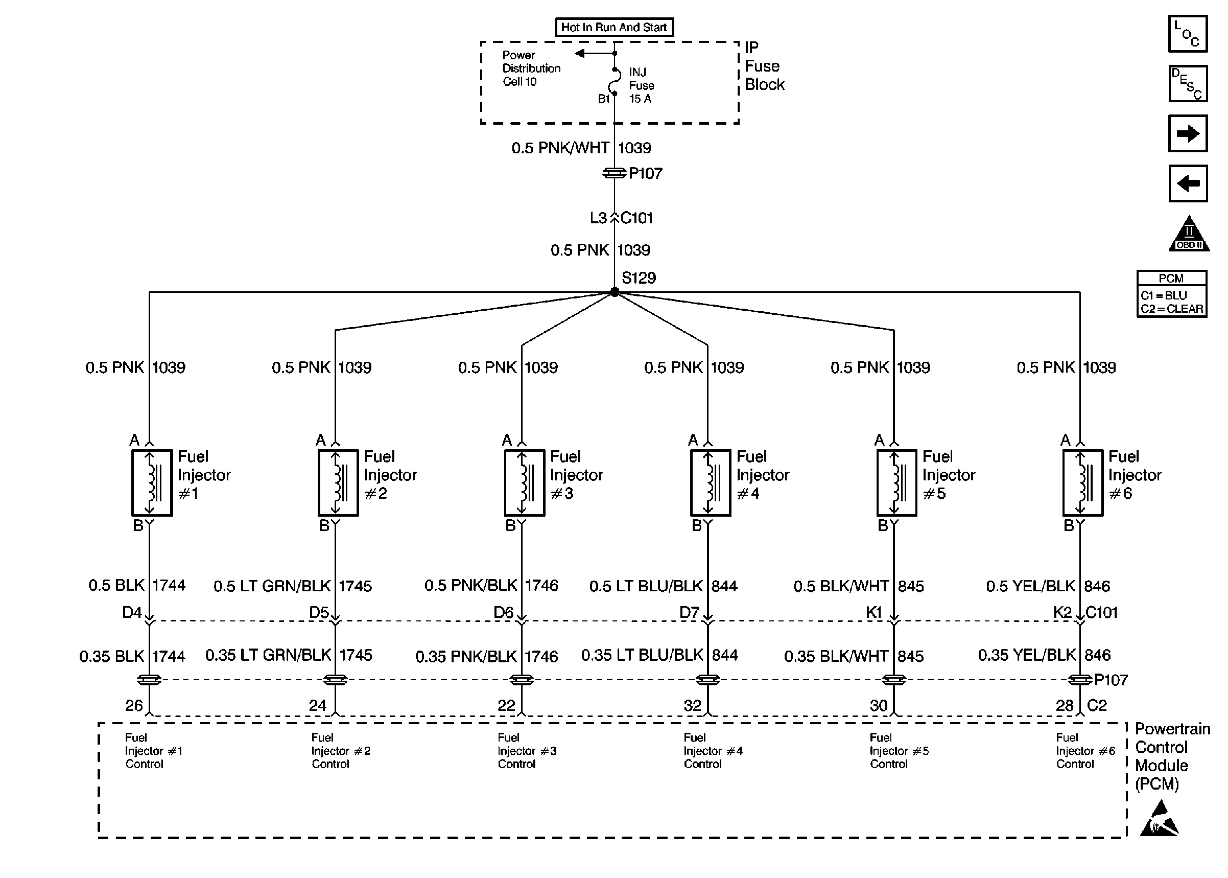
Refer to
PCM Fuel Injectors VIN 1 and K
.
The PCM controls the fuel injector control circuit using a General FET Driver (GFD). The GFD has the ability to detect an electrical malfunction on any of the injector ignition feed or control circuits. If an electrical malfunction is detected, the GFD signals the PCM to set DTC P1200.
| • | An incorrect voltage level is being detected on an injector control circuit. |
| • | The above condition is present for longer than 5 seconds. |
| • | The PCM will illuminate the malfunction indicator lamp (MIL) during the first trip in which the diagnostic runs and fails. |
| • | If equipped with traction control, the PCM will command the EBTCM via the serial data circuit to turn OFF traction control and illuminate the TRACTION OFF lamp. |
| • | The PCM will store conditions which were present when the DTC set as Freeze Frame and Fail Records data. |
| • | The PCM will turn OFF the MIL during the third consecutive trip in which the diagnostic has been run and passed. |
| • | The History DTC will clear after 40 consecutive warm-up cycles have occurred without a malfunction. |
| • | The DTC can be cleared by using the scan tool. |
The misfire history counters may be useful in determining which injector circuit is malfunctioning. If DTC P0300 was set, look at the Misfire History Cyl # scan tool display for each cylinder. The largest value stored in the misfire history counters will indicate the location of the malfunctioning injector circuit or injector.
Check for the following conditions:
| • | Poor connection at the PCM. |
| Inspect harness connectors for backed out terminals, improper mating, broken locks, improperly formed or damaged terminals, and poor terminal to wire connection. |
| • | Damaged harness. |
| Inspect the wiring harness for damage. |
Reviewing the Fail Records vehicle mileage since the diagnostic test last failed may help determine how often the condition that caused the DTC to be set occurs. This may assist in diagnosing the condition.
Number(s) below refer to the step number(s) on the Diagnostic Table.
The Misfire Current Cylinder # and Misfire History Cylinder # counters dislayed on the scan tool may be helpful in isolating which injector control circuit caused DTC P1200 to be set. The DTC P1200 diagnostic table must be completed to determine whether the problem was caused by wiring, a malfunctioning injector, or a malfunctioning PCM.
Checks for malfunctioning injector control circuit or ignition feed wiring.
Checks for a malfunction in the injector ignition feed circuit.
Checks for a short to ground in the injector control circuit.
Checks for an open in the injector control circuit.
This vehicle is equipped with a PCM which utilizes an Electrically Erasable Programmable Read Only Memory (EEPROM). When the PCM is being replaced, the new PCM must be programmed.
Step | Action | Value(s) | Yes | No | ||||
|---|---|---|---|---|---|---|---|---|
1 | Was the Powertrain On-Board Diagnostic (OBD) System Check performed? | -- | ||||||
With the engine idling, monitor Specific DTC info for DTC P1200 on the scan tool. Does the scan tool indicate DTC P1200 failed this ign? | -- | |||||||
3 |
Does the scan tool indicate DTC P1200 failed this ign? | -- | Refer to Diagnostic Aids | |||||
Do all injector control circuits measure near the specified value? | B+ | |||||||
5 | Check the injectors. Refer to Fuel Injector Solenoid Coil Test . Are the injectors OK? | -- | ||||||
6 |
Do all injector control circuits measure near the specified value? | 0V | ||||||
7 |
Was a problem found? | -- | ||||||
8 |
Was a problem found? | -- | ||||||
Does the ignition feed circuit measure near the specified value? | B+ | |||||||
Probe the injector control circuit at the affected injector connector(s) with a test light to B+. Is the test light ON? | -- | |||||||
Is the test light ON? | -- | |||||||
12 |
Was a problem found? | -- | ||||||
13 | Locate and repair open in affected injector control circuit(s). Refer to Repair Procedure in Electrical Diagnosis. Is action complete? | -- | -- | |||||
14 | Locate and repair open or short to ground in ignition feed circuit to affected injector(s). Refer to Repair Procedures in Electrical Diagnosis. Is action complete? | -- | -- | |||||
15 | Locate and repair short to ground in affected injector control circuit(s). Refer to Repair Procedures in Electrical Diagnosis. Is action complete? | -- | -- | |||||
16 | Locate and repair short to voltage on the injector control circuit(s) that did not measure near the specified value. Refer to Repair Procedures in Electrical Diagnosis. Is action complete? | 0v | -- | |||||
17 | Replace malfunctioning injector(s).
Is action complete? | -- | -- | |||||
Replace the PCM. Important:: The replacement PCM must be programmed. Refer to Powertrain Control Module Replacement/Programming . Is action complete? | -- | -- | ||||||
19 |
Does the scan tool indicate DTC P1200 failed this ign? | -- | System OK |