GM Service Manual Online
For 1990-2009 cars only

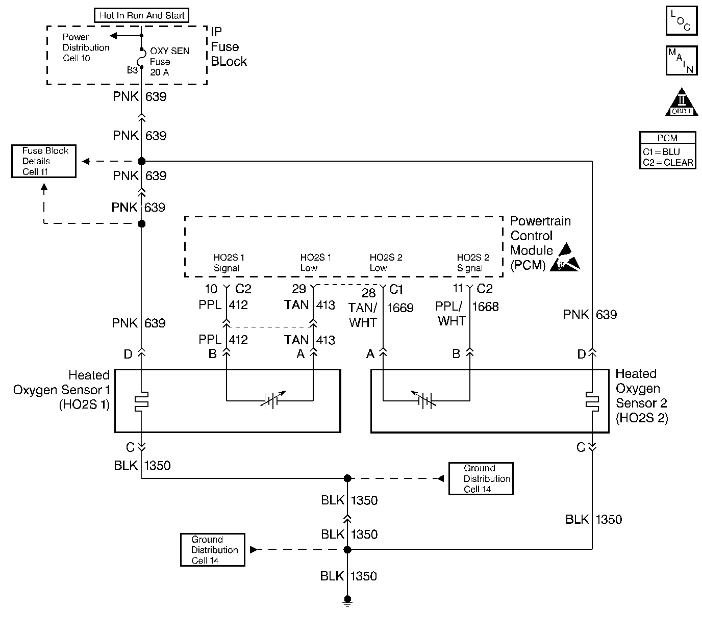
Object Number: 197630  Size: LF
Engine Controls Component Views VIN 1
Cell 20: Heated Oxygen Sensors
OBD II Symbol Description Notice

Circuit Description

The PCM supplies a bias voltage of about 450 mV between the HO2S signal and low circuits. When measured with a 10 megohm digital voltmeter, this may display as low as 320 mV. The oxygen sensor varies the voltage within a range of about 1000 mV when the exhaust is rich, down through about 10 mV when exhaust is lean. The PCM constantly monitors the HO2S signal during closed loop operation and compensates for a rich or lean condition by decreasing or increasing injector pulse width as necessary. If the HO2S 1 voltage remains excessively high for an extended period of time, DTC P0132 will be set.

Conditions for Setting the DTC

    • No active EGR, Transaxle, TP sensor, EVAP system, misfire, IAT sensor, MAP sensor, fuel trim, fuel injector circuit, ECT sensor, or MAF sensor DTC(s) present.
    • Closed loop commanded air/fuel ratio is between 14.5 and 14.8.
    • Throttle angle is between 3% and 40%.
    • HO2S 1 signal voltage remains above 800 mV during normal closed loop operation.
    • The above conditions are present for longer than 50 seconds.

OR

    • HO2S 1 signal voltage remains above 110 mV during deceleration fuel mode operation.
    • The above condition is present for longer than 30 seconds.

Action Taken When the DTC Sets

    • The PCM will illuminate the malfunction indicator lamp (MIL) during the second consecutive trip in which the diagnostic test has been run and failed.
    • The PCM will store conditions which were present when the DTC set as Freeze Frame and Failure Records data.

Conditions for Clearing the MIL/DTC

    • The PCM will turn OFF the MIL during the third consecutive trip in which the diagnostic has been run and passed.
    • The History DTC will clear after 40 consecutive warm-up cycles have occurred without a malfunction.
    • The DTC can be cleared by using the scan tool.

Diagnostic Aids

Check the following items:

    • Fuel Pressure: The system will go rich if pressure is too high. The PCM can compensate for some increase. However, if fuel pressure is too high, a DTC P0132 may be set.
       - Refer to Fuel System Pressure Test (VIN 1) .
       - Fuel injector(s): Refer to Fuel Injector Solenoid Coil Test - Engine Coolant Temperature Between 10-35 Degrees C (50-95 Degrees F) or Fuel Injector Solenoid Coil Test - Engine Coolant Temperature Outside 10-35 Degrees C (50-95 Degrees F) .
    • Check the EVAP Canister for fuel saturation. If the EVAP Canister is full of fuel, check the canister control and hoses. Refer to Evaporative Emission (EVAP) Control System.
    • Mass Air Flow Sensor: Disconnect the MAF sensor and see if the rich condition is corrected. If so, replace the MAF sensor.
    • Fuel Pressure Regulator: Check for a leaking fuel pressure regulator diaphragm by checking vacuum line to regulator for the presence of fuel. If a problem is found, replace the fuel pressure regulator. Refer to Fuel Pressure Regulator Replacement .
    • TP Sensor: An intermittent TP sensor output will cause the system to go rich due to a false indication of the engine accelerating. Throttle Angle displayed on a scan tool should increase steadily from 0% to 100% when opening the throttle. If not, check the TP sensor for loose mounting screws. If the TP mounting screws are OK, replace the TP sensor. Refer to Throttle Position Sensor Replacement .
    • Shorted Heated Oxygen Sensor (HO2S): If the HO2S is internally shorted the HO2S voltage displayed on the scan tool will be over 1 volt. Disconnect the affected HO2S and jumper the HO2S low circuit to ground with the key ON, engine not running. If the displayed HO2S voltage changes from over 1000 mV to around 450 mV, replace the HO2S. Silicon contamination of the HO2S can also cause a high HO2S voltage to be indicated. This condition is indicated by a powdery white deposit on the portion of the HO2S exposed to the exhaust stream. If contamination is noticed, replace the affected HO2S. Refer to Heated Oxygen Sensor Replacement .
    • Open HO2S Signal or Low Circuit or Malfunctioning HO2S: A poor connection or open in the HO2S signal or low circuit can cause the DTC to set during deceleration fuel mode. An HO2S which is malfunctioning and not allowing a full voltage swing between the rich and lean thresholds can also cause this condition. Operate the vehicle while monitoring the HO2S voltage with a scan tool. If the HO2S voltage is limited within a range between 300 mV to 600 mV, check the HO2S signal and low circuit wiring and associated terminal connections.
    •  If the wiring and connections are OK, replace the affected HO2S. Refer to Heated Oxygen Sensor Replacement .

Test Description

Number(s) below refer to step numbers on the diagnostic table:

  1. DTC P0132 failing during deceleration fuel mode operation (vehicle speed above 40 km/h / 25 mph, TP angle less than 3%) may indicate a condition described in Diagnostic Aids. If the DTC P0132 test passes while the Fail Records conditions are being duplicated, an intermittent condition is indicated. Reviewing the Fail Records vehicle mileage since the diagnostic test last failed may help determine how often the condition that caused the DTC to be set occurs. This may assist in diagnosing the condition.

  2. This vehicle is equipped with a PCM which utilizes an Electrically Erasable Programmable Read Only Memory (EEPROM). When the PCM is being replaced, the new PCM must be programmed.

DTC P0132 - HO2S Circuit High Voltage Sensor 1

Step

Action

Value(s)

Yes

No

1

Was the Powertrain On-Board Diagnostic (OBD) System Check performed?

--

Go to Step 2

Go to Powertrain On Board Diagnostic (OBD) System Check

2

  1. Engine at operating temperature.
  2. Operate the vehicle within parameters specified under DTC P0132 Conditions for Setting the DTC.
  3. Monitor HO2S 1 voltage display on the scan tool HO2S data list.

Does the HO2S 1 voltage remain above the specified value?

800 mV

Go to Step 5

Go to Step 3

3

Operate the vehicle in Decel fuel mode (vehicle speed above 40 km/h / 25 mph, TP angle less than 3%) while monitoring HO2S 1 voltage display on the scan tool HO2S data list.

Does the HO2S 1 voltage remain above the specified value while in Decel fuel mode?

110 mV

Go to Step 5

Go to Step 4

4

  1. Review and record scan tool Fail Records data.
  2. Operate the vehicle within Fail Records conditions.
  3. Using a scan tool, monitor Specific DTC info for DTC P0132 until the DTC P0132 test runs.

Does the scan tool indicate DTC P0132 failed this ign?

--

Go to Step 5

Refer to Diagnostic Aids

5

Disconnect HO2S 1 and jumper HO2S low circuit to ground.

Does the scan tool indicate HO2S 1 voltage near the specified value?

450 mV

Refer to Diagnostic Aids

Go to Step 6

6

  1. Turn OFF the ignition switch.
  2. Disconnect PCM connector.
  3. Turn ON the ignition switch.
  4. Using a J 39200 Digital Multimeter, measure voltage between the HO2S 1 sensor signal at the PCM harness connector and ground.

Does the digital multimeter indicate a voltage greater than specified value?

600 mV

Go to Step 7

Go to Step 8

7

Repair short to voltage in the HO2S 1 signal circuit . Refer to Heated Oxygen Sensor Wiring Repairs in Wiring Systems.

Is action complete?

--

Go to Step 9

--

8

Replace the PCM. Refer to Powertrain Control Module Replacement/Programming .

Important:: The replacement PCM must be programmed. Refer to Powertrain Control Module Replacement/Programming .

Is action complete?

--

Go to Step 9

--

9

  1. Review and record scan tool Fail Records data.
  2. Clear DTCs.
  3. Operate the vehicle within Fail Records conditions.
  4. Using a scan tool, monitor Specific DTC info for DTC P0132 until the DTC P0132 test runs.

Does the scan tool indicate DTC P0132 failed this ign?

--

Go to Step 2

System OK