GM Service Manual Online
For 1990-2009 cars only
Figure 1:

Cell 10: Battery


Object Number: 342241  Size: FS
Power and Grounding Component Views
Cell 10: IGN 1 Fuse, Ignition Switch
Ground Distribution Schematics
Figure 2:

Cell 10: IGN 1 Fuse, Ignition Switch


Object Number: 342244  Size: FS
Power and Grounding Component Views
Cell 10: IGN 3 Fuse, Ignition Switch (Buick)
Cell 10: Battery
Cell 10: Engine Compartment Junction Block
Cell 10: Engine Compartment Junction Block
Cell 10: Battery
Figure 3:

Cell 10: IGN 3 Fuse, Ignition Switch (Buick)


Object Number: 342247  Size: FS
Power and Grounding Component Views
Cell 10: IGN 3 Fuse, Ignition Switch (Oldsmobile)
Cell 10: IGN 1 Fuse, Ignition Switch
Cell 10: Ignition Switch
Cell 10: Ignition Switch
Cell 10: Ignition Switch
Cell 10: Ignition Switch
Cell 10: Battery
Figure 4:

Cell 10: IGN 3 Fuse, Ignition Switch (Oldsmobile)


Object Number: 342251  Size: FS
Power and Grounding Component Views
Cell 10: ABS PUMP MOTOR Fuse, ABS MAIN Fuse, and COOLING FAN Fuse
Cell 10: IGN 3 Fuse, Ignition Switch (Buick)
Cell 10: RH Rear Junction Block
Cell 10: RH Rear Junction Block
Cell 10: RH Rear Junction Block
Cell 10: RH Rear Junction Block
Cell 10: Battery
Figure 5:

Cell 10: ABS PUMP MOTOR Fuse, ABS MAIN Fuse, and COOLING FAN Fuse


Object Number: 342253  Size: FS
Power and Grounding Component Views
Cell 10: HORN Fuse and FOG LAMP Fuse
Cell 10: IGN 3 Fuse, Ignition Switch (Oldsmobile)
Handling ESD Sensitive Parts Notice
Figure 6:

Cell 10: HORN Fuse and FOG LAMP Fuse


Object Number: 342255  Size: FS
Power and Grounding Component Views
Cell 10: PCM/VATS Fuse and BOSE® Fuse
Cell 10: ABS PUMP MOTOR Fuse, ABS MAIN Fuse, and COOLING FAN Fuse
Cell 10: Battery
Figure 7:

Cell 10: PCM/VATS Fuse and BOSE® Fuse


Object Number: 342257  Size: FS
Power and Grounding Component Views
Cell 10: HDLP, HVAC BLO MOT, and PWR ST Circuit Breakers
Cell 10: HORN Fuse and FOG LAMP Fuse
Handling ESD Sensitive Parts Notice
Figure 8:

Cell 10: HDLP, HVAC BLO MOT, and PWR ST Circuit Breakers


Object Number: 342258  Size: FS
Power and Grounding Component Views
Cell 10: TRUNK F/DR REL Fuse, ELC Fuse, and DEFOG RR Fuse
Cell 10: PCM/VATS Fuse and BOSE® Fuse
Cell 10: Battery
Handling ESD Sensitive Parts Notice
Figure 9:

Cell 10: TRUNK F/DR REL Fuse, ELC Fuse, and DEFOG RR Fuse


Object Number: 342259  Size: FS
Power and Grounding Component Views
Cell 10: HTD ST/IP Fuse and EXT LP Fuse
Cell 10: HDLP, HVAC BLO MOT, and PWR ST Circuit Breakers
Cell 10: Battery
Cell 10: Battery
Figure 10:

Cell 10: HTD ST/IP Fuse and EXT LP Fuse


Object Number: 342261  Size: FS
Power and Grounding Component Views
Cell 10: LINEAR EGR Fuse and CNVRTR OXYGEN SENSORS Fuse (Oldsmobile)
Cell 10: TRUNK F/DR REL Fuse, ELC Fuse, and DEFOG RR Fuse
Cell 10: Battery
Figure 11:

Cell 10: LINEAR EGR Fuse and CNVRTR OXYGEN SENSORS Fuse (Oldsmobile)


Object Number: 342265  Size: FS
Power and Grounding Component Views
Cell 10: OXYGEN SENSORS Fuse (Buick)
Cell 10: HTD ST/IP Fuse and EXT LP Fuse
Cell 10: Battery
Figure 12:

Cell 10: OXYGEN SENSORS Fuse (Buick)


Object Number: 342266  Size: FS
Power and Grounding Component Views
Cell 10: RH EXT LPS Fuse
Cell 10: LINEAR EGR Fuse and CNVRTR OXYGEN SENSORS Fuse (Oldsmobile)
Cell 10: Battery
Handling ESD Sensitive Parts Notice
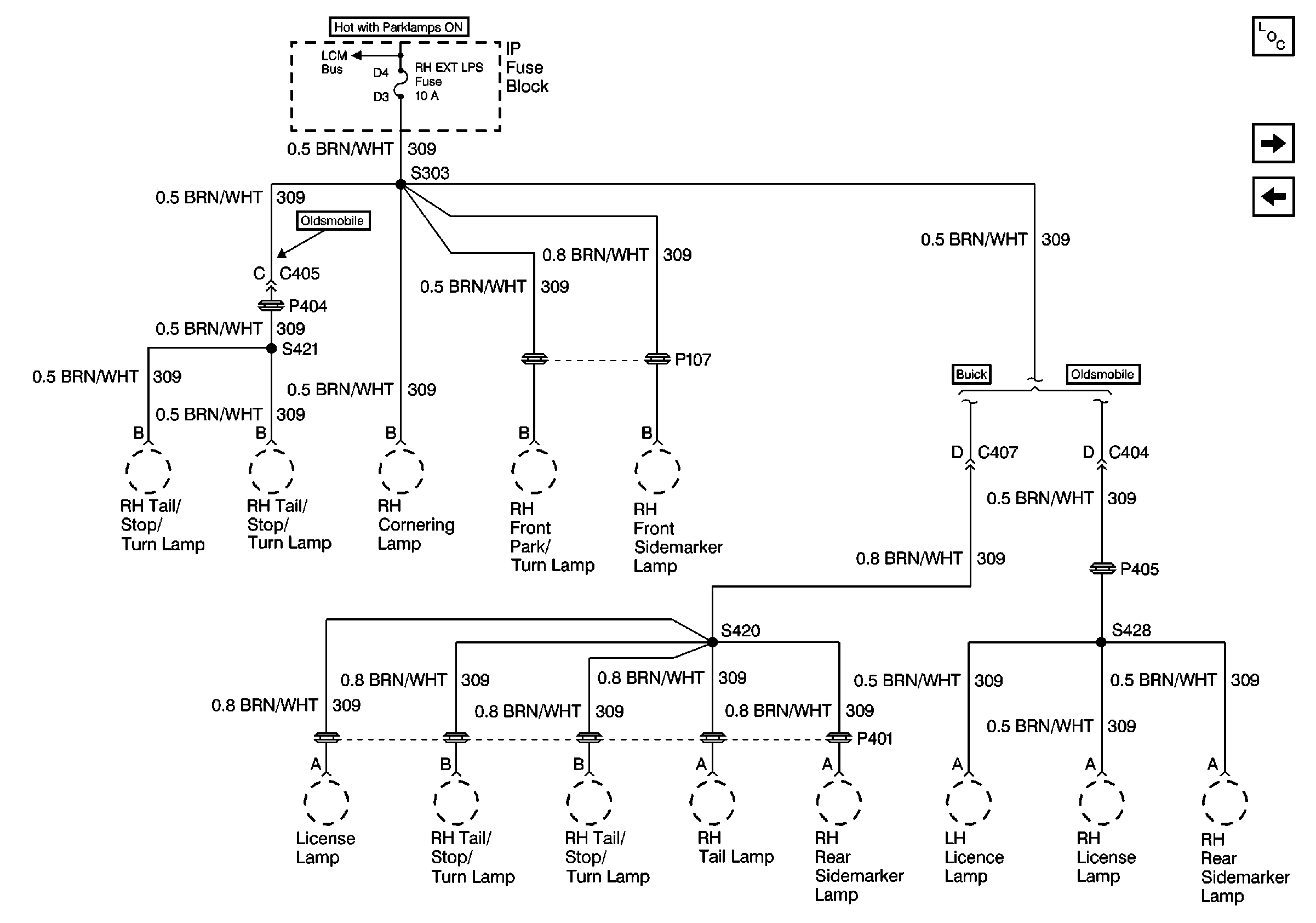
Figure 13:

Cell 10: RH EXT LPS Fuse


Object Number: 342267  Size: FS
Power and Grounding Component Views
Cell 10: HVAC CONT Fuse (Oldsmobile)
Cell 10: OXYGEN SENSORS Fuse (Buick)
Cell 10: Battery
Figure 14:

Cell 10: LH EXT LPS Fuse


Object Number: 342268  Size: FS
Power and Grounding Component Views
Cell 10: HVAC CONT Fuse (Oldsmobile)
Cell 10: RH EXT LPS Fuse
Cell 10: Battery
Figure 15:

Cell 10: HVAC CONT Fuse (Oldsmobile)


Object Number: 342270  Size: FS
Power and Grounding Component Views
Cell 10: HVAC CONT Fuse (1 of 2) (Buick)
Cell 10: RH EXT LPS Fuse
Cell 10: Battery
Cell 11: Automatic Level Control Sensor
Figure 16:

Cell 10: HVAC CONT Fuse (1 of 2) (Buick)


Object Number: 342272  Size: FS
Power and Grounding Component Views
Cell 10: HVAC CONT Fuse (2 of 2) (Buick)
Cell 10: HVAC CONT Fuse (Oldsmobile)
Cell 10: HVAC CONT Fuse (2 of 2) (Buick)
Cell 10: HVAC CONT Fuse (2 of 2) (Buick)
Cell 10: Battery
Figure 17:

Cell 10: HVAC CONT Fuse (2 of 2) (Buick)


Object Number: 342273  Size: FS
Power and Grounding Component Views
Cell 10: TURNLPS Fuse, FLAT PACK MTR Fuse, PERIM LP Fuse, and ABS Fuse
Cell 10: HVAC CONT Fuse (1 of 2) (Buick)
Handling ESD Sensitive Parts Notice
Cell 10: HVAC CONT Fuse (1 of 2) (Buick)
Cell 10: HVAC CONT Fuse (1 of 2) (Buick)
Figure 18:

Cell 10: TURNLPS Fuse, FLAT PACK MTR Fuse, PERIM LP Fuse, and ABS Fuse


Object Number: 342275  Size: FS
Power and Grounding Component Views
Cell 10: INJ Fuses
Cell 10: HVAC CONT Fuse (2 of 2) (Buick)
Handling ESD Sensitive Parts Notice
Handling ESD Sensitive Parts Notice
Cell 10: Battery
Cell 10: Battery
Figure 19:

Cell 10: INJ Fuses


Object Number: 342274  Size: FS
Power and Grounding Component Views
Cell 10: HVAC BLOWER Fuse, AIR BAG Fuse, and WSW Fuse
Cell 10: TURNLPS Fuse, FLAT PACK MTR Fuse, PERIM LP Fuse, and ABS Fuse
OBD II Symbol Description Notice
Cell 10: Battery
Figure 20:

Cell 10: HVAC BLOWER Fuse, AIR BAG Fuse, and WSW Fuse


Object Number: 342276  Size: FS
Power and Grounding Component Views
Cell 10: RADIO Fuse and CRANK Fuse
Cell 10: INJ Fuses
Handling ESD Sensitive Parts Notice
Handling ESD Sensitive Parts Notice
SIR Handling Caution
Cell 10: Battery
Figure 21:

Cell 10: RADIO Fuse and CRANK Fuse


Object Number: 342278  Size: FS
Power and Grounding Component Views
Cell 10: AUX PWR Fuse and CRUISE CNTRL Fuse
Cell 10: HVAC BLOWER Fuse, AIR BAG Fuse, and WSW Fuse
Handling ESD Sensitive Parts Notice
Handling ESD Sensitive Parts Notice
SIR Handling Caution
Figure 22:

Cell 10: AUX PWR Fuse and CRUISE CNTRL Fuse


Object Number: 342279  Size: FS
Power and Grounding Component Views
Cell 10: C/LTR Fuse and TMNSS Fuse
Cell 10: RADIO Fuse and CRANK Fuse
Handling ESD Sensitive Parts Notice
Cell 10: Battery
Figure 23:

Cell 10: C/LTR Fuse and TMNSS Fuse


Object Number: 342280  Size: FS
Power and Grounding Component Views
Cell 10: PCM Fuse, DIS Fuse, and FOG LAMPS Fuse (Oldsmobile)
Cell 10: AUX PWR Fuse and CRUISE CNTRL Fuse
Cell 10: Battery
Figure 24:

Cell 10: PCM Fuse, DIS Fuse, and FOG LAMPS Fuse (Oldsmobile)


Object Number: 342282  Size: FS
Power and Grounding Component Views
Cell 10: INT LPS Fuse
Cell 10: C/LTR Fuse and TMNSS Fuse
Cell 10: Battery
Handling ESD Sensitive Parts Notice
Handling ESD Sensitive Parts Notice
Handling ESD Sensitive Parts Notice
Handling ESD Sensitive Parts Notice
Figure 25:

Cell 10: PCM Fuse and MAF Fuse (Buick)


Object Number: 342283  Size: FS
Power and Grounding Component Views
Cell 10: INT LPS Fuse
Cell 10: PCM Fuse, DIS Fuse, and FOG LAMPS Fuse (Oldsmobile)
Cell 10: Battery
Handling ESD Sensitive Parts Notice
Handling ESD Sensitive Parts Notice
Handling ESD Sensitive Parts Notice
Handling ESD Sensitive Parts Notice
Handling ESD Sensitive Parts Notice
Figure 26:

Cell 10: INT LPS Fuse


Object Number: 342284  Size: FS
Power and Grounding Component Views
Cell 10: HVAC RELAY Fuse and CLNG FAN Fuse (Buick)
Cell 10: PCM Fuse, DIS Fuse, and FOG LAMPS Fuse (Oldsmobile)
Cell 10: Battery
Figure 27:

Cell 10: HVAC RELAY Fuse and CLNG FAN Fuse (Buick)


Object Number: 342285  Size: FS
Power and Grounding Component Views
Cell 10: HVAC RELAY Fuse and SHIFT SOL Fuse (Oldsmobile)
Cell 10: INT LPS Fuse
Cell 10: Battery
Figure 28:

Cell 10: HVAC RELAY Fuse and SHIFT SOL Fuse (Oldsmobile)


Object Number: 342286  Size: FS
Power and Grounding Component Views
Cell 10: CHIME(IGN 1) Fuse (Buick)
Cell 10: HVAC RELAY Fuse and CLNG FAN Fuse (Buick)
Cell 10: Battery
Figure 29:

Cell 10: CHIME(IGN 1) Fuse (Buick)


Object Number: 342288  Size: FS
Power and Grounding Component Views
Cell 10: PWR WDO/SUN RF Circuit Breaker
Cell 10: HVAC RELAY Fuse and SHIFT SOL Fuse (Oldsmobile)
Cell 10: Battery
Handling ESD Sensitive Parts Notice
Handling ESD Sensitive Parts Notice
Handling ESD Sensitive Parts Notice
Handling ESD Sensitive Parts Notice
Handling ESD Sensitive Parts Notice
Figure 30:

Cell 10: CHIME(IGN 1) Fuse (Oldsmobile)


Object Number: 342289  Size: FS
Power and Grounding Component Views
Cell 10: PWR WDO/SUN RF Circuit Breaker
Cell 10: CHIME(IGN 1) Fuse (Buick)
Handling ESD Sensitive Parts Notice
Handling ESD Sensitive Parts Notice
Handling ESD Sensitive Parts Notice
Handling ESD Sensitive Parts Notice
Figure 31:

Cell 10: PWR WDO/SUN RF Circuit Breaker


Object Number: 342290  Size: FS
Power and Grounding Component Views
Cell 10: CLG FAN Fuse, HTD MIR Fuse, RR DEFOG 1 Fuse, and RR DEFOG2 Fuse
Cell 10: CHIME(IGN 1) Fuse (Buick)
Handling ESD Sensitive Parts Notice
Handling ESD Sensitive Parts Notice
Figure 32:

Cell 10: CLG FAN Fuse, HTD MIR Fuse, RR DEFOG 1 Fuse, and RR DEFOG 2 Fuse


Object Number: 342291  Size: FS
Power and Grounding Component Views
Cell 10: PWR DR LK Fuse and BATT THER Fuse
Cell 10: PWR WDO/SUN RF Circuit Breaker
Cell 10: Battery
Cell 10: Battery
Figure 33:

Cell 10: PWR DR LK Fuse and BATT THER Fuse


Object Number: 342292  Size: FS
Power and Grounding Component Views
Cell 10: F/PMP Fuse, HZRD/STOP Fuse, and INTR LP Fuse
Cell 10: CLG FAN Fuse, HTD MIR Fuse, RR DEFOG 1 Fuse, and RR DEFOG2 Fuse
Handling ESD Sensitive Parts Notice
Cell 10: Battery
Figure 34:

Cell 10: F/PMP Fuse, HZRD/STOP Fuse, and INTR LP Fuse


Object Number: 342293  Size: FS
Power and Grounding Component Views
Cell 10: F/DR REL Fuse (Buick/Oldsmobile) and TRUNK REL Fuse (Buick)
Cell 10: PWR DR LK Fuse and BATT THER Fuse
Handling ESD Sensitive Parts Notice
Cell 10: Battery
Figure 35:

Cell 10: F/DR REL Fuse (Buick/Oldsmobile) and TRUNK REL Fuse (Buick)


Object Number: 342294  Size: FS
Power and Grounding Component Views
Cell 10: IP 2 Fuse and HTD ST Fuse
Cell 10: F/PMP Fuse, HZRD/STOP Fuse, and INTR LP Fuse
Cell 10: Battery
Figure 36:

Cell 10: IP 2 Fuse and HTD ST Fuse


Object Number: 342296  Size: FS
Power and Grounding Component Views
Cell 10: IP 1 Fuse (Buick)
Cell 10: F/DR REL Fuse (Buick/Oldsmobile) and TRUNK REL Fuse (Buick)
Handling ESD Sensitive Parts Notice
Handling ESD Sensitive Parts Notice
Handling ESD Sensitive Parts Notice
Handling ESD Sensitive Parts Notice
Handling ESD Sensitive Parts Notice
Cell 10: Battery
Figure 37:

Cell 10: IP 1 Fuse (Buick)


Object Number: 342297  Size: FS
Power and Grounding Component Views
Cell 10: IP 1 Fuse (1 of 2) (Oldsmobile)
Cell 10: IP 2 Fuse and HTD ST Fuse
Handling ESD Sensitive Parts Notice
Handling ESD Sensitive Parts Notice
Handling ESD Sensitive Parts Notice
Cell 10: Battery
Figure 38:

Cell 10: IP 1 Fuse (1 of 2) (Oldsmobile)


Object Number: 342299  Size: FS
Power and Grounding Component Views
Cell 10: IP 1 Fuse (2 of 2) (Oldsmobile)
Cell 10: IP 1 Fuse (Buick)
Handling ESD Sensitive Parts Notice
Handling ESD Sensitive Parts Notice
Cell 10: Battery
Figure 39:

Cell 10: IP 1 Fuse (2 of 2) (Oldsmobile)


Object Number: 342300  Size: FS
Power and Grounding Component Views
Cell 10: PWR ST Circuit Breaker
Cell 10: IP 1 Fuse (1 of 2) (Oldsmobile)
Handling ESD Sensitive Parts Notice
Cell 10: IP 1 Fuse (1 of 2) (Oldsmobile)
Figure 40:

Cell 10: PWR ST Circuit Breaker


Object Number: 342302  Size: FS
Power and Grounding Component Views
Cell 10: IP 1 Fuse (2 of 2) (Oldsmobile)
Handling ESD Sensitive Parts Notice
Handling ESD Sensitive Parts Notice