GM Service Manual Online
For 1990-2009 cars only

Interior Lights Schematics Buick

Figure 1:

Cell 114: PWR, GND, and Inputs


Object Number: 342004  Size: FS
Lighting Systems Components
Interior Lights Circuit Description
Cell 114: Rear Compartment, Door and Foot Well Courtesy Lamps
Power Distribution Schematics
Power Distribution Schematics
Power Distribution Schematics
Power Distribution Schematics
Handling ESD Sensitive Parts Notice
Handling ESD Sensitive Parts Notice
Ground Distribution Schematics
Ground Distribution Schematics
Ground Distribution Schematics
Cell 146
Cell 146
Body Control System Connector End Views
Figure 2:

Cell 114: Rear Compartment, Door and Foot Well Courtesy Lamps


Object Number: 342058  Size: FS
Lighting Systems Components
Interior Lights Circuit Description
Cell 114: Courtesy/Reading Lamps and Vanity Mirrors
Cell 114: PWR, GND, and Inputs
Cell 114: Courtesy/Reading Lamps and Vanity Mirrors
Cell 114: Courtesy/Reading Lamps and Vanity Mirrors
Ground Distribution Schematics
Ground Distribution Schematics
Body Control System Connector End Views
Figure 3:

Cell 114: Courtesy/Reading Lamps and Vanity Mirrors


Object Number: 342067  Size: FS
Lighting Systems Components
Interior Lights Circuit Description
Cell 114: IP Compartment and Underhood Lamps
Cell 114: Rear Compartment, Door and Foot Well Courtesy Lamps
Ground Distribution Schematics
Ground Distribution Schematics
Cell 114: Rear Compartment, Door and Foot Well Courtesy Lamps
Cell 114: Rear Compartment, Door and Foot Well Courtesy Lamps
Cell 136
Body Control System Connector End Views
Figure 4:

Cell 114: IP Compartment and Underhood Lamps


Object Number: 342064  Size: FS
Lighting Systems Components
Interior Lights Circuit Description
Cell 114: Courtesy/Reading Lamps and Vanity Mirrors
Ground Distribution Schematics
Ground Distribution Schematics
Ground Distribution Schematics
Power Distribution Schematics
Power Distribution Schematics
Power Distribution Schematics
Power Distribution Schematics

Interior Lights Schematics Oldsmobile

Figure 1:

Cell 114: PWR, GND, and Inputs


Object Number: 342002  Size: FS
Lighting Systems Components
Interior Lights Circuit Description
Cell 114: Rear Compartment, Door and Foot Well Courtesy Lamps
Ground Distribution Schematics
Ground Distribution Schematics
Ground Distribution Schematics
Power Distribution Schematics
Power Distribution Schematics
Power Distribution Schematics
Power Distribution Schematics
Handling ESD Sensitive Parts Notice
Handling ESD Sensitive Parts Notice
Body Control System Connector End Views
Figure 2:

Cell 114: Rear Compartment, Door and Foot Well Courtesy Lamps


Object Number: 342058  Size: FS
Lighting Systems Components
Interior Lights Circuit Description
Cell 114: Courtesy/Reading Lamps and Vanity Mirrors
Cell 114: PWR, GND, and Inputs
Cell 114: Courtesy/Reading Lamps and Vanity Mirrors
Cell 114: Courtesy/Reading Lamps and Vanity Mirrors
Ground Distribution Schematics
Ground Distribution Schematics
Body Control System Connector End Views
Figure 3:

Cell 114: Courtesy/Reading Lamps and Vanity Mirrors


Object Number: 342076  Size: FS
Lighting Systems Components
Interior Lights Circuit Description
Cell 114: PRNDL Indicator, Console Compartment, and IP Compartment
Cell 114: Rear Compartment, Door and Foot Well Courtesy Lamps
Ground Distribution Schematics
Ground Distribution Schematics
Cell 114: Rear Compartment, Door and Foot Well Courtesy Lamps
Cell 114: Rear Compartment, Door and Foot Well Courtesy Lamps
Cell 136
Body Control System Connector End Views
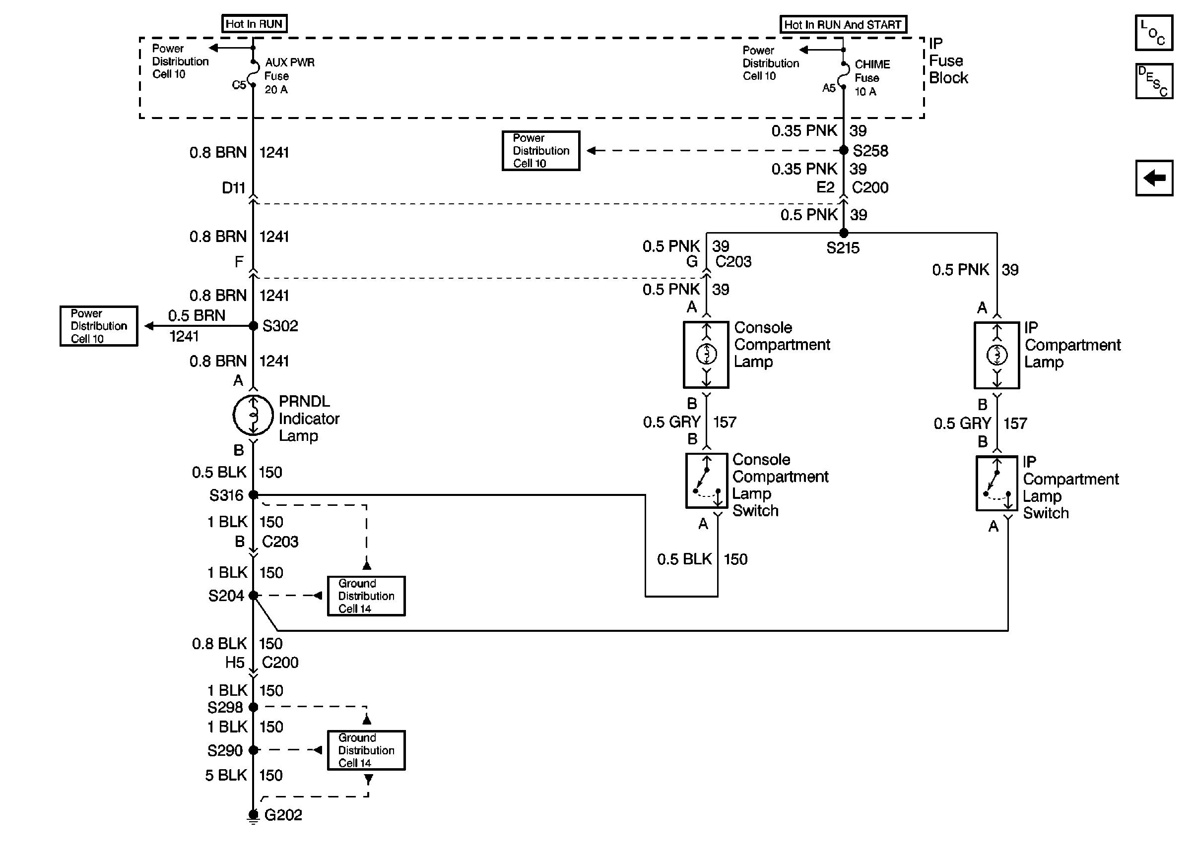
Figure 4:

Cell 114: PRNDL Indicator, Console Compartment, and IP Compartment


Object Number: 342078  Size: FS
Lighting Systems Components
Interior Lights Circuit Description
Cell 114: Courtesy/Reading Lamps and Vanity Mirrors
Power Distribution Schematics
Power Distribution Schematics
Power Distribution Schematics
Power Distribution Schematics
Ground Distribution Schematics
Ground Distribution Schematics