GM Service Manual Online
For 1990-2009 cars only
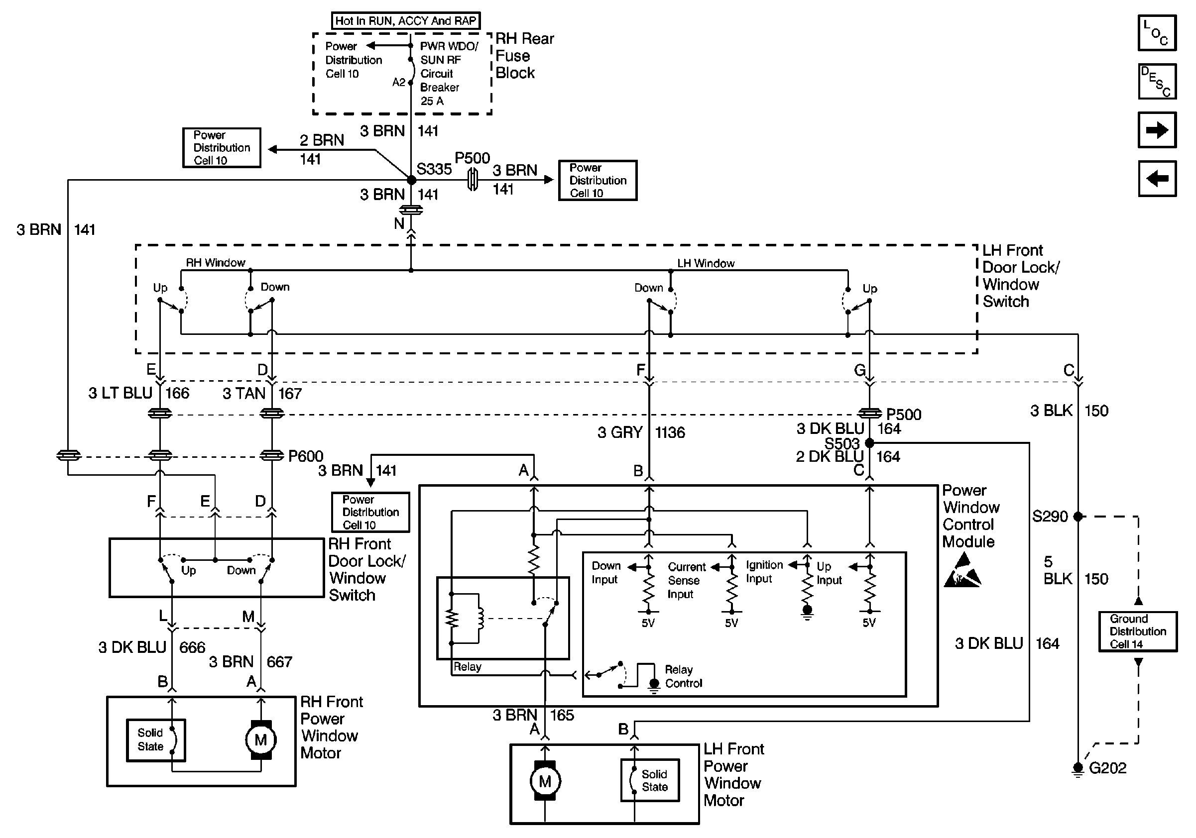
Figure 1:

Cell 120: Oldsmobile (1 of 2)


Object Number: 342322  Size: FS
Power Door Systems Components
Power Windows Circuit Description
Cell 120: Oldsmobile (2 of 2)
Cell 10: PWR WDO/SUN RF Circuit Breaker
Cell 10: PWR WDO/SUN RF Circuit Breaker
Cell 10: PWR WDO/SUN RF Circuit Breaker
Cell 120: Oldsmobile (2 of 2)
Figure 2:

Cell 120: Oldsmobile (2 of 2)


Object Number: 357788  Size: FS
Power Door Systems Component Views
Power Windows Circuit Description
Cell 120: Buick
Cell 120: Oldsmobile (1 of 2)
Cell 14: G202 (Oldsmobile 1 of 3)
Handling ESD Sensitive Parts Notice
Cell 10: PWR WDO/SUN RF Circuit Breaker
Cell 120: Oldsmobile (1 of 2)
Figure 3:

Cell 120: Buick


Object Number: 342323  Size: FS
Power Door Systems Component Views
Power Windows Circuit Description
Cell 120: Express Down Module
Cell 120: Oldsmobile (2 of 2)
Cell 10: PWR WDO/SUN RF Circuit Breaker
Cell 10: PWR WDO/SUN RF Circuit Breaker
Cell 10: PWR WDO/SUN RF Circuit Breaker
Handling ESD Sensitive Parts Notice
Cell 14: G202 (Buick 1 of 3)
Cell 10: PWR WDO/SUN RF Circuit Breaker
Figure 4:

Cell 120: Express Down Module


Object Number: 342324  Size: FS
Power Door Systems Component Views
Power Windows Circuit Description
Cell 120: Buick
Handling ESD Sensitive Parts Notice
Cell 120: Oldsmobile (2 of 2)
Cell 120: Buick
Cell 120: Oldsmobile (2 of 2)
Cell 120: Buick
Cell 120: Oldsmobile (2 of 2)
Cell 120: Buick
Cell 120: Oldsmobile (2 of 2)
Cell 120: Buick
Cell 14: G202 (Oldsmobile 1 of 3)