GM Service Manual Online
For 1990-2009 cars only

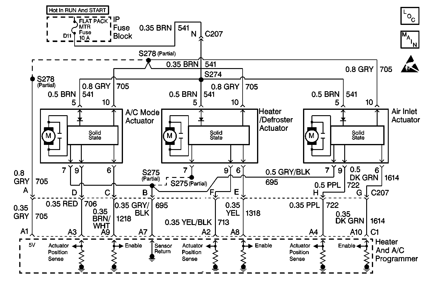
Object Number: 403985  Size: MF
Handling ESD Sensitive Parts Notice
HVAC Components
Cell 68: Actuator

Circuit Description

The HVAC programmer commands the actuator to move by suppling battery voltage. The feedback supplied to the HVAC programmer is a regulated 5 volts. The feedback voltage is a function of the motor position with a high voltage of 4-5 volts indicating full cold door position. A low voltage of less than 1 volt indicates the full hot position. Operation of the air mix door actuator can be evaluated through the Scan Tool .

Conditions for Setting the DTC

The ignition is ON.

Action Taken When the DTC Sets

Only the full hot or full cold may be used by the system.

Conditions for Clearing the DTC

    • Using a Scan Tool .
    • A history DTC will clear when 40 consecutive ignition cycles have occurred without a malfunction.
    • HVAC programmer battery voltage is interrupted.

Test Description

  1. This test allows the Scan Tool to command the actuators to determine that proper movement is being achieved.

Step

Action

Value(s)

Yes

No

1

Did you perform the Diagnostic System Check?

--

Go to Step 2

Go to Diagnostic System Check

2

  1. Turn on the ignition.
  2. Using the scan tool, select the outputs.
  3. Exercise the defroster actuator to COM High and to COM Low.

  4. Compare the COM high and low values.

Are the values within the specified ranges?

COM High 245

COM Low 10

Go to Step 4

Go to Step 3

3

Replace the heater and A/C programmer. Refer to Programmer Replacement .

Did you complete the repair?

--

Go to Step 22

--

4

  1. Using the scan tool, exercise the defroster actuator to COM High and to COM Low.
  2. Compare the ACT high and low values.

Are the values within the specified ranges?

ACT High 178-188

ACT Low 40-72

Go to Step 3

Go to Step 5

5

Using the scan tool, exercise defroster actuator to COM High and to COM Low. Inspect the door movement through the airflow change or through a visual inspection.

Does the defroster actuator respond correctly?

--

Go to Step 7

Go to Step 12

6

Test the defroster actuator to programmer sense circuit for the following conditions:

    • A poor connections
    • An open
    • A short to ground

Refer to Intermittents and Poor Connections Diagnosis or Testing for Continuity or Testing for Short to Ground in Wiring Systems.

Did you find and correct the condition?

--

Go to Step 22

Go to Step 9

7

  1. Disconnect the defroster actuator connector.
  2. Measure the voltage between terminal 10 and terminal 7.

Refer to Measuring Voltage in Wiring Systems.

Does the voltage measure near the specified value?

5 V

Go to Step 6

Go to Step 8

8

Test CKT 705 (GRY) between the defroster actuator connector pin 10 and the programmer connector C1 terminal A1 for the following conditions:

    • A poor connection
    • An open
    • A short to ground

Refer to Intermittents and Poor Connections Diagnosis or Testing for Continuity or Testing for Short to Ground in Wiring Systems.

Did you find and correct the condition?

--

Go to Step 22

Go to Step 3

9

Measure the resistance between the defroster actuator connector pin 7 and pin 10.

Refer to Testing for Continuity in Wiring Systems.

Does the resistance measure near the specified value?

8.5 ohms

Go to Step 10

Go to Step 11

10

Measure the resistance between the defroster actuator connector pin 7 and pin 9.

Refer to Measuring Voltage in Wiring Systems.

Does the resistance measure within the specified range?

1.7-7.5 ohms

Go to Step 3

Go to Step 11

11

Replace the defroster actuator. Refer to Defroster Valve Actuator Replacement .

Did you complete the repair?

--

Go to Step 22

--

12

  1. Disconnect the defroster actuator.
  2. Test for voltage between the connector terminal 5 and terminal 7.

Refer to Measuring Voltage in Wiring Systems.

Does the voltage measure near the specified value?

10-15 V

Go to Step 15

Go to Step 13

13

Test CKT 541 (BRN) between the IP fuse block flat pack MTR fuse and defroster actuator connector pin 5 for the following conditions:

    • A poor connection
    • An open
    • A short to ground

Did you find and correct the condition?

--

Go to Step 22

Go to Step 14

14

Test CKT 695 (GRY/BLK) between the programmer connector C1 terminal A7 and the defroster actuator connector terminal 7 for the following conditions:

    • A poor connection
    • An open
    • A short to voltage

Refer to Intermittents and Poor Connections Diagnosis or Testing for Continuity or Testing for Short to Ground in Wiring Systems.

Did you find and correct the condition?

--

Go to Step 22

--

15

Test for voltage between the defroster connector terminal 7 and terminal 10.

Does the voltage measure near the specified value?

5 V

Go to Step 17

Go to Step 16

16

Test CKT 705 between the programmer connector C1 terminal A1 and the defroster actuator connector terminal 10 for the following conditions:

    • A poor connection
    • An open
    • A short to voltage

Refer to Intermittents and Poor Connections Diagnosis or Testing for Continuity or Testing for Short to Ground in Wiring Systems.

Did you find and correct the condition?

--

Go to Step 22

--

17

  1. Disconnect the enable circuit terminal from the defroster actuator connector cavity 6.
  2. Connect the defroster actuator without the enable circuit connected.
  3. With the ignition on, measure the voltage from the enable circuit terminal to ground.

Refer to Measuring Voltage in Wiring Systems.

Does the voltage measure near the specified value?

2.5 V

Go to Step 19

Go to Step 18

18

Test the enable circuit between the programmer and the defroster actuator connector for the following conditions:

    • A poor connection
    • An open
    • A short to voltage

Refer to Intermittents and Poor Connections Diagnosis or Testing for Continuity or Testing for Short to Ground in Wiring Systems.

Did you find and correct the condition?

--

Go to Step 22

Go to Step 3

19

  1. Use the scan tool in order to exercise on and off the defroster actuator.
  2. Observe the voltage on the enable circuit.

Refer to Measuring Voltage in Wiring Systems.

Does the voltage measure near the specified values when the proper function is exercised?

0 V

5 V

Go to Step 20

Go to Step 3

20

  1. Remove the defroster actuator. Refer to Defroster Valve Actuator Replacement .
  2. Inspect the operation of the actuator door.

Does the door move freely through the full range of travel?

--

Go to Step 11

Go to Step 21

21

Repair the door of the defroster actuator as needed.

Did you complete the repair?

--

Go to Step 22

--

22

Using the scan tool clear all the DTCs.

Does the DTC reset?

--

Go to Step 2

Go to Diagnostic System Check