GM Service Manual Online
For 1990-2009 cars only

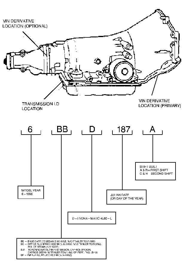
The HYDRA-MATIC 4L60-E transmission has the identification information stamped into the case pan rail.


Object Number: 106894  Size: MH

This information helps the service technician order the correct replacement parts from a GM parts catalog.

Additional transmission identification information is provided on the Service Parts Identification label. This label shows the Regular Production Options (RPO) as well as the standard and mandatory options. This label is affixed to the inside of each vehicle at the assembly plant. For more information, refer to General Information.


Object Number: 6480  Size: SH
(1)Vehicle Identification Number
(2)Wheel Base
(3)Part Number Location
(4)Model Designation
(5)Order Number
(6)Exterior Color
(7)Paint Technology

How to Use This Section

This section provides the following information:

    • General diagnosis information on transmissions
    • A detailed description of the Hydra-matic transmission operation
    • Procedures for diagnosing the Hydra-matic transmission

When you diagnose any condition of the Hydra-matic transmission, begin with the Functional Test Procedure. This procedure indicates the proper path of diagnosing the transmission by describing the basic checks. This procedure will then refer you to the locations of specific checks. After you have determined the cause of a condition, refer to Repair Instructions for repair procedures. If the faulty component is not serviceable without removing the transmission from the vehicle, refer to Unit Repair for repair information.

Basic Knowledge

Notice: Do not, under any circumstances, attempt to diagnose a powertrain condition without basic knowledge of this powertrain. If you perform diagnostic procedures without this basic knowledge, you may incorrectly diagnose the condition or damage the powertrain components.

You must be familiar with some basic electronics in order to use this section of the service manual. You should also be able to use the following special tools:

    • A digital multimeter (DMM)
    • A circuit tester
    • Jumper wires or leads
    • A line pressure gage set

The Functional Test Procedures verify the correct operation of electronic components in the transmission. These procedures eliminate the unnecessary removal of transmission components.

Diagnosis

Notice: If you probe a wire with a sharp instrument and do not properly seal the wire afterward, the wire corrodes and an open circuit results.

Diagnostic test probes are now available that allow you to probe individual wires without leaving the wire open to the environment. These probe devices are inexpensive and easy to install, and they permanently seal the wire from corrosion.