GM Service Manual Online
For 1990-2009 cars only
Figure 1:

PCM Power and VSS (VIN T)


Object Number: 26729  Size: FS
Automatic Transmission Components
Electronic Component Description
Brake Switch and Solenoids (VIN T)
OBD II Symbol Description Notice
Handling ESD Sensitive Parts Notice
Automatic Transmission Schematic References 2.4L VIN T
Automatic Transmission Schematic References 2.4L VIN T
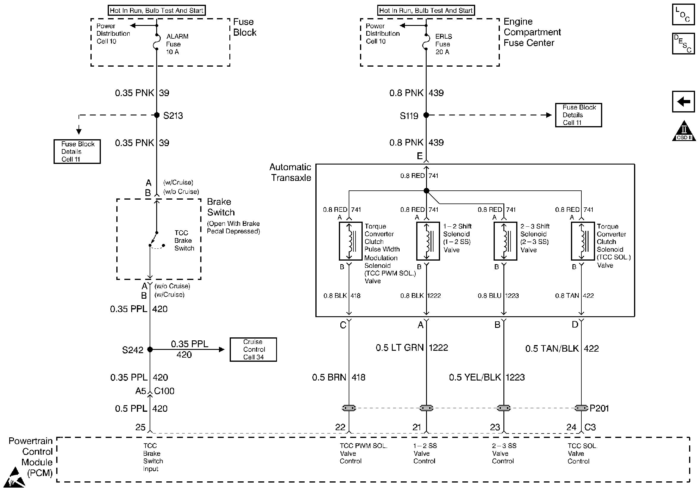
Figure 2:

Brake Switch and Solenoids (VIN T)


Object Number: 26730  Size: FS
Automatic Transmission Components
Electronic Component Description
PCM Power and VSS (VIN T)
OBD II Symbol Description Notice
Handling ESD Sensitive Parts Notice
Automatic Transmission Schematic References 2.4L VIN T
Automatic Transmission Schematic References 2.4L VIN T
Automatic Transmission Schematic References 2.4L VIN T
Automatic Transmission Schematic References 2.4L VIN T
Automatic Transmission Schematic References 2.4L VIN T
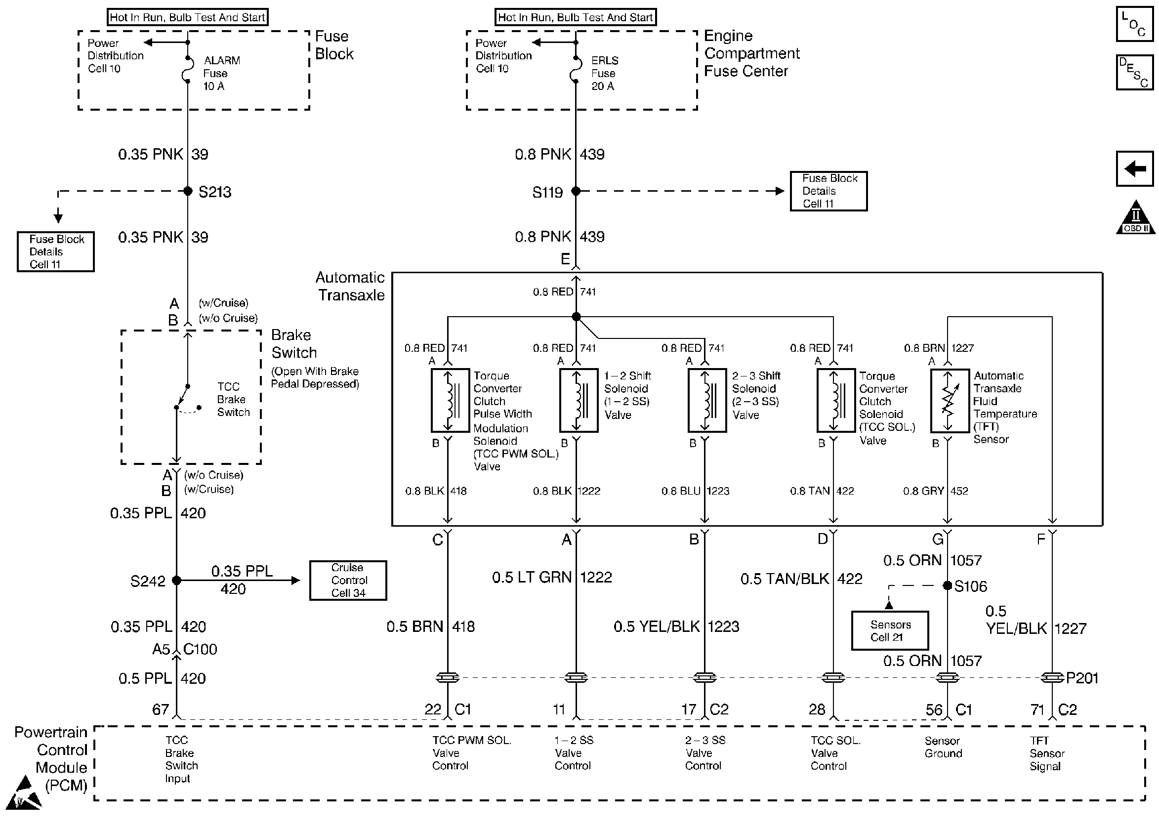
Figure 3:

PCM Power and VSS (VIN M)


Object Number: 26731  Size: FS
Automatic Transmission Components
Electronic Component Description
Brake Switch, Solenoids, and TFT Sensor (VIN M)
OBD II Symbol Description Notice
Handling ESD Sensitive Parts Notice
Figure 4:

Brake Switch, Solenoids, and TFT Sensor (VIN M)


Object Number: 26732  Size: FS
Automatic Transmission Components
Electronic Component Description
PCM Power and VSS (VIN M)
OBD II Symbol Description Notice
Handling ESD Sensitive Parts Notice