GM Service Manual Online
For 1990-2009 cars only
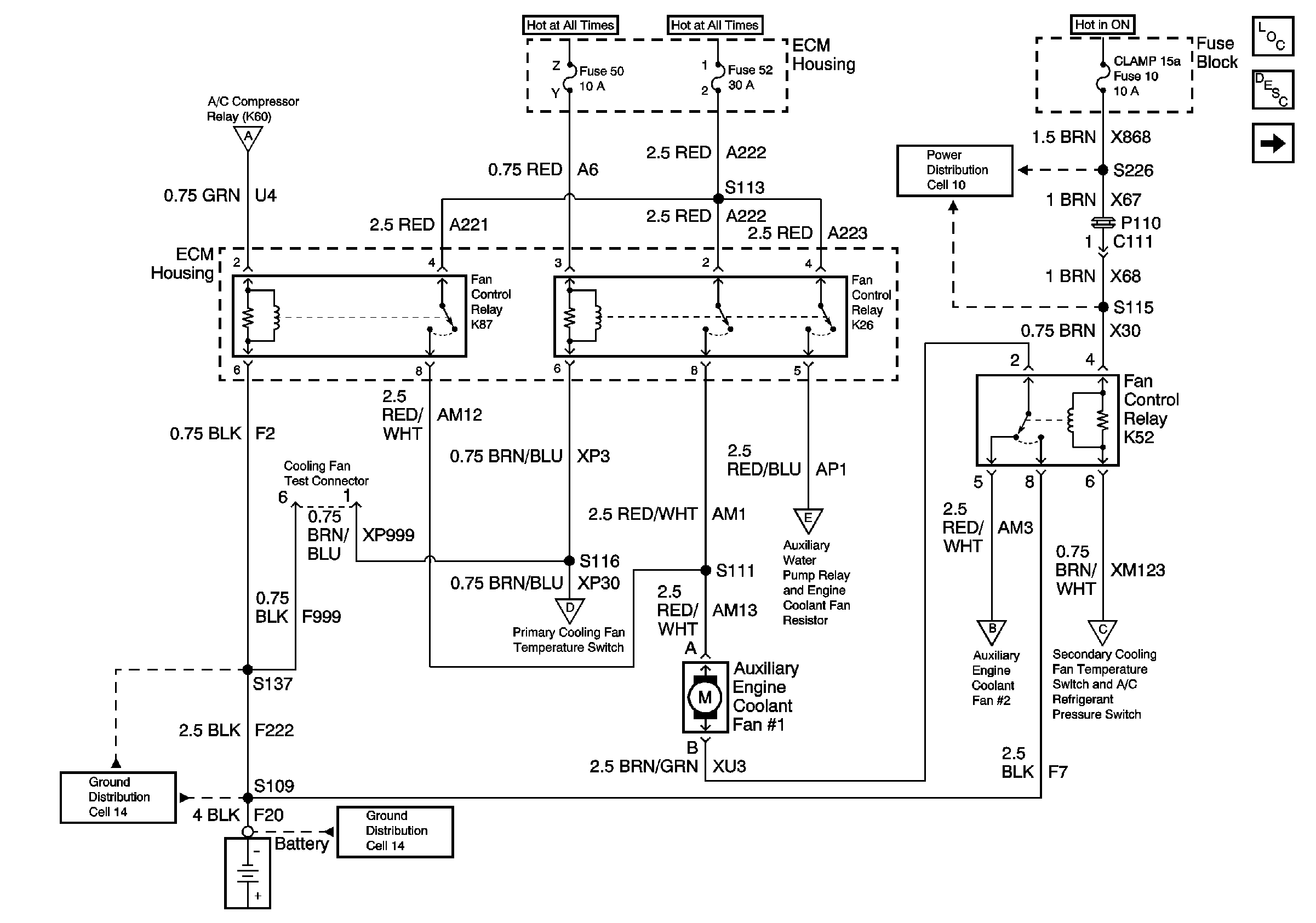
Figure 1:

Auxiliary Engine Coolant Fan #1


Object Number: 373865  Size: FS
Cooling System Component Views LH Side of Engine Compartment
Cooling Fan, Auxiliary Water Pump, and Heater Water Auxiliary Pump
V Car Engine Cooling Schematics (Auxiliary Engine Cooling Fan #2
Power Distribution Schematics
Cooling Fan, Auxiliary Water Pump, and Heater Water Auxiliary Pump
Cooling Fan, Auxiliary Water Pump, and Heater Water Auxiliary Pump
V Car Engine Cooling Schematics (Auxiliary Engine Cooling Fan #2
V Car Engine Cooling Schematics (Auxiliary Engine Cooling Fan #2
Ground Distribution Schematics
Ground Distribution Schematics
Figure 2:

Cooling Fan, Auxiliary Water Pump, and Heater Water Auxiliary Pump


Object Number: 373870  Size: FS
Cooling System Component Views LH Side of Engine Compartment
V Car Engine Cooling Schematics (Auxiliary Engine Cooling Fan #2
Auxiliary Engine Coolant Fan #1
Auxiliary Engine Coolant Fan #1
Auxiliary Engine Coolant Fan #1
Power Distribution Schematics
Ground Distribution Schematics
Ground Distribution Schematics
Figure 3:

Auxiliary Engine Coolant Fan #2


Object Number: 373871  Size: FS
Cooling System Component Views LH Side of Engine Compartment
Coolant Level Indicator
Cooling Fan, Auxiliary Water Pump, and Heater Water Auxiliary Pump
Power Distribution Schematics
Power Distribution Schematics
Power Distribution Schematics
Auxiliary Engine Coolant Fan #1
Ground Distribution Schematics
HVAC Compressor Control Schematics
Auxiliary Engine Coolant Fan #1
Ground Distribution Schematics
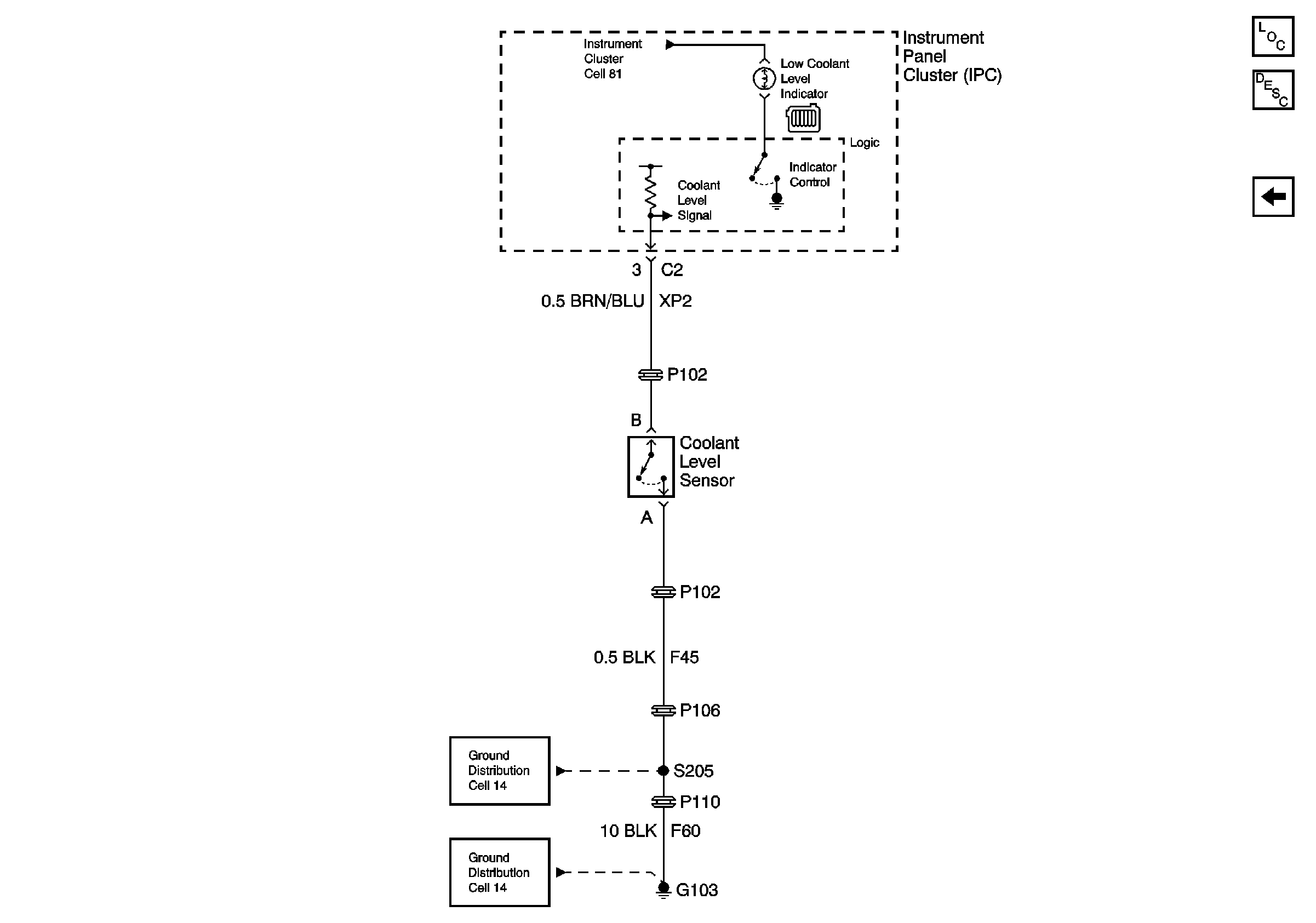
Figure 4:

Coolant Level Indicator


Object Number: 373872  Size: FS
Cooling System Component Views LH Side of Engine Compartment
V Car Engine Cooling Schematics (Auxiliary Engine Cooling Fan #2
Instrument Cluster: Analog Schematics
Ground Distribution Schematics
Ground Distribution Schematics