GM Service Manual Online
For 1990-2009 cars only

Refer to

Cell 20: Power, Ground, and MIL


Object Number: 361528  Size: FS
Engine Controls Components
Engine Control Module Description
Cell 20: DLC and CAN Interface
OBD II Symbol Description Notice
Handling ESD Sensitive Parts Notice
Handling ESD Sensitive Parts Notice
Handling ESD Sensitive Parts Notice
Power Distribution Schematics
Power Distribution Schematics
Cell 20: Ignition System
Power Distribution Schematics
Cell 20: Fuel Controls
Cell 20: Engine Data Sensors
Cell 20: Fuel Controls
Cell 20: Air Injection Pump, MAF and ECT Sensors
Cell 20: EVAP Tank, Purge and Intake Plenum, Resonance Sol. Valves
for schematic.

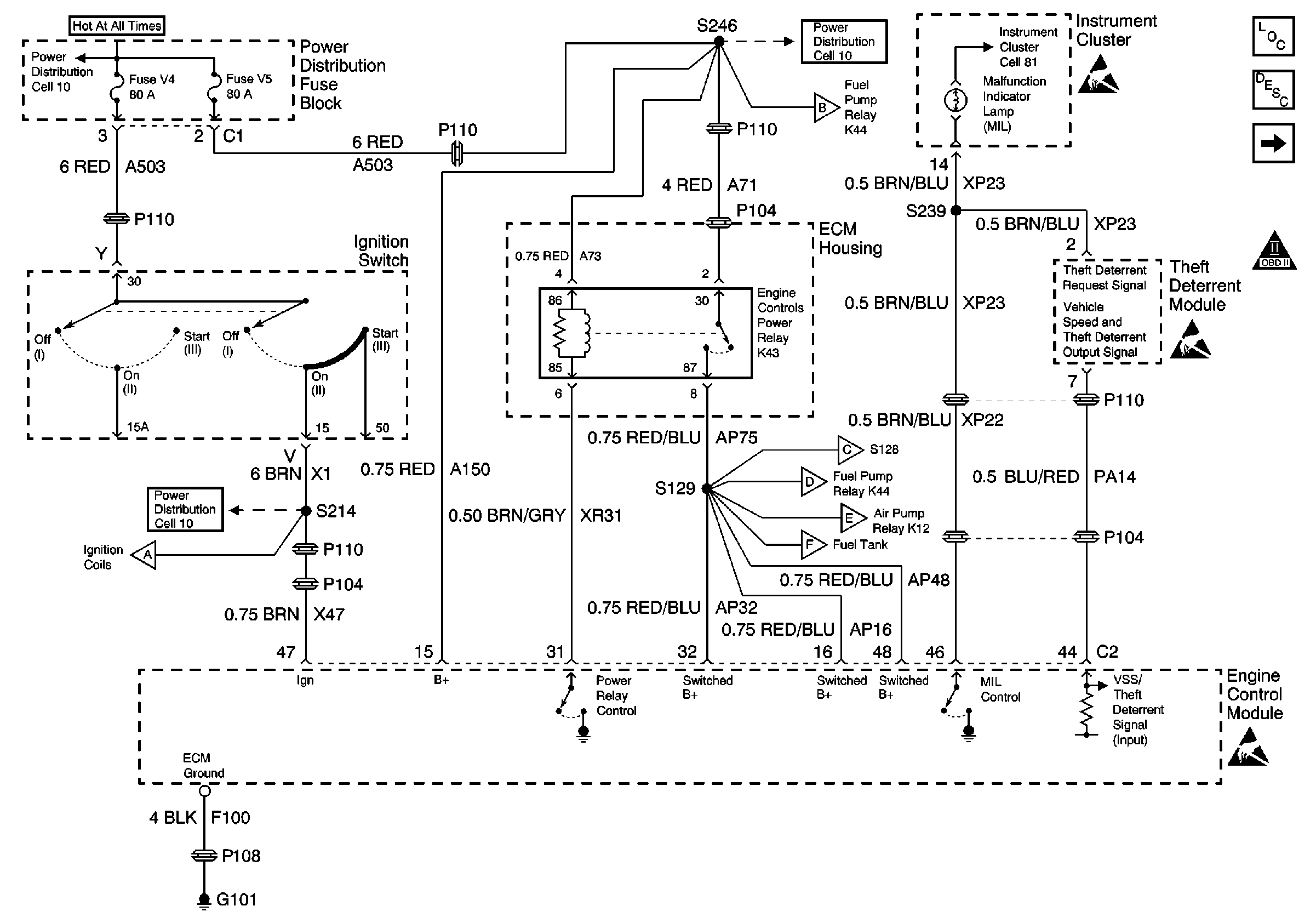
Circuit Description

The engine controls power relay's coil and contacts are connected directly to the battery positive voltage (B+). The engine control module (ECM) controls the relay by grounding the control circuit through an internal solid state device called a driver. When the ECM detects a voltage on the ignition feed circuit, the ECM enables the engine controls power relay. The engine controls power relay controls the switched B+ circuit to the fuel pump relay coil, the fuel injectors, the HO2S heaters and the other engine control components that use a switched B+ supply. The ECM also uses the switched B+ circuit to power up a portion of itself, including the circuitry which controls the MIL operation.

Diagnostic Aids

Notice: Using the J 35616-A Connector Test Adapter Kit will prevent damage to the harness connector terminals.

Use the J 35616 connector test adapter kit for any test that requires probing the ECM harness connector or a component harness connector.

Intermittent connections may cause the engine to stall or an intermittent loss of communication. Loss of the switched B+ voltage may cause multiple DTCs to set.

Check for faulty connections at the ECM or at the component. Check all other circuits that are spliced to the engine controls power relay for the proper operation. Inspect the harness connectors for any of the following conditions:

    • Backed out terminals
    • Improper mating
    • Broken locks
    • Improperly formed or damaged terminals
    • Poor terminal to wire connection

Refer to Engine Control Module Diagnosis , Checking Terminal Contact, for the proper procedure.

Refer to Symptoms for the Intermittents.

Test Description

The numbers below refer to the step numbers on the diagnostic table.

  1. This step is to verify the remaining circuits required to operate the ECM and the engine controls power relay.

Engine Controls Power Relay Circuit Diagnosis

Step

Action

Value(s)

Yes

No

1

Did you perform the Powertrain On-Board Diagnostic (OBD) System check?

--

Go to Step 2

Go to Powertrain On Board Diagnostic (OBD) System Check

2

  1. Turn OFF the ignition.
  2. Disconnect the engine controls power relay.
  3. Probe the battery feed circuits in the engine controls power relay harness connector with a test lamp connected to ground.

Does the test lamp illuminate on both circuits?

--

Go to Step 3

Go to Step 12

3

  1. Turn OFF the ignition.
  2. Disconnect the engine control module (ECM) C2 connector.
  3. Probe the engine controls power relay control circuit at the ECM connector with a test lamp connected to ground.
  4. Turn ON the ignition.

Does the test lamp illuminate?

--

Go to Step 10

Go to Step 4

4

  1. Turn OFF the ignition.
  2. Probe the engine controls power relay control circuit at the ECM connector with a test lamp connected to B+.

Does the test lamp illuminate?

--

Go to Step 11

Go to Step 5

5

  1. Reconnect the engine controls power relay.
  2. Probe the engine controls power relay control circuit at the ECM connector with a test lamp connected to ground.

Does the test lamp illuminate?

--

Go to Step 6

Go to Step 8

6

  1. Set the DMM on the 10 amp scale in order to measure current flow.
  2. Connect the DMM between the power relay control circuit in the ECM harness connector and ground for 2 minutes.

Does the current draw measure within the specified range?

100-200 mA

Go to Step 7

Go to Step 14

7

  1. Disconnect the DMM from the engine controls power relay control circuit.
  2. Jumper the engine controls power relay control circuit to ground using a fused jumper wire.
  3. Probe the switched B+ supply circuits in the ECM harness connector with a test lamp connected to ground.

Does the test lamp illuminate on all three circuits?

--

Go to Step 15

Go to Step 9

8

  1. Test for an open or high resistance in the engine controls power relay control circuit.
  2. Repair the circuit as necessary. Refer to Wiring Repairs in Wiring Systems.

Did you find and repair a problem?

--

Go to Step 18

Go to Step 13

9

  1. Test for an open or high resistance in the switched B+ circuit from the relay to the ECM.
  2. Repair the circuit as necessary. Refer to Wiring Repairs in Wiring Systems.

Did you find and repair a problem?

--

Go to Step 18

Go to Step 13

10

Repair the short to voltage in the engine controls power relay control circuit. Refer to Wiring Repairs in Wiring Systems.

Is the repair complete?

--

Go to Step 18

--

11

Repair the short to ground in the engine controls power relay control circuit. Refer to Wiring Repairs in Wiring Systems.

Is the repair complete?

--

Go to Step 18

--

12

Repair the battery feed circuit. Refer to Wiring Repairs in Wiring Systems.

Is the repair complete?

--

Go to Step 18

--

13

  1. Inspect the relay connector for a faulty connection or faulty terminal tension.
  2. Repair as necessary. Refer to Connector Repairs in Wiring Systems.

Did you find and repair a problem?

--

Go to Step 18

Go to Step 14

14

Replace the relay.

Is the action complete?

--

Go to Step 18

--

15

  1. Test the following circuits
  2. • Ignition positive voltage circuit to the ECM for voltage
    • Battery positive voltage circuit to the ECM for voltage
    • ECM ground circuit for:
       - Loose connections
       - Corrosion
       - Open
       - High resistance
  3. Repair the circuit as necessary. Refer to Wiring Repairs in Wiring Systems.

Did you find and repair a problem?

--

Go to Step 18

Go to Step 16

16

Inspect the ECM harness connector for a faulty connection or faulty terminal tension. Refer to Intermittents and Poor Connections Diagnosis in Wiring Systems.

Did you find and repair a problem?

--

Go to Step 18

Go to Step 17

17

Important: This vehicle is equipped with a theft deterrent system which interfaces with the engine control module (ECM). Program the new ECM with the frequency code of the theft deterrent module that is currently on the vehicle.

Replace the ECM. Refer to Engine Control Module Replacement/Programming .

Did you complete the repair?

--

Go to Step 18

--

18

  1. Connect a scan tool.
  2. Attempt to establish communication with the ECM.

Can communication be established with the ECM?

--

System OK

Go to Powertrain On Board Diagnostic (OBD) System Check