GM Service Manual Online
For 1990-2009 cars only
Makes
🢒
Cadillac
🢒
1999
🢒
Catera
🢒
Body and Accessories
🢒
Lighting Systems
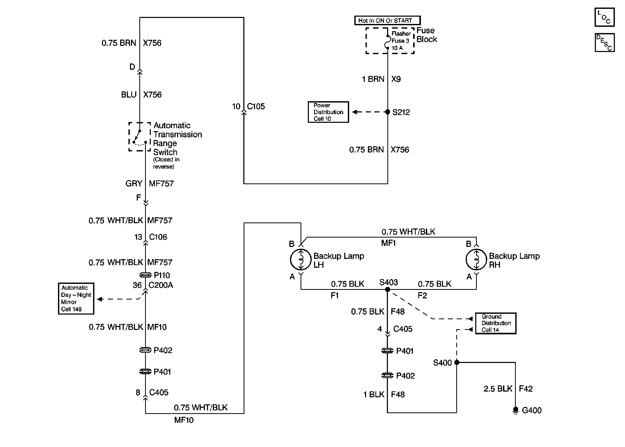
🢒 Backup Lamp Schematics
Cell 112
Lighting Systems Components
Backup Lamp Circuit Description
Cell 10 Fuse Block, Window Regulator Motors and Automatic Transmission Switches
Cell 14 Fuel Pump, Sunshade Motor, and Rear Exterior Lamps
Cell 148