GM Service Manual Online
For 1990-2009 cars only
Figure 1:

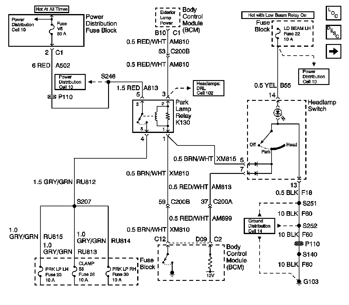
Cell 110 BCM, Headlamp Switch, Park Lamp Relay K130 and Fuse Block


Object Number: 382077  Size: FS
Lighting Systems Components
Exterior Lights Circuit Description
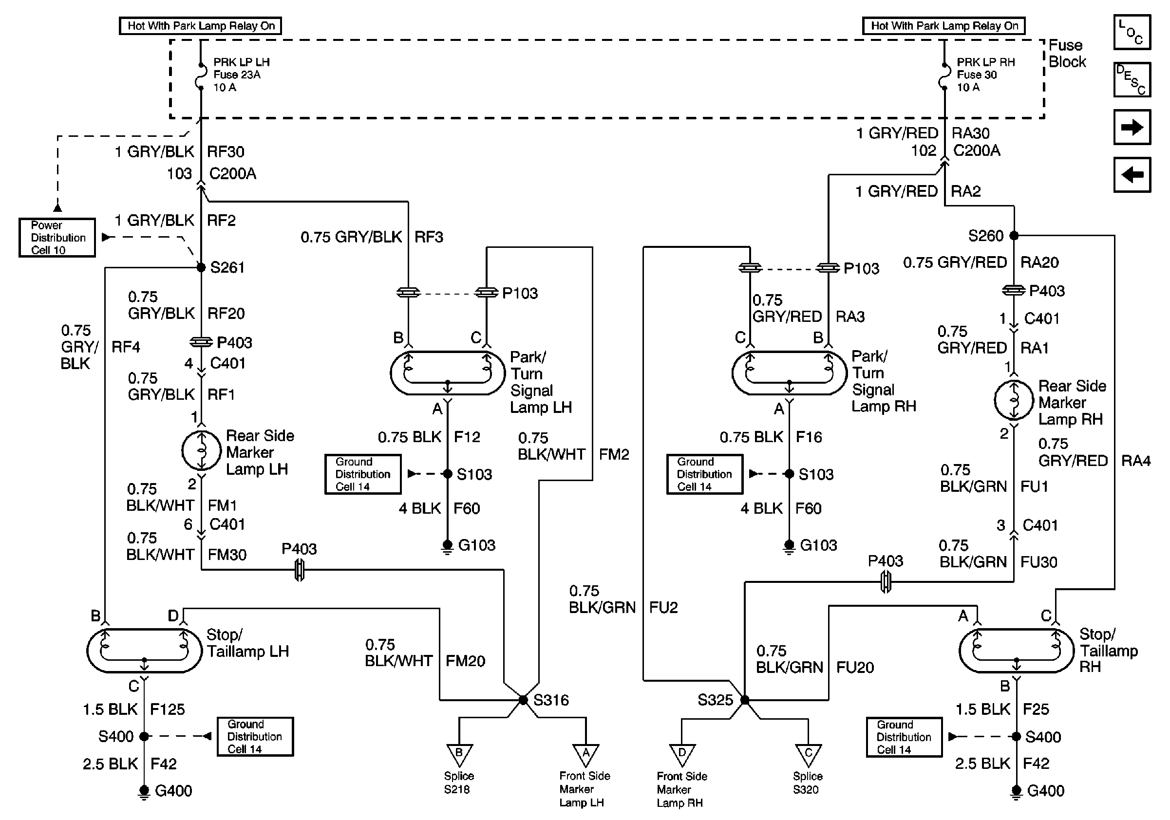
Cell 110 Park/Turn Signal Lamps, Rear Side Marker Lamps, and Stop/Tailamps
Cell 10 Fuse Block, Low Beam Relay and Park Lamp Relay
Cell 10 Fuse Block, BCM, Lifting Magnet, Sun Roof Actuator, and Gauge CLuster
Cell 102 Fuse Block, BCM, Headlamps, and Park/Turn Signal Lamps
Handling Electrostatic Discharge Sensitive Parts Notice
Handling Electrostatic Discharge Sensitive Parts Notice
Ground Distribution Schematics
Figure 2:

Cell 110 Park/Turn Signal Lamps, Rear Side Marker Lamps, and Stop/Tailamps


Object Number: 382084  Size: FS
Lighting Systems Components
Exterior Lights Circuit Description
Cell 110 Hazard Warning Switch, Turn Signal Switch and Instrument Cluster
Cell 110 BCM, Headlamp Switch, Park Lamp Relay K130 and Fuse Block
Cell 10 Fuse Block, BCM, Lifting Magnet, Sun Roof Actuator, and Gauge CLuster
Cell 14 Door Lock Relay K135, ALC Sensor, and EBTCM
Cell 14 Door Lock Relay K135, ALC Sensor, and EBTCM
Cell 14 Fuel Pump, Sunshade Motor, and Rear Exterior Lamps
Cell 14 Fuel Pump, Sunshade Motor, and Rear Exterior Lamps
Cell 110 Hazard Warning Switch, Turn Signal Switch and Instrument Cluster
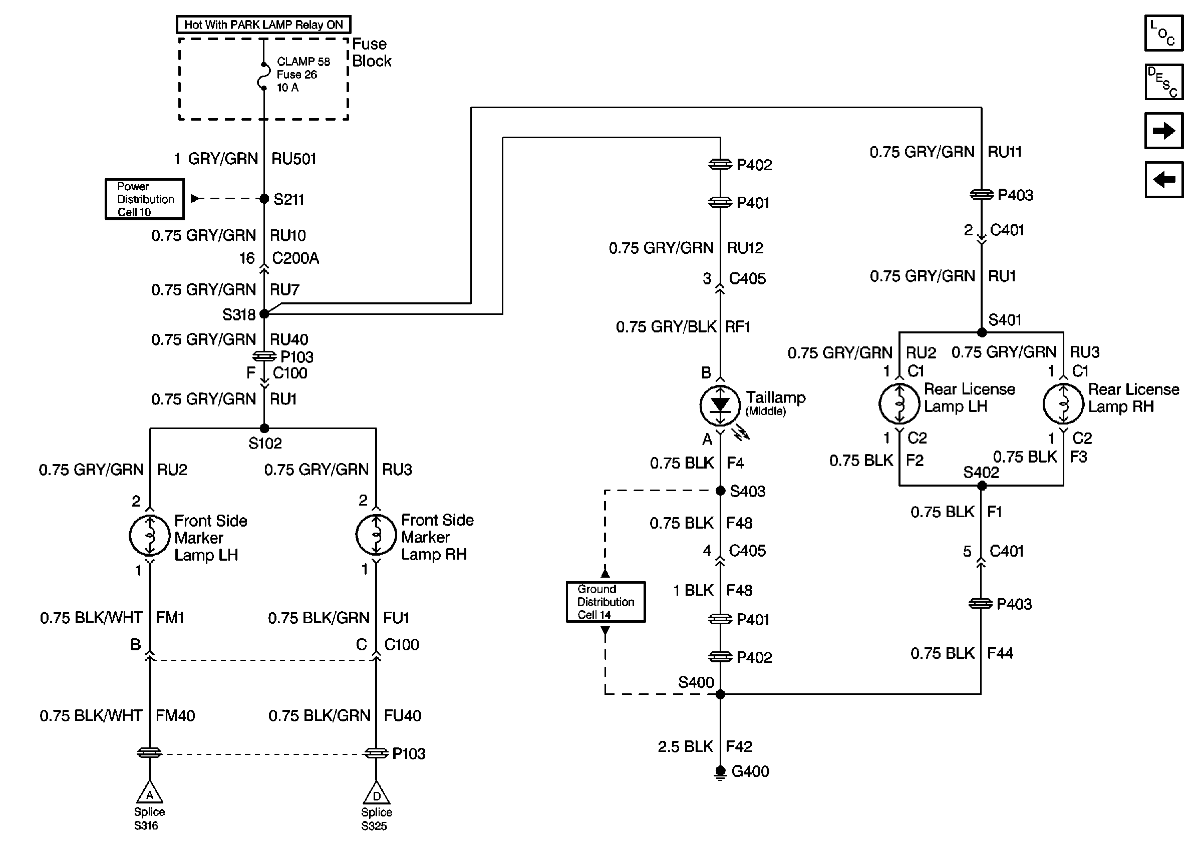
Cell 110 Front Side Marker Lamp, Tailamp, Rear License Lamp
Cell 110 Front Side Marker Lamp, Tailamp, Rear License Lamp
Cell 110 Hazard Warning Switch, Turn Signal Switch and Instrument Cluster
Figure 3:

Cell 110 Hazard Warning Switch, Turn Signal Switch and Instrument Cluster


Object Number: 382089  Size: FS
Lighting Systems Components
Exterior Lights Circuit Description
Cell 110 Front Side Marker Lamp, Tailamp, Rear License Lamp
Cell 110 Park/Turn Signal Lamps, Rear Side Marker Lamps, and Stop/Tailamps
Power Distribution Schematics
Cell 10 Fuse Block, Turn Signal Switch, Blower Control, and A/C Compressor Relay
Ground Distribution Schematics
Ground Distribution Schematics
Cell 110 Park/Turn Signal Lamps, Rear Side Marker Lamps, and Stop/Tailamps
Cell 110 Park/Turn Signal Lamps, Rear Side Marker Lamps, and Stop/Tailamps
Cell 110 Cornering Lamps, Stop/Tailamps, Auxiliary Brake Lamp
Cell 110 Cornering Lamps, Stop/Tailamps, Auxiliary Brake Lamp
Handling Electrostatic Discharge Sensitive Parts Notice
Handling Electrostatic Discharge Sensitive Parts Notice
Cell 117 Headlamp Switch, Rear Seat Heater Switches, and Radio
Cell 81: Instrument Cluster Speedometer and Tachometer
Figure 4:

Cell 110 Front Side Marker Lamp, Tailamp, Rear License Lamp


Object Number: 382096  Size: FS
Lighting Systems Components
Exterior Lights Circuit Description
Cell 110 Cornering Lamps, Stop/Tailamps, Auxiliary Brake Lamp
Cell 110 Hazard Warning Switch, Turn Signal Switch and Instrument Cluster
Cell 10 Fuse Block, Radio, Rear License Lamps, and Headlamp Switch
Cell 14 Fuel Pump, Sunshade Motor, and Rear Exterior Lamps
Cell 110 Park/Turn Signal Lamps, Rear Side Marker Lamps, and Stop/Tailamps
Cell 110 Park/Turn Signal Lamps, Rear Side Marker Lamps, and Stop/Tailamps
Figure 5:

Cell 110 Cornering Lamps, Stop/Tailamps, Auxiliary Brake Lamp


Object Number: 382104  Size: FS
Lighting Systems Components
Exterior Lights Circuit Description
Cell 110 Front Side Marker Lamp, Tailamp, Rear License Lamp
Cell 10 Fuse Block, LH and RH Outside Rear View Mirro, DLC, and Gauge Cluster
Cell 14 Door Lock Relay K135, ALC Sensor, and EBTCM
Cell 14 Fuel Pump, Sunshade Motor, and Rear Exterior Lamps
Cell 110 Hazard Warning Switch, Turn Signal Switch and Instrument Cluster
Cell 110 Hazard Warning Switch, Turn Signal Switch and Instrument Cluster
Cell 44 Electronic Traction Control Switch and Instrument Cluster