GM Service Manual Online
For 1990-2009 cars only
Makes
🢒
Cadillac
🢒
1999
🢒
Catera
🢒
Body and Accessories
🢒
Horns
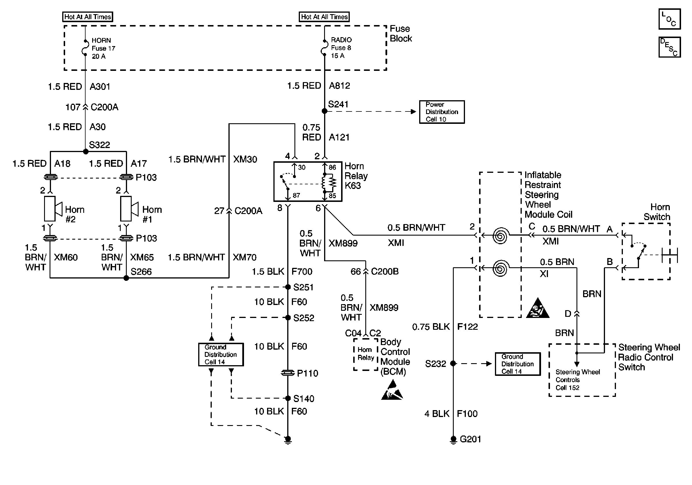
🢒 Horn Schematics
Horns Components
Horns Circuit Description
Cell 10 Fuse Block, WSWA System, and Multifunction Relay
Cell 14 Radio, Cell Phone, CD Changer, and Radio Speaker Amplifier
Ground Distribution Schematics
Handling Electrostatic Discharge Sensitive Parts Notice
SIR Caution
Cell 152