GM Service Manual Online
For 1990-2009 cars only
Makes
🢒
Cadillac
🢒
1999
🢒
Catera
🢒
Body and Accessories
🢒
Stationary Windows
🢒 Defogger Schematics
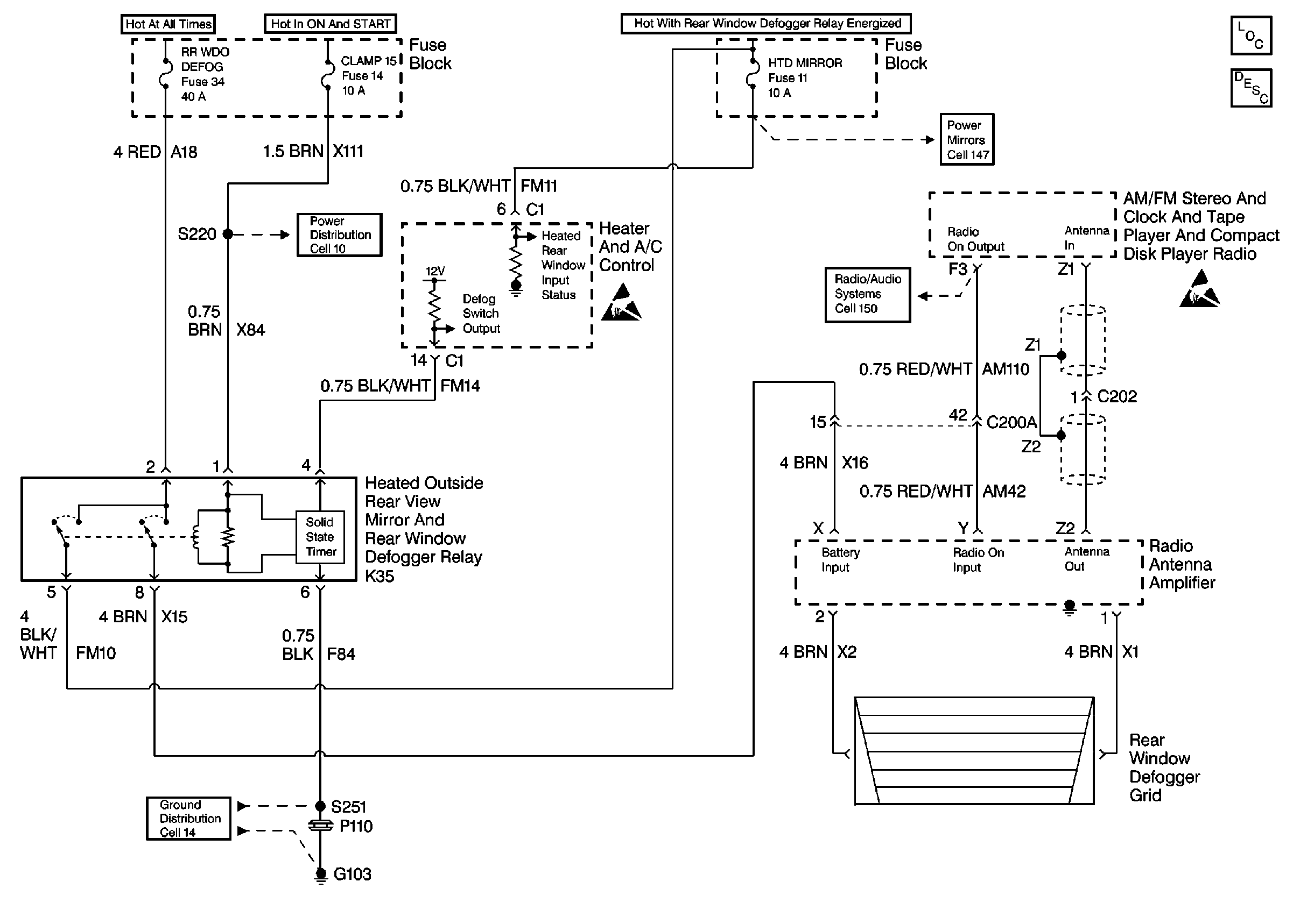
Cell 61: Rear Defog Relay and Antenna Amplifier