GM Service Manual Online
For 1990-2009 cars only
Makes
🢒
Cadillac
🢒
1999
🢒
Catera
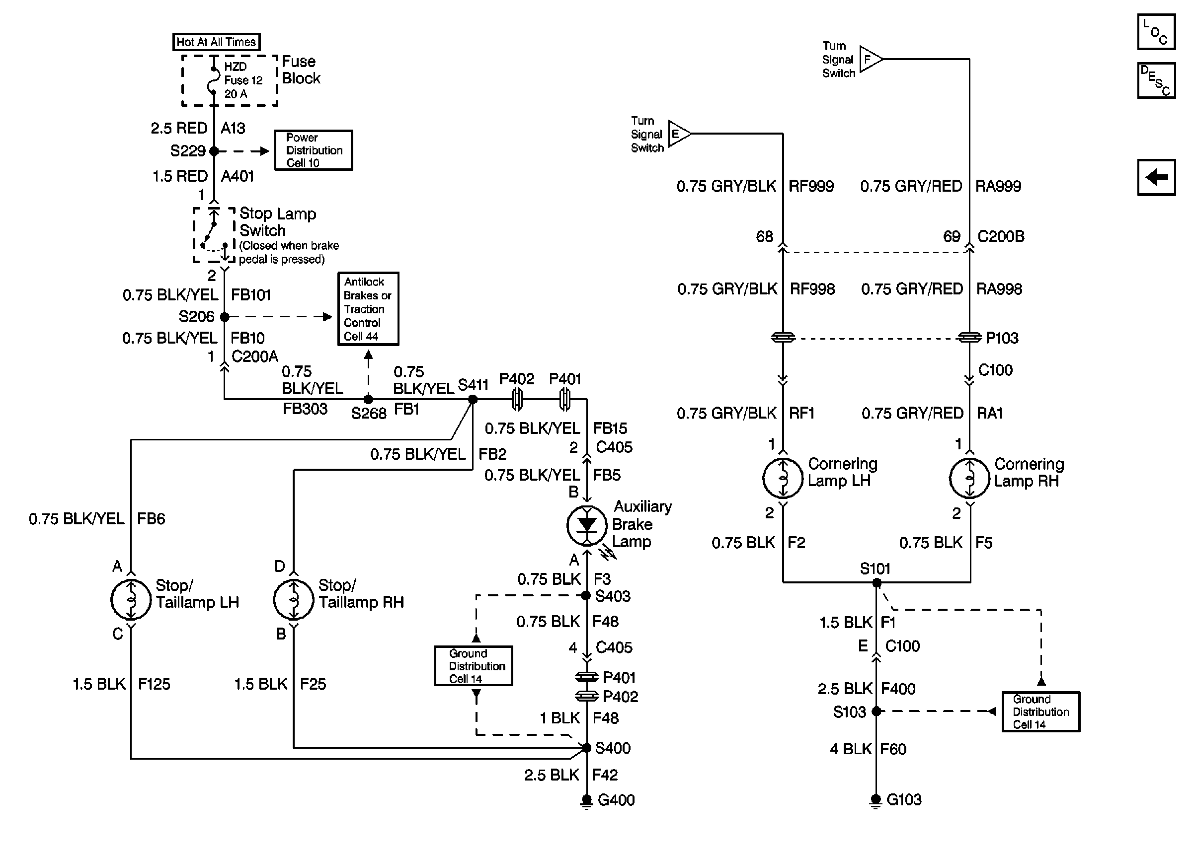
🢒 Cell 110 Cornering Lamps, Stop/Tailamps, Auxiliary Brake Lamp
Cell 110 Cornering Lamps, Stop/Tailamps, Auxiliary Brake Lamp
Cell 110 Cornering Lamps, Stop/Tailamps, Auxiliary Brake Lamp
Lighting Systems Components
Exterior Lights Circuit Description
Cell 110 Front Side Marker Lamp, Tailamp, Rear License Lamp
Cell 10 Fuse Block, LH and RH Outside Rear View Mirro, DLC, and Gauge Cluster
Cell 14 Door Lock Relay K135, ALC Sensor, and EBTCM
Cell 14 Fuel Pump, Sunshade Motor, and Rear Exterior Lamps
Cell 110 Hazard Warning Switch, Turn Signal Switch and Instrument Cluster
Cell 110 Hazard Warning Switch, Turn Signal Switch and Instrument Cluster
Cell 44 Electronic Traction Control Switch and Instrument Cluster