GM Service Manual Online
For 1990-2009 cars only

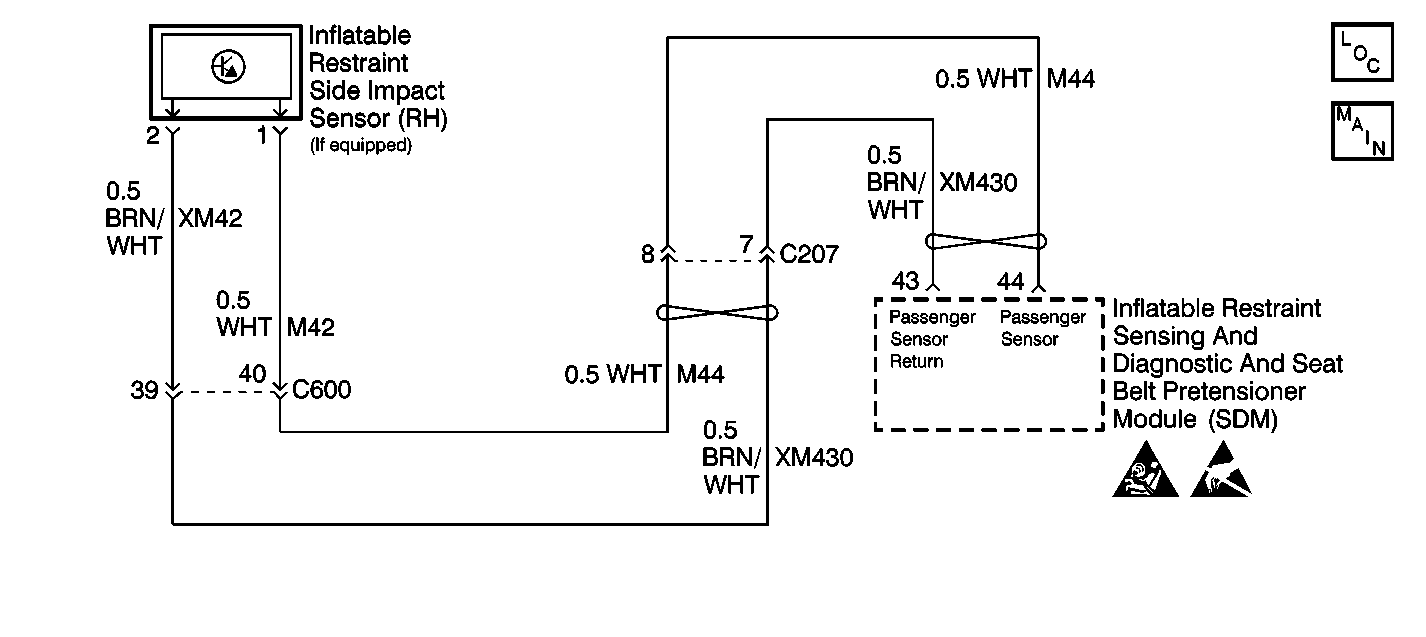
Object Number: 451002  Size: SF
SIR Components
SIR Schematics
SIR Caution
Handling ESD Sensitive Parts Notice

Circuit Description

When the ignition switch is turned to the ON position, the inflatable restraint sensing and diagnostic and seat belt pretensioner module (SDM) performs tests to diagnose critical malfunctions within itself. The SDM monitors the six deployment loops to detect leakage currents to ground in the frontal air bag deployment loops, the side air bag deployment loops and the seat belt pretensioner deployment loops. Then, the SDM proceeds with the RESISTANCE MEASUREMENT test to measure the deployment loop resistances to ensure they are within their respective normal resistance ranges. Upon passing these tests, the energy reserve is charged and the firing transistors are tested. The SDM then goes into CONTINUOUS MONITORING mode. The SDM service wait time is 1 minute. Refer to ENABLE/DISABLE procedures.

Conditions for Setting the DTC

DTC 81 will set when the following conditions are met:

    • The ignition is within normal operating voltage range.
    • An internal fault within the passenger side impact sensor (SIS) has occured.

The passenger side impact sensor (SIS) loop consists of the following components:

    • Inflatable restraint side impact sensor (SIS) (RH) .
    • Harness wiring of CKT M44.
    • Harness wiring of CKT M42.
    • Harness wiring of CKT XM430.
    • Harness wiring of CKT XM42.
    • Connector terminal contact.

Action Taken When the DTC Sets

    • The SDM sets a DTC 81.
    • The SDM turns ON the AIR BAG warning lamp.

Conditions for Clearing the DTC

Current and History DTC codes must be cleared using a scan tool Clear DTC Information command. If the circuit fault has been successfully repaired and the conditions which caused the Current DTC 81 to set are no longer existing, History DTC 81 will set. History DTC 81 may be cleared using the scan tool.

Diagnostic Aids

An inflatable restraint passenger side impact sensor (SIS) circuit short to ground, short to B+, open, or high resistance can cause an intermittent condition. Inspect CKT M44, CKT M42, CKT XM430, and CKT XM42 carefully for cutting and/or chafing. A careful inspection of the circuits and components indicated on the DTC 81 table is essential to make sure that the replacement SDM will not be damaged.

Test Description

The following numbers refer to the step numbers in the diagnostic table:

  1. This step checks to see if either DTC 83 or DTC 84 is also present.

  2. This step checks the communication status of the passenger side impact sensor (SIS).

DTC 81 Passenger Side Impact Sensor (SIS) Comms. Invalid

Step

Action

Value(s)

Yes

No

1

Was the SIR Diagnostic System Check performed?

--

Go to Step 2

Go to SIR Diagnostic System Check

2

  1. Turn the ignition switch to the OFF position.
  2. Install the scan tool.
  3. Turn the ignition switch to the ON position.
  4. Use the scan tool to request the SIR DTC display.

Is either DTC 83 or DTC 84 present?

--

Go to Step 3

Go to Step 4

3

  1. If DTC 83 is present, refer to DTC 83 Pass. Side Impact Sensor Short to Voltage .
  2. If DTC 84 is present, refer to DTC 84 Pass. Side Impact Sensor Short to Ground .

Is the repair complete?

--

Go to Step 6

--

4

  1. Turn the ignition switch to OFF position.
  2. Install the scan tool.
  3. Turn the ignition switch to the ON position.
  4. Use the scan tool to request the SIR data list display.
  5. Read and record on the repair order the communication status of the passenger side impact sensor RH SIS MESSAGE STATUS.

Does RH SIS MESSAGE STATUS display the specified value?

NOK

Go to Step 5

Go to Sensing and Diagnostic Module Integrity Check

5

  1. Turn the ignition switch to the OFF position.
  2. Replace the inflatable restraint side impact sensor (RH). Refer to Inflatable Restraint Side Impact Sensor Replacement .

Is the repair complete?

--

Go to Step 6

--

6

Reconnect all the SIR components, making sure all the components are properly mounted.

Have all the SIR components been reconnected and properly mounted?

--

Go to Step 7

--

7

Use the scan tool to clear all current and history SIR DTCs.

Have all current and history SIR DTCs been cleared?

--

Go to SIR Diagnostic System Check

--