GM Service Manual Online
For 1990-2009 cars only

Driver Knee Bolster Replacement Without UV2

Removal Procedure

Important: The knee bolster trim panel (1) must be replaced, not repaired, if there is any visible damage.


    Object Number: 474639  Size: SH
  1. Remove the knee bolster trim panel (1) by grasping at the top and the bottom and by pulling rearward.
  2. Remove the knee bolster trim (1) from the vehicle.

Installation Procedure


    Object Number: 474639  Size: SH
  1. Align the knee bolster trim (1) guide pins to the IP.
  2. Push forward firmly in order to engage the clips to the IP retainer.

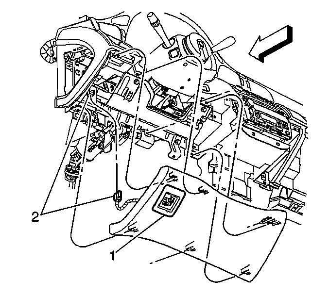
Driver Knee Bolster Replacement UV2

Removal Procedure

Important: The knee bolster trim panel must be replaced, not repaired, if there is any visible damage.


    Object Number: 520019  Size: SH
  1. Remove the knee bolster trim panel by grasping at the top and the bottom and by pulling rearward.
  2. Disconnect the night vision switch electrical connector (2).
  3. Remove the knee bolster trim from the vehicle.

Installation Procedure

  1. Connect the night vision switch electrical connector (2).

  2. Object Number: 520019  Size: SH
  3. Align the knee bolster trim guide pins to the lower IP.
  4. Push forward firmly in order to engage the clips onto the IP retainer.