GM Service Manual Online
For 1990-2009 cars only
Makes
🢒
Cadillac
🢒
2008
🢒
Escalade
🢒
Diagnostic Navigation
🢒
Vehicle Diagnostic Information
🢒 Passenger Seat Schematics
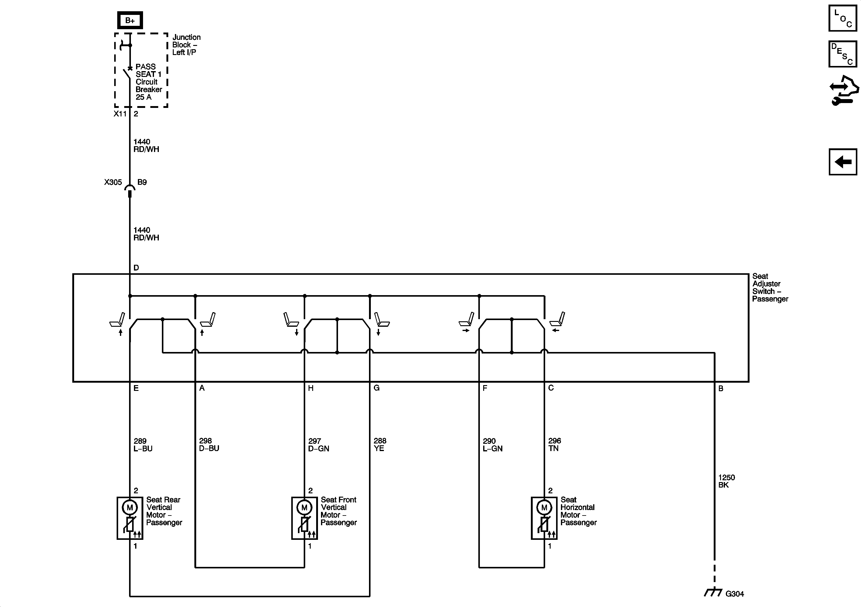
Figure
1:
Except AN3
Master Electrical Component List
Power Seats System Description and Operation (Front Seat)
Control Module References
AN3
BCM, COOLED SEATS, CTSY, DDM, DIM, DSM, LBEC 1, MBEC 1, REAR HVAC, and RT STOP TRN Fuses and DRIVER SEAT 2, PASS SEAT 1, and RT DOORS Circuit Breakers
G303, G304, and G305
Figure
2:
AN3
Master Electrical Component List
Memory Seats Description and Operation
Control Module References
6-Way Power - HP2
Except AN3
BCM, COOLED SEATS, CTSY, DDM, DIM, DSM, LBEC 1, MBEC 1, REAR HVAC, and RT STOP TRN Fuses and DRIVER SEAT 2, PASS SEAT 1, and RT DOORS Circuit Breakers
G303, G304, and G305
Figure
3:
6-Way Power HP2
Master Electrical Component List
Power Seats System Description and Operation (Front Seat)
Control Module References
AN3
BCM, COOLED SEATS, CTSY, DDM, DIM, DSM, LBEC 1, MBEC 1, REAR HVAC, and RT STOP TRN Fuses and DRIVER SEAT 2, PASS SEAT 1, and RT DOORS Circuit Breakers
G303, G304, and G305