GM Service Manual Online
For 1990-2009 cars only
Makes
🢒
Cadillac
🢒
2004
🢒
XLR
🢒
Steering
🢒
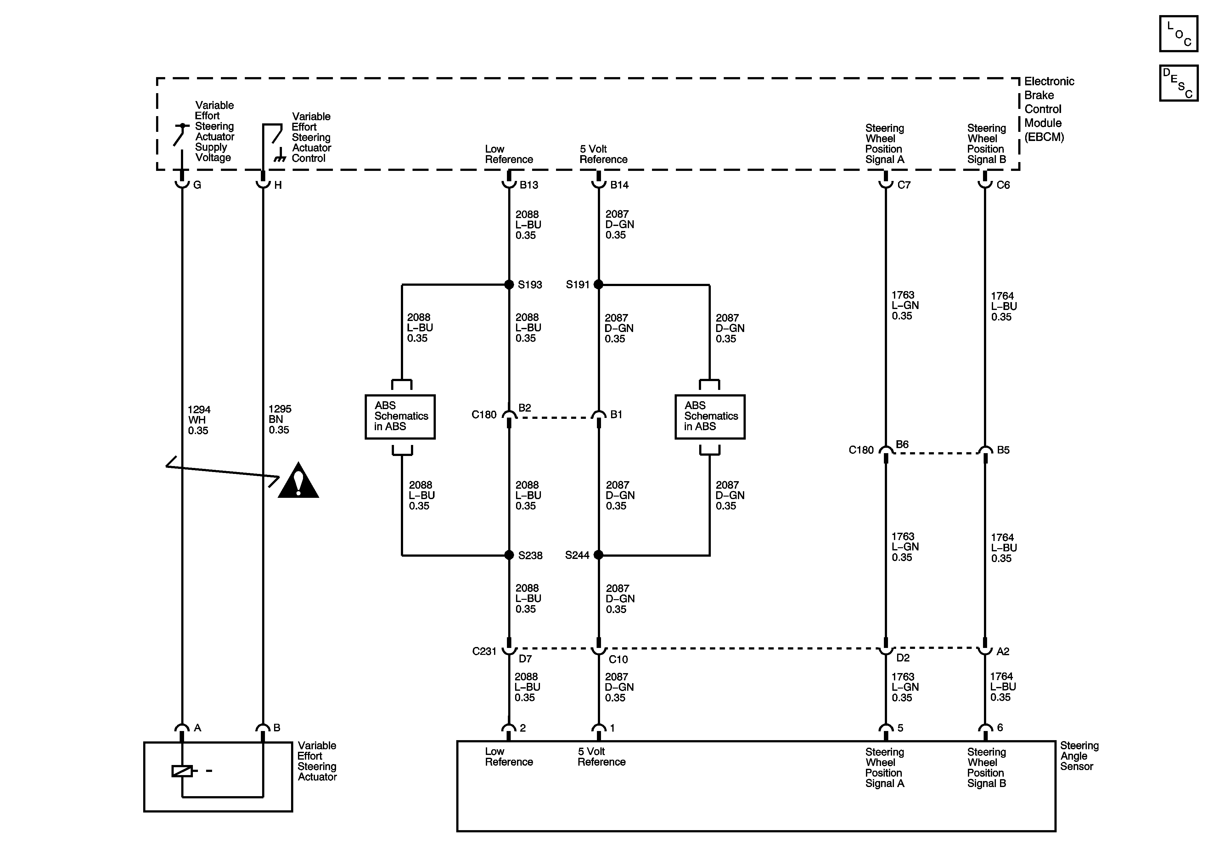
Variable Effort Steering
🢒 Steering Assist Schematics
Master Electrical Component List
Variable Effort Steering System Description and Operation
Stability Control Sensors
Stability Control Sensors
Steering Assist Schematic Icons