GM Service Manual Online
For 1990-2009 cars only
Makes
🢒
Cadillac
🢒
2004
🢒
XLR
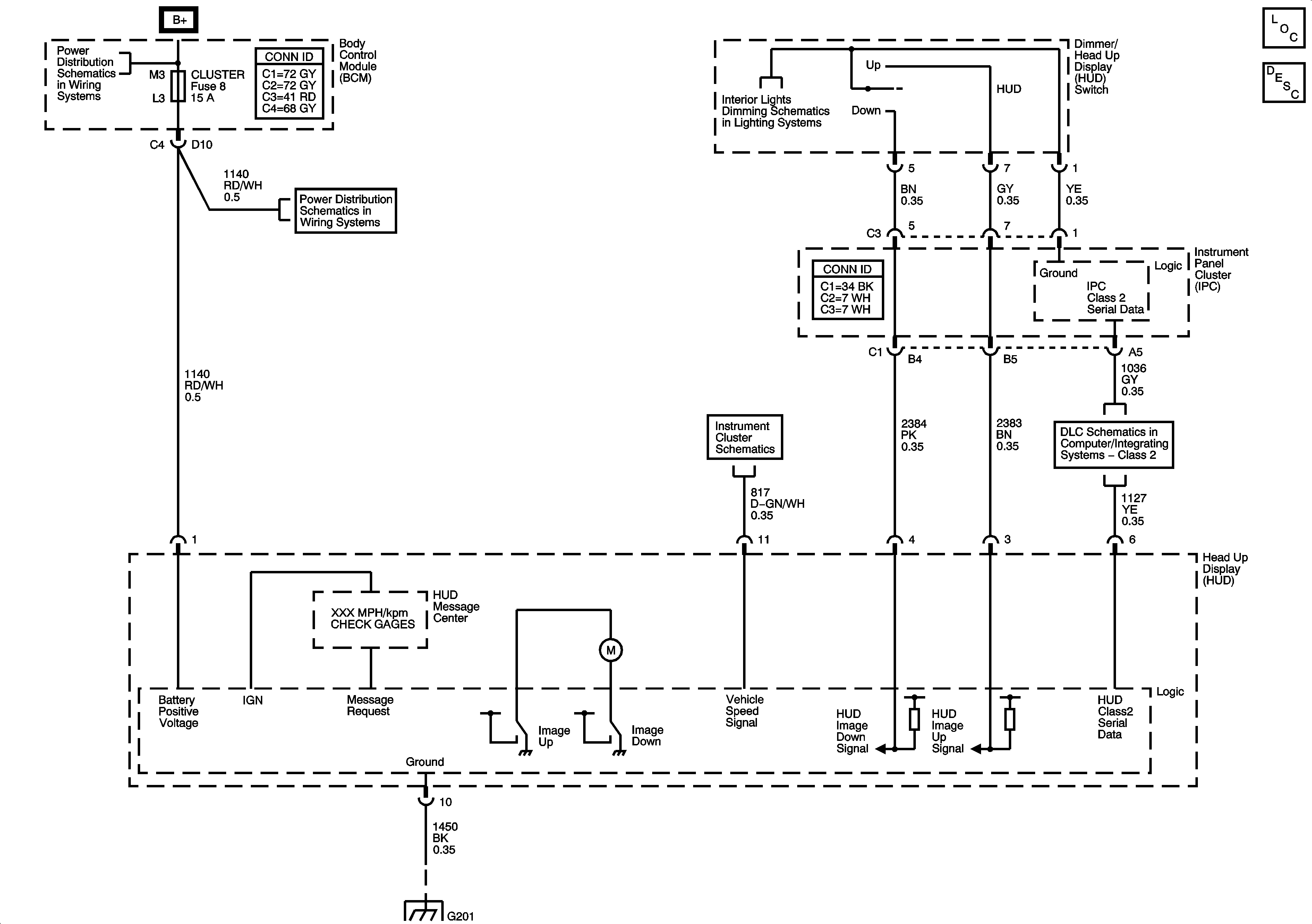
🢒 Head Up Display Schematics
Head Up Display Schematics
Master Electrical Component List
Head Up Display (HUD) Description and Operation
BCM Fuses; A.C.LATCH/PK BRK B, CLUSTER, DOOR LOCKS, HVAC/PWR SND, INTERIOR LIGHTS, ISRVM/HVAC, and TUTD SW/STRG COL SW
BCM Fuses; A.C.LATCH/PK BRK B, CLUSTER, DOOR LOCKS, HVAC/PWR SND, INTERIOR LIGHTS, ISRVM/HVAC, and TUTD SW/STRG COL SW
Gages
Class 2