GM Service Manual Online
For 1990-2009 cars only
Makes
🢒
Cadillac
🢒
2004
🢒
XLR
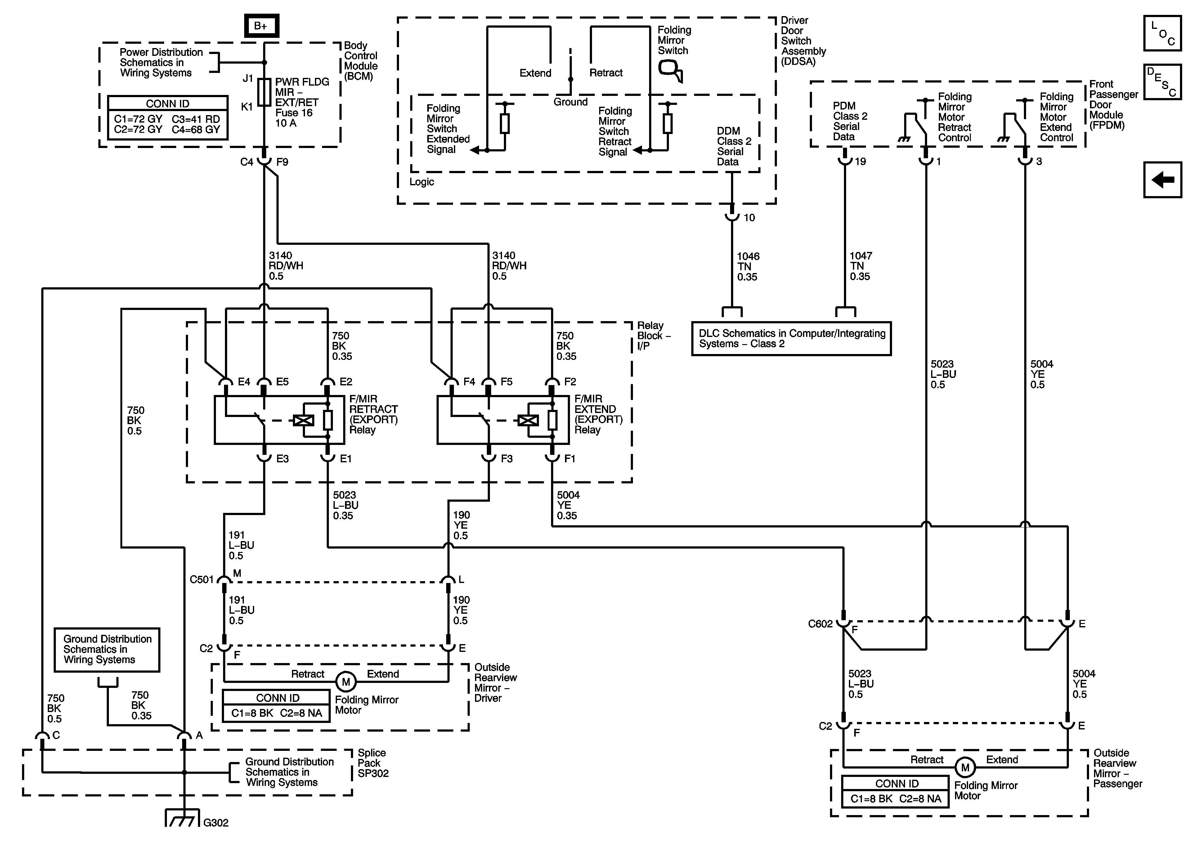
🢒 Power Folding Mirrors-Export
Power Folding Mirrors-Export
Power Folding Mirrors - Export
Master Electrical Component List
Outside Mirror Description and Operation
Dimming Mirror, Heated Mirrors
Class 2
Fuse Block-Underhood Fuses; BATT3 and STOP/B/U/LPS, BCM Fuses; BTSI SOL/COL LOCK, PWR FLDG MIR-EXT/RET, RADIO/ANT/VICS, REAR FOG/ALDL TOP SW, and REVERSE LAMPS
G302, G401, and G402
G302, G401, and G402