GM Service Manual Online
For 1990-2009 cars only
Makes
🢒
Cadillac
🢒
2004
🢒
XLR
🢒 Defogger
Defogger
Master Electrical Component List
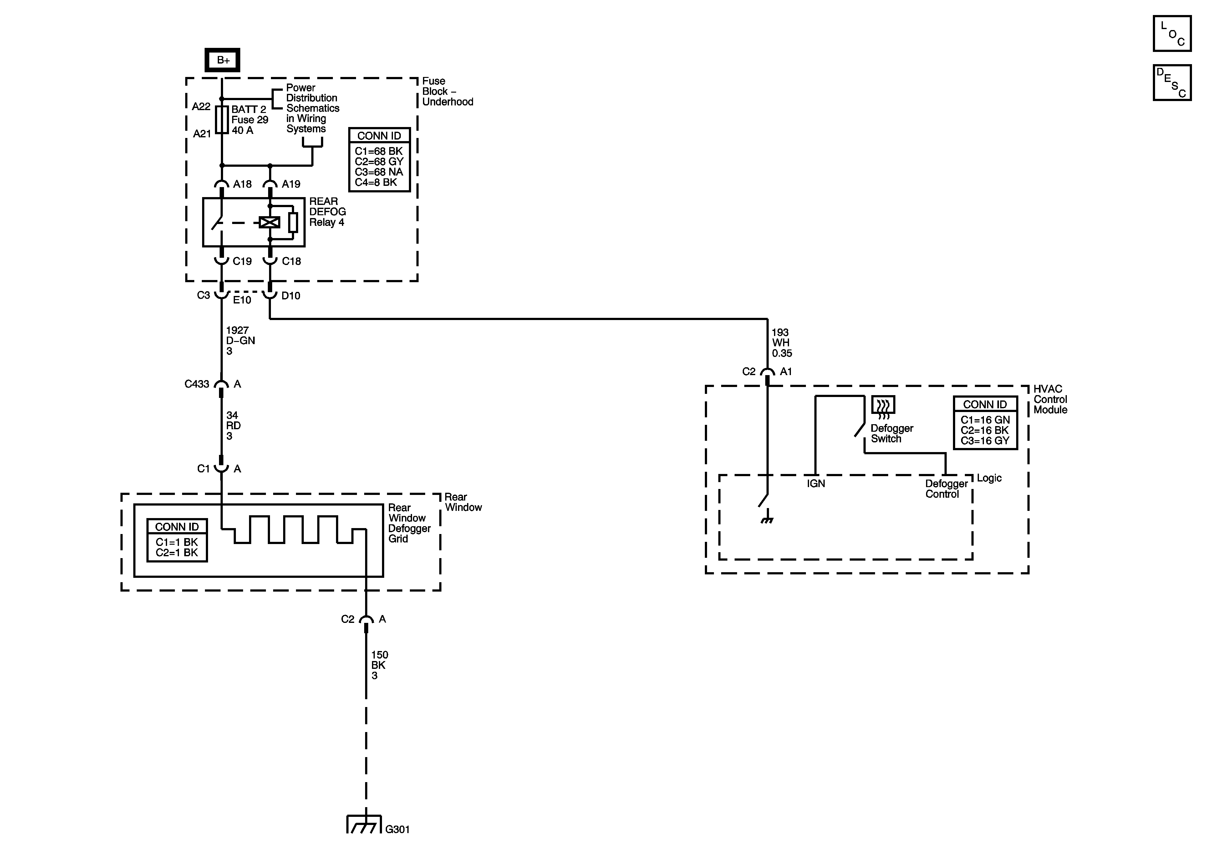
Rear Window Defogger Description and Operation
Fuse Block-Underhood Fuses; ABS, AMP, BATT2, COOLFAN, ECM/TCM, HORN, HVAC, and MRRTD