GM Service Manual Online
For 1990-2009 cars only
Makes
🢒
Cadillac
🢒
2004
🢒
XLR
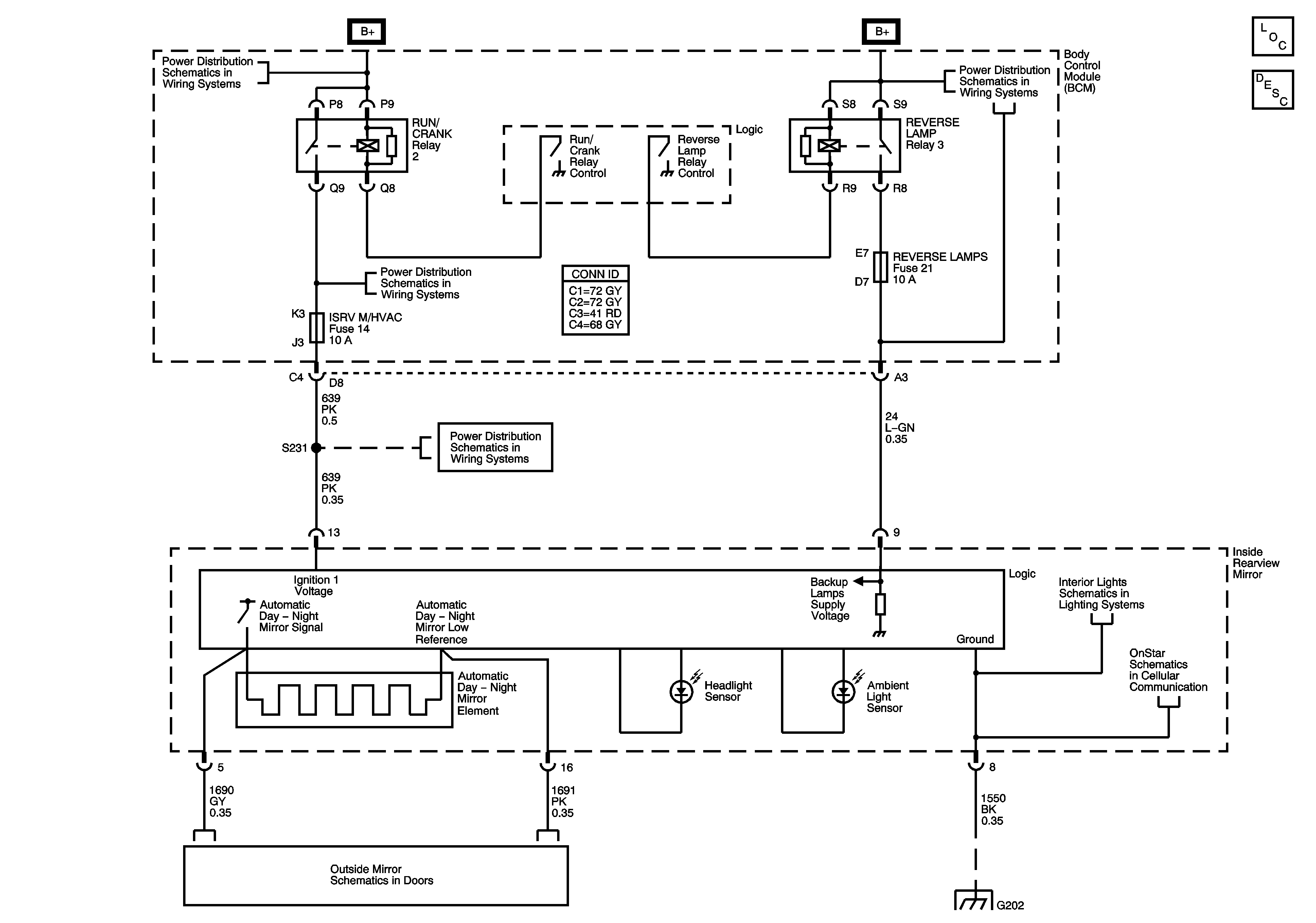
🢒 Inside Rearview Mirror
Inside Rearview Mirror
Master Electrical Component List
Automatic Day-Night Mirror Description and Operation
BCM Fuses; A.C.LATCH/PK BRK B, CLUSTER, DOOR LOCKS, HVAC/PWR SND, INTERIOR LIGHTS, ISRVM/HVAC, and TUTD SW/STRG COL SW
Fuse Block-Underhood Fuses; BATT3 and STOP/B/U/LPS, BCM Fuses; BTSI SOL/COL LOCK, PWR FLDG MIR-EXT/RET, RADIO/ANT/VICS, REAR FOG/ALDL TOP SW, and REVERSE LAMPS
BCM Fuses; A.C.LATCH/PK BRK B, CLUSTER, DOOR LOCKS, HVAC/PWR SND, INTERIOR LIGHTS, ISRVM/HVAC, and TUTD SW/STRG COL SW
BCM Fuses; A.C.LATCH/PK BRK B, CLUSTER, DOOR LOCKS, HVAC/PWR SND, INTERIOR LIGHTS, ISRVM/HVAC, and TUTD SW/STRG COL SW
Memory Power Mirrors
Lamp Controls, Courtesy, Underhood, I/P Compartment, Vanity Mirrors and Inside Rearview Mirror Lamps
Antenna, DLC, Ground, Power, and User Inputs