GM Service Manual Online
For 1990-2009 cars only
Makes
🢒
Cadillac
🢒
2004
🢒
XLR
🢒 Door and Rear Compartment Courtesy Lamps
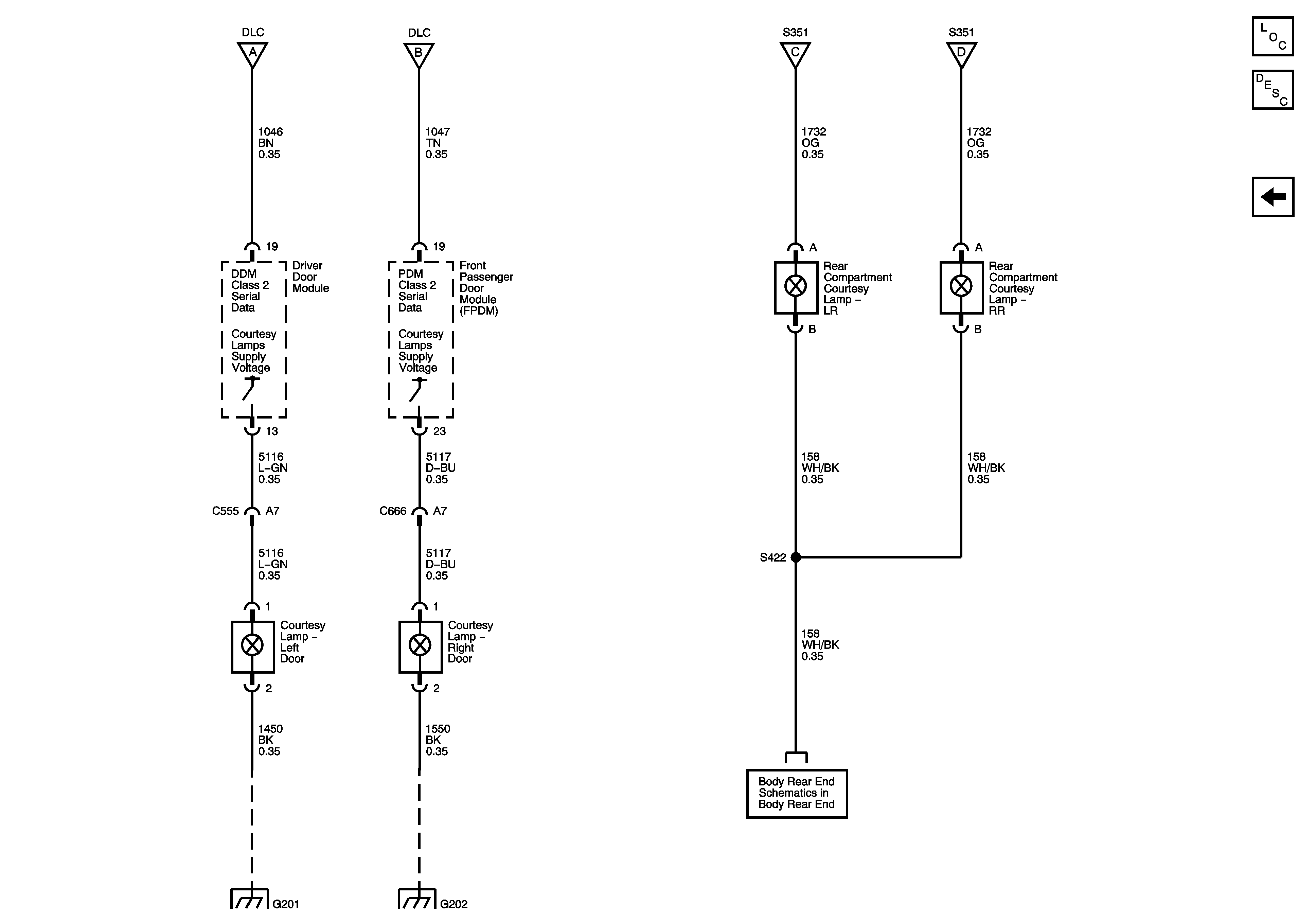
Door and Rear Compartment Courtesy Lamps
Door and Rear Compartment Courtesy Lamps
Master Electrical Component List
Interior Lighting Systems Description and Operation
Lamp Controls, Courtesy, Underhood, I/P Compartment, Vanity Mirrors and Inside Rearview Mirror Lamps
Lamp Controls, Courtesy, Underhood, I/P Compartment, Vanity Mirrors and Inside Rearview Mirror Lamps
Lamp Controls, Courtesy, Underhood, I/P Compartment, Vanity Mirrors and Inside Rearview Mirror Lamps
Lamp Controls, Courtesy, Underhood, I/P Compartment, Vanity Mirrors and Inside Rearview Mirror Lamps
Lamp Controls, Courtesy, Underhood, I/P Compartment, Vanity Mirrors and Inside Rearview Mirror Lamps
Body Rear End Schematics