GM Service Manual Online
For 1990-2009 cars only
Makes
🢒
Cadillac
🢒
2004
🢒
XLR
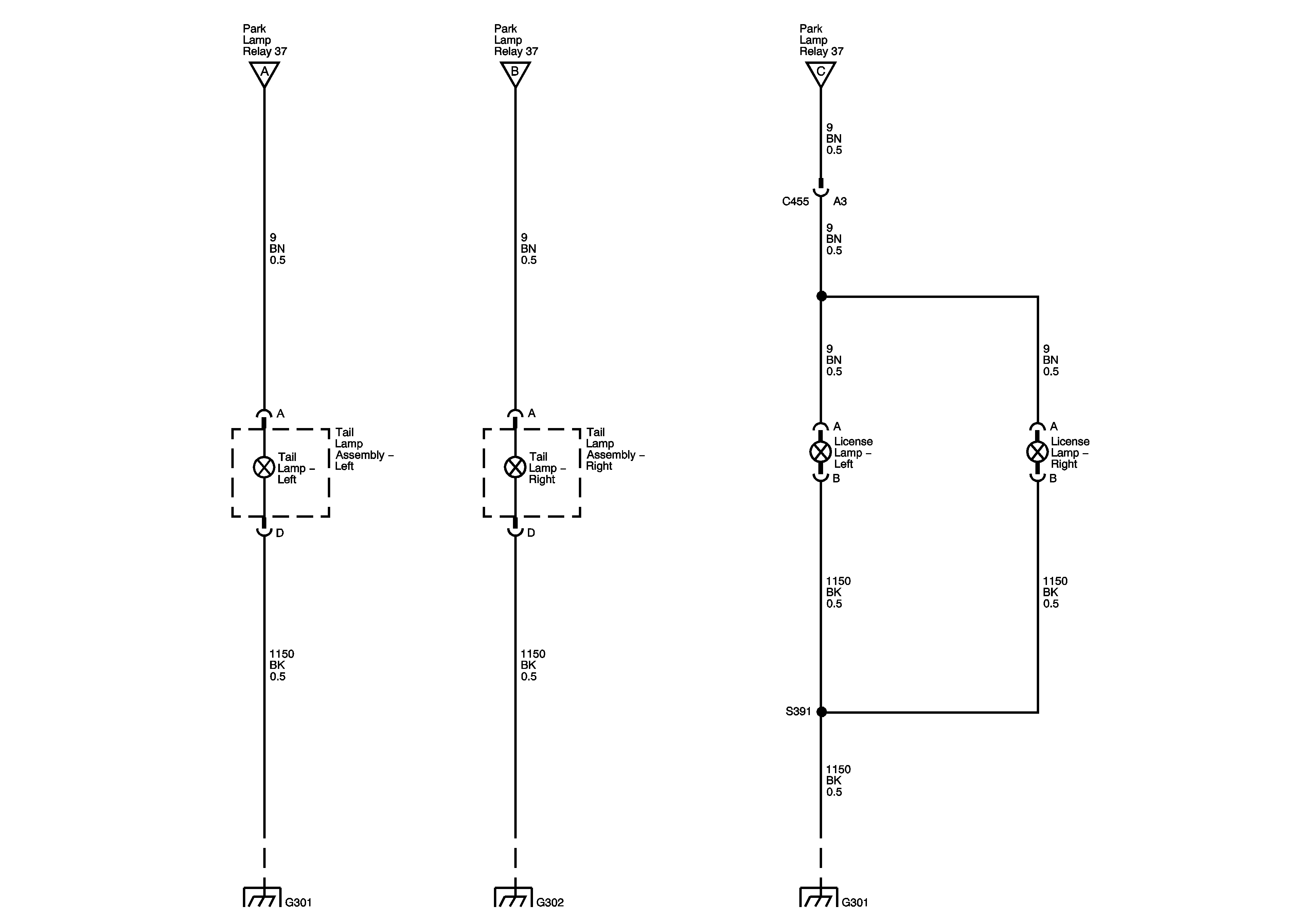
🢒 Rear Park Lamps and License Lamps
Rear Park Lamps and License Lamps
Rear Park Lamps and License Lamps
Master Electrical Component List
Exterior Lighting Systems Description and Operation
Turn Signal and Hazard Lamps (Domestic)
Park Lamp Control, Sidemarker, Park and Position Lamps
Park Lamp Control, Sidemarker, Park and Position Lamps
Park Lamp Control, Sidemarker, Park and Position Lamps
Park Lamp Control, Sidemarker, Park and Position Lamps