GM Service Manual Online
For 1990-2009 cars only
Makes
🢒
Cadillac
🢒
2004
🢒
XLR
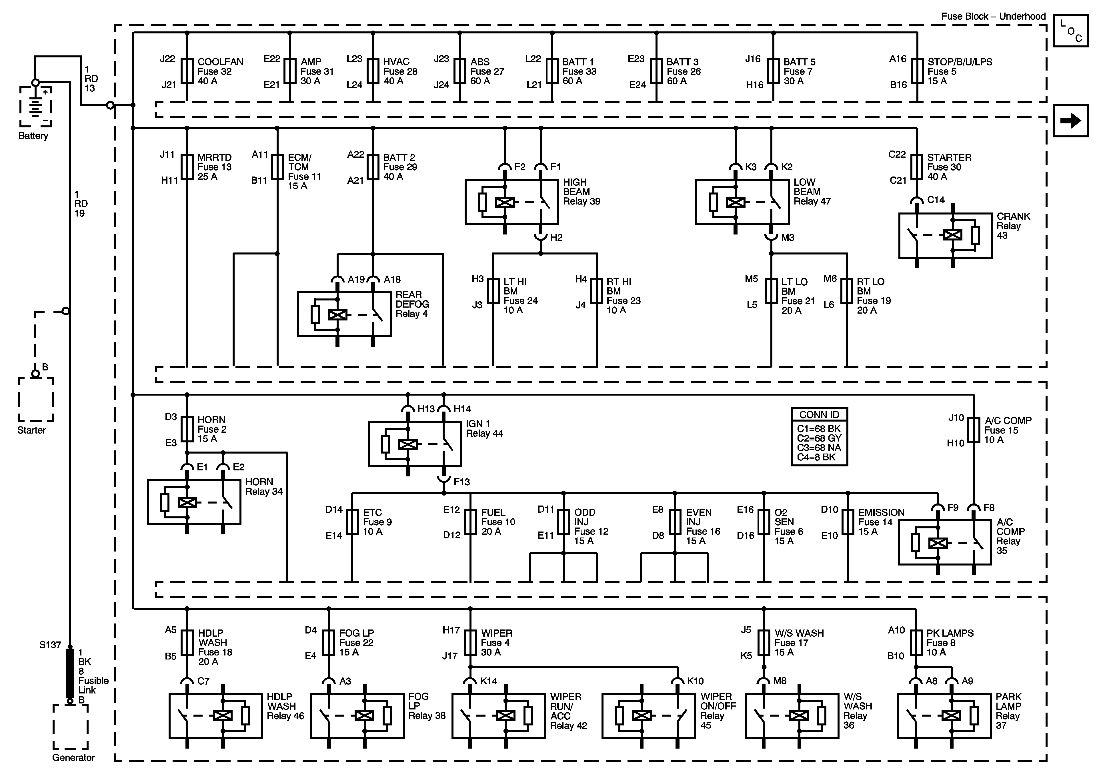
🢒 Fuse Block-Underhood Bussing
Fuse Block-Underhood Bussing
Fuse Block-Underhood Bussing
Master Electrical Component List
Fuse Block-Underhood Fuses; ABS, AMP, BATT2, COOLFAN, ECM/TCM, HORN, HVAC, and MRRTD