GM Service Manual Online
For 1990-2009 cars only
Makes
🢒
Cadillac
🢒
2004
🢒
XLR
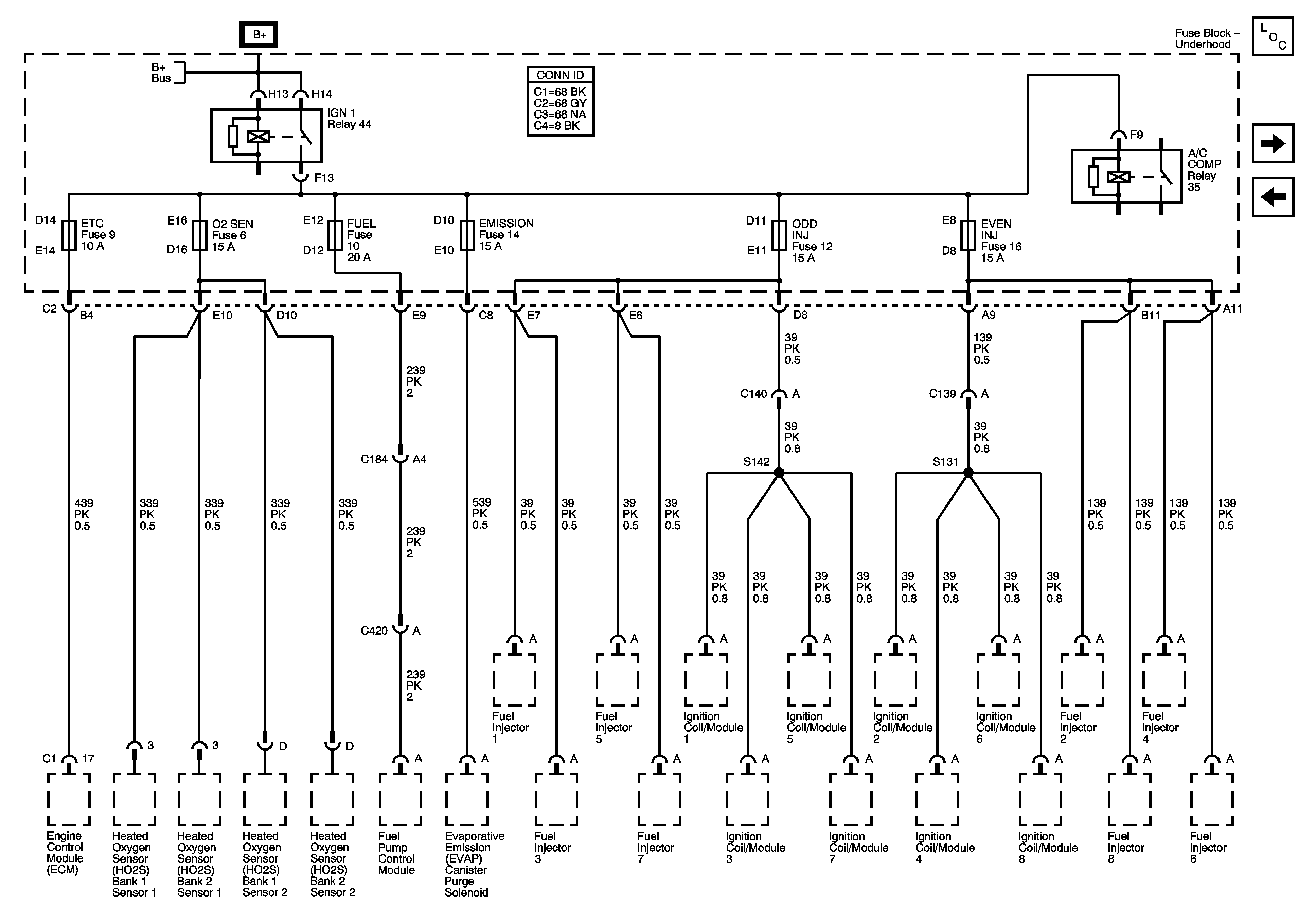
🢒 use Block-Underhood Fuses; EMISSIONS, ETC, EVEN INJ, FUEL, O2 SEN, and ODD INJ
use Block-Underhood Fuses; EMISSIONS, ETC, EVEN INJ, FUEL, O2 SEN, and ODD INJ
Fuse Block-Underhood Fuses; EMISSION, ETC, EVEN INJ, FUEL, O2 SEN, and ODD INJ
Master Electrical Component List
Fuse Block-Underhood Fuses; LT HI BM, LT LO BM, RT HI BM, RT LO BM, Fuse Block-I/P Fuses; RUN/ACCESSORY POWER, STEERING WHEEL DIMMING, and WIPER DWELL
BCM Fuses; ECM, GMLAN DEVICES, RPA / H/C SEAT, and SDM/PSIR SW, Fuse Block-Underhood Fuses; ABS/MRRTD, and ACC/TCM