GM Service Manual Online
For 1990-2009 cars only
Makes
🢒
Cadillac
🢒
2004
🢒
XLR
🢒 G202-1 of 2
G202-1 of 2
G202-1 of 2
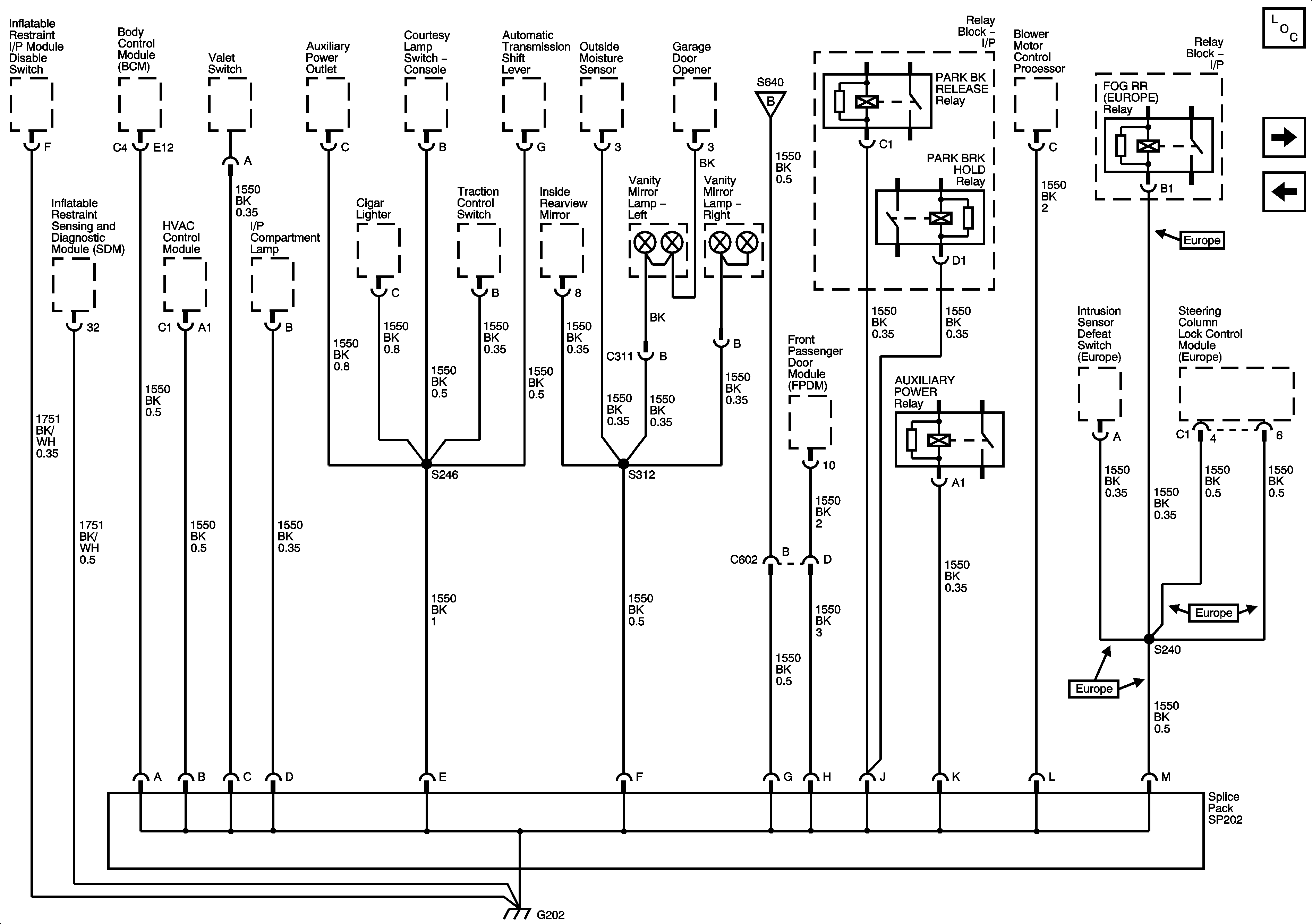
Master Electrical Component List
G202-2 of 2
G201
G202-2 of 2